FPGAs, systems-on-chip (SOCs), and ASICs serving in telecom, datacom, medical diagnostics, and industrial equipment require several voltage rails to power the core, multiple I/O, auxiliary rail, and other supporting circuitry. Also, designers are under constant pressure to reduce the voltage regulator footprint on the printed-circuit board (PCB). What’s the solution?
Related Articles
- Power Controller And Interface Transform POL Regulation
- Choose The Right Switching Regulator
- Voltage-Controlled Regulator Both Sources And Sinks Current
Linear Technology’s LTM4644 µModule (micromodule) combines four switching regulators to support most if not all the power needs of modern digital systems in one surface-mount package. It also is compatible with the 5-V and 12-V intermediate bus voltages common in these applications. It can provide four individual 4-A outputs or a single 16-A output by paralleling the regulators.
This file type includes high resolution graphics and schematics when applicable.
By The Numbers
The LTM4644 integrates four separate constant frequency controlled on-time valley current-mode regulators, power MOSFETs, inductors, and other supporting discrete components (Fig. 1). Each of the four separate regulator channels can deliver up to 4-A continuous output with a few external input and output capacitors. With a 4-V to 14-V input, each regulator provides precisely regulated output voltage programmable from 0.6 V to 5.5 V via a single external resistor. Using an external bias voltage, the module can operate from as low as a 2.375-V input. The regulator includes output overvoltage and overcurrent fault protection.
Each converter in the µModule (Fig. 2) houses dc-dc controllers, power switches, inductors, and compensation components in a 9- by 15- by 5.01-mm ball-grid array (BGA) package (Fig. 3). Only eight external ceramic capacitors (1206 or smaller case sizes) and four feedback resistors (0603 case size) are required to regulate four independently adjustable outputs. Separate input pins enable the four channels to be powered from different or common supply rails.
The operating frequency of the LTM4644 is optimized to achieve a compact package size and minimum output ripple voltage while maintaining high efficiency. The default operating frequency is internally set to 1 MHz. In most applications, no additional frequency adjusting is required. If any operating frequency other than 1 MHz is required, the µModule regulator can be externally synchronized to a clock from 700 kHz to 1.3 MHz. The four channels operate at 90° out-of-phase to minimize input ripple whether at the 1-MHz default switching frequency or synchronized to an external clock.
The µModule’s phase-locked loop (PLL) consists of an internal voltage controlled oscillator and a phase detector. All internal top MOSFET turn-ons then can be locked to the rising edge of the same external clock. The external clock frequency range must be within ±30% around the 1-MHz set frequency. A pulse detection circuit is used to detect a clock on the CLKIN pin to turn on the PLL. During the regulator startup, the PLL function is disabled.
Configurable as a single (16 A), dual (12 A, 4 A or 8 A, 8 A), triple (8 A, 4 A, 4 A), or quad (4 A each) output regulator, the LTM4644’s flexibility enables system designers to rely on one simple and compact µModule regulator for the variety of voltage and load current requirements (see the table). At an ambient temperature of 55°C, the LTM4644 delivers up to 13 A at 1.5 V from a 12-V input or up to 14 A with 200-LFM airflow.
With current-mode control and internal feedback loop compensation, the LTM4644 has sufficient stability margins and good transient performance with a wide range of output capacitors, even with all-ceramic output capacitors. Current-mode control provides the flexibility of accurate current sharing when paralleling any of the separate regulator channels.
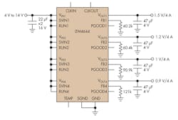
With a built-in clock interleaving between each two regulator channels, the LTM4644 could easily employ two-plus-two-, three-plus-one-, or four-channel parallel operation, which is flexible enough in a multi-rail point-of-load (POL) application like an FPGA (Fig. 4). Furthermore, the LTM4644 has CLKIN and CLKOUT pins for frequency synchronization or polyphasing multiple devices, which allow up to eight phases cascaded to run simultaneously.
Current-mode control also provides cycle-by-cycle fast current monitoring. Foldback current limiting is provided in an overcurrent condition to reduce the inductor valley current to approximately 40% of the original value when VFB drops. Internal overvoltage (OV) and undervoltage (UV) comparators pull the open-drain PGOOD output low if the output feedback voltage exits a ±10% window around the regulation point. Continuous conduction mode (CCM) operation is forced during OV and UV conditions except during startup when the TRACK pin is ramping up to 0.6 V.
Pulling the RUN pin below 1.1 V forces the controller into its shutdown state, turning off both power MOSFETs and most of the internal control circuitry. At light load currents, discontinuous conduction mode (DCM) operation can be enabled to achieve higher efficiency compared to continuous conduction mode (CCM) by setting the MODE pin to SGND. The TRACK/SS pin is used for power supply tracking and soft-start programming.
A diode-connected PNP transistor monitors the module’s junction temperature. If the junction temperature reaches approximately 160°C, both power switches will turn off until the temperature drops about 15°C. The LTM4644 is specified for operation over the –40°C to 125°C internal temperature range.
The LTM4644 module should be connected to a low ac-impedance dc source. For each regulator channel, a 10-µF input ceramic capacitor is recommended for RMS ripple current decoupling. A bulk input capacitor is only needed when long inductive leads, traces, or not enough source capacitance compromises the input source impedance. The bulk capacitor can be an electrolytic aluminum capacitor or polymer capacitor.
With an optimized high-frequency, high-bandwidth design, only a single low-ESR (equivalent series resistance) output ceramic capacitor is required for each regulator channel to achieve low output voltage ripple and very good transient response. The system designer may require additional output filtering to further reduce output ripples or dynamic transient spikes.
A multiphase power supply significantly reduces the amount of ripple current in both the input and output capacitors. The RMS input ripple current is reduced by, and the effective ripple frequency is multiplied by, the number of phases used (assuming that the input voltage is greater than the number of phases used times the output voltage). The output ripple amplitude is also reduced by the number of phases used when all of the outputs are tied together to achieve a single high-output-current design.
The LTPowerCAD Design Tool is available to download online for output ripple, stability, and transient response analysis and calculating the output ripple reduction as the number of phases implemented increases by N times. You can download the LTPowerCAD Design Tool at www.linear.com/solutions/LTPowerCAD.
The LTM4644 µModule is an inherently current-mode controlled device, so parallel modules will have very good current sharing. This will balance the thermals on the design. Tie the RUN, TRACK/SS, FB, and COMP pins of each paralleling channel together. The TRACK/SS pin provides a means to either soft-start of each regulator channel or track it to a different power supply. A capacitor on the TRACK/SS pin programs the ramp rate of the output voltage. An internal 2.5-µA current source will charge the external soft-start capacitor toward the INTVCC voltage.
The open-drain PGOOD pins can be used to monitor each valid output voltage regulation. This pin monitors a ±10% window around the regulation point. A resistor can be pulled up to a particular supply voltage for monitoring. To prevent unwanted PGOOD glitches during transients or dynamic VOUT changes, the LTM4644’s PGOOD falling edge includes a blanking delay of approximately 52 switching cycles.
The LTM4644 module internal compensation loop for each regulator channel is designed and optimized for low-ESR ceramic output capacitors. In case bulk output capacitors are required for output ripples or dynamic transient spike reduction, an additional 10-pF to 15-pF phase boost capacitor is required between the VOUT and FB pins. The LTpowerCAD Design Tool is available for control loop optimization.
The LTM4644 modules do not provide galvanic isolation from VIN to VOUT. There is no internal fuse. If required, a slow-blow fuse with a rating twice the maximum input current needs to be provided to protect each unit from catastrophic failure. The module does support thermal shutdown and overcurrent protection.
Layout
The highly integrated LTM4644 makes the PCB board layout very simple and easy. But to optimize its electrical and thermal performance, some layout considerations are still necessary:
• Use large PCB copper areas for high-current paths, including VIN1 to VIN4, GND, and VOUT1 to VOUT4. It helps to minimize the PCB conduction loss and thermal stress.
• Place high-frequency ceramic input and output capacitors next to the VIN, GND, and VOUT pins to minimize high-frequency noise.
• Place a dedicated power ground layer underneath the unit.
• To minimize the via conduction loss and reduce module thermal stress, use multiple vias for interconnection between the top layer and other power layers.
• Do not put via directly on the pad, unless they are capped or plated over.
• Use a separated SGND ground copper area for components connected to signal pins. Connect the SGND to GND underneath the unit.
• For parallel modules, tie the VOUT, VFB, and COMP pins together. Use an internal layer to closely connect these pins together. The TRACK/SS pin can be tied a common capacitor for regulator soft-start.
About the Author

Sam Davis
Sam Davis was the editor-in-chief of Power Electronics Technology magazine and website that is now part of Electronic Design. He has 18 years experience in electronic engineering design and management, six years in public relations and 25 years as a trade press editor. He holds a BSEE from Case-Western Reserve University, and did graduate work at the same school and UCLA. Sam was the editor for PCIM, the predecessor to Power Electronics Technology, from 1984 to 2004. His engineering experience includes circuit and system design for Litton Systems, Bunker-Ramo, Rocketdyne, and Clevite Corporation.. Design tasks included analog circuits, display systems, power supplies, underwater ordnance systems, and test systems. He also served as a program manager for a Litton Systems Navy program.
Sam is the author of Computer Data Displays, a book published by Prentice-Hall in the U.S. and Japan in 1969. He is also a recipient of the Jesse Neal Award for trade press editorial excellence, and has one patent for naval ship construction that simplifies electronic system integration.
You can also check out his Power Electronics blog.