Each year, manufacturers recall hundreds of thousands of consumer electrical products because of possible electrical shock and fire hazards. For example, the National Center for Health Statistics reported 230 consumer-product-related electrocutions in 1995 (the most recent year for which data is available) just in the United States. Factor that by the many countries around the world using electrical products, and the number of potential injuries and deaths is staggering.
Couple safety concerns with the demands from retailers and consumers for proper operation in the home or office and the need for 100% testing of both performance and safety becomes self-evident. With the ever-growing capabilities of test equipment, the time is right to consider a combined automated safety/performance test as a standard production-line activity.
Performance Testing and Safety Testing
Performance testing of a product is done during the development stage to verify that it meets the required design criteria as described in the engineering specifications. These are product-specific tests encompassing both mechanical and electrical characteristics.
A product also is tested to ensure that it does not present a safety threat to persons or surroundings. Electrical products designed to operate on typical home or office line voltages must meet the requirements of the European Economic Community (EEC) Low-Voltage Directive. Article 2 of that directive states: “Member States shall take all appropriate measures to ensure that electrical equipment may be placed on the market only if constructed with good engineering practices to ensure that it does not endanger the safety of people, domestic animals, or property when used in applications for which it was made.”
In addition to the European Union, safety standards have been adopted by the Underwriters Laboratories (UL), the Canadian Standards Association (CSA), the International Electrotechnical Commission (IEC), and the British Standards Institute (BSI) among others. They establish minimum requirements for product safety testing by specifying type tests to be performed on sample items during the development stages as well as production-line tests on every product.
Typical Safety Tests
Ground bond and ground continuity are commonly required tests, with ground bond frequently specified as a type test and ground continuity as a routine production-line test. Both are designed to check the ground circuit for continuity of the ground conductor, the connection that is supposed to protect the user from electrical shock.
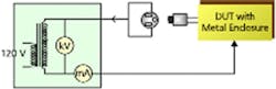
The ground bond test is a high-current verification typically done at 1.5 times the rated current of the product or 25 A, whichever is greater (Figure 1). Typically, it is performed at a potential of 12 VAC or less. Current is passed between the ground terminal and accessible dead metal on the device under test (DUT). The voltage drop between the terminal and the dead metal is measured, and the resistance is calculated.
Figure 1. Ground Bond Tester
Most specifications require that this resistance must not exceed 0.1 W plus the resistance of the supply cord. An adequate ground must have an impedance level low enough to limit the voltage to ground and facilitate the operation of the circuit protection device should a fault occur.
Ground continuity normally is specified as a routine production-line test and can be done with a simple device such as a test-light/battery-buzzer combination or ohmmeter, although a more sophisticated test with some type of consistent measurement parameter is recommended. This test verifies that continuity of the ground conductor is present.
Ground bond is the preferred method of testing safety ground circuits on products sold in Europe and in any other application where a good ground system is critical. This test stresses the ground connection with high current and causes a failure on a weak connection.
Ground continuity only verifies that the safety ground connection exists. Since it is a low-current test, it does not verify the capability of this connection to withstand fault current.
Line leakage most often is specified as a type test (Figure 2). It measures the leakage current that flows through the product while it is operating. The test incorporates a device that simulates the impedance of the human body to provide very accurate information about potential shock hazards.
Figure 2. Line Leakage Tester
Typically, the input voltage to the DUT is adjusted to 110% of the highest rated line voltage. Leakage current is measured under all possible combinations of open and closed neutral conductors with normal and reversed polarity and open and closed ground connections on the input to the DUT. Line leakage tests also are called earth leakage or enclosure leakage tests.
The dielectric withstand or hipot test is commonly specified for type and production testing (Figure 3). This test stresses insulation in the DUT far beyond what it will encounter in normal use by applying a high potential between the current-carrying conductors and accessible noncurrent-carrying conductors.
Figure 3. Hipot Tester
Generally, the test potential is twice the operating voltage of the DUT plus 1,000 V. Most tests are specified using AC, but a DC test also may be performed at 1.414 times the AC voltage. The duration of the test normally is specified between 1 and 60 s, and no dielectric failure or breakdown may occur during the test.
Functional Tests
While product-safety tests help ensure that a product is safe, they do not provide any indication that the product will operate correctly. A good example of this is a product with a short circuit across the hot and neutral conductors. This equipment will pass a hipot test because the hot and neutral normally are connected together for that test. However, when the DUT is connected to line power, the short-circuit condition will cause input circuit breakers or fuses to trip.
To detect failure conditions before a product is shipped, most manufacturers run functional tests after final safety testing to verify the functionality of the products. These tests verify that the product performs its intended functions.
The tests also may monitor the input voltage and current of the DUT to detect any problems. These parameters are not measured as part of the safety testing, and the limits are product specific.
Tests While the DUT Is Operating
Current draw is the most common test performed while running the DUT. This measures the current into the DUT to determine that it is operating within its fuse rating.
Leakage current, another common test, is a simple measurement of leakage from the case of the DUT to ground. This should not be confused with line leakage. This simple leakage test does not use a specific measuring device, nor does it switch input power configurations to the DUT into fault conditions. The test simply determines leakage to the case if the safety ground circuit is broken.
In addition to these tests, manufacturers may record power and power factor measurements while the DUT is operating.
The Case for Automatic Testing
Depending upon the complexity of the DUT, the same operator who performs product safety tests may perform the run test at the end of the assembly operation. After a product has passed safety tests, it is connected to line power and the functional run tests are performed.
Usually, the operator has a limited amount of time to perform both the safety and the run tests and do a visual inspection. With a high-speed production line and many opportunities for distractions, it is possible to miss a problem in the product. Also, manually recording too much information often results in lost productivity. All this makes the consistency of tests that are performed manually very questionable in most manufacturing environments.
Many European Norm (EN) product safety standards now require that manufacturers of consumer products document all test results. Documentation also is required of ISO-compliant manufacturers.
Same-Station Safety and Functional Run Testing
Today it is possible to offer one test station that performs both safety and run tests with one connection to the DUT. This can save a tremendous amount of time.
An automated system can monitor minimum and maximum readings for voltage, current, watts, power factor, and leakage current. The duration of the tests also may be programmed into the system, providing for more consistent tests. If any parameter falls outside its limits, the system will signal a failure automatically.
Tests can be linked together to allow the operator to test products that have multiple settings. All test data can be stored to a file; all possible pass/fail statistics can be recorded with the operator ID, date, and time. This information can be viewed in detailed summary or graphic format, stored in an ASCII format, and exported to a spreadsheet, word-processing, or database program.
Automation also makes a change-over on the line much faster because test programs for each type of product can be loaded from a database. For manufacturers using bar codes to identify products, test programs can be loaded from a computer file linked to the bar code.
Summary
By automating the functional run test and the product safety tests into the same test area and linking them together, you can improve the reliability and efficiency of production testing. The operator is less likely to skip a test while trying to keep up with the production line and does not have to read several meters during the testing process since automatic instruments monitor violations of preset limits. Each model and serial number can be recorded along with the test results. As a result, the tests are consistent from one product to the next, and data can provide your engineering and quality departments with valuable information.
About the Author
Dwayne M. Davis is the technical services manager at Associated Research. For more than 30 years, he has been involved in the design, development, and manufacture of high-voltage products including transformers, power supplies, and safety testing instruments. Mr. Davis also has conducted customer seminars and industry presentations throughout the world. He holds an electronics degree from DeVry Technical Institute. Associated Research, 13860 W. Laurel Dr., Lake Forest, IL 60045, (847) 367-4077.
Return to EE Home Page
Published by EE-Evaluation Engineering
All contents © 2000 Nelson Publishing Inc.
No reprint, distribution, or reuse in any medium is permitted
without the express written consent of the publisher.
June 2000



