Webinars

ems_microstrippatchantennaperiodic_model
Sponsored
March 12, 2026 - Upcoming
Join us to learn how to model and optimize phased-array antennas using an RF Module. See how simulation can guide design decisions and improve performance for 5G, 6G, radar, and...
pexelsenergepiccom27411110469
Sponsored
March 17, 2026 - Upcoming
Learn how Design Rule Checks catch electrical design errors early, reduce rework, and support safety and compliance. Join us to gain practical steps that strengthen workflows ...
missles
Sponsored
April 14, 2026 - Upcoming
Unlock next‑gen modular connector design! Join our webinar to explore rugged, high‑density solutions with hyperboloid reliability, new Cat5e/Cat6A data modules, and an intuitive...
Sponsored
Cut through power noise fast. Learn how to validate PDNs using FRA, Bode plots & oscilloscope-based techniques to uncover true rail behavior. Join us to boost power integrity ...
Dec. 9, 2025
linear_motor_3d
Sponsored
Discover how to model and optimize linear motors and actuators using COMSOL Multiphysics®. Learn to simulate electromagnetic forces, thermal effects, and design parameters for...
Dec. 4, 2025
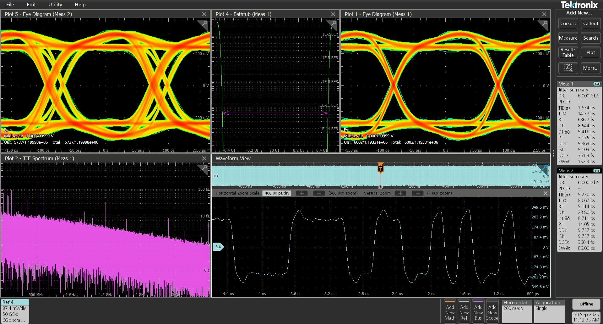
eye_diagrams
Sponsored
Designing high-speed links? You own the interconnect—and the risk. Learn how to spot and solve SerDes signal integrity issues fast. Fewer re-spins, faster bring-up. Register now...
Nov. 18, 2025
re_november_webinar_traceability
Sponsored
Discover why outdated date code practices are no longer enough—join Rochester Electronics' webinar to explore how advanced traceability is reshaping semiconductor reliability,...
Nov. 12, 2025
militaryvehicleradio
Sponsored
Discover how precision timing technologies like MEMS, quartz, and atomic clocks power mission-critical missile defense systems—where milliseconds mean the difference between success...
Oct. 29, 2025
modelbased_systems_engineering_mbse_webinar
Sponsored
Discover how Dassault Systèmes is revolutionizing Electronics Innovation in the High-Tech industry by bringing the proven power of E/E Architecture and MBSE from Transportation...
Oct. 23, 2025
electricdischargemodulehero
Sponsored
Discover how the Electric Discharge Module in COMSOL Multiphysics® can help you simulate and analyze electric discharge phenomena to improve product safety, performance, and innovation...
Sept. 25, 2025