A better way to harvest minuscule amounts of power
Thermoelectric and piezoelectric generators generally operate at voltages below a volt and produce electrical current in the micro- and milliamp range. That makes it difficult to build circuits able to make use of the power they generate. The energy coming from the generator typically must be converted to a signal at a higher voltage. And because of the small currents involved, there must be a means of incorporating a storage mechanism able to let energy from the generator build up to a usable level before it can be used to power other circuits.
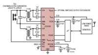
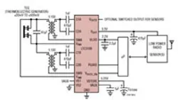
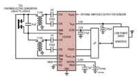
One chip designed to provide such functions is the recently released LTC3109, which can start up and run from input voltages as low as ± 30 mV, as are typical of thermoelectric generators (TEGs) and thermopiles. Developed by Linear Technology Corp., the chip incorporates a proprietary auto-polarity topology that lets thermoelectric generators harvest temperature differences as low as +1°C. Auto polarity lets the chip work in energy harvesting applications in which the input voltage polarity is unknown or is subject to reversal.
The LTC3109 is basically a dc-to-dc converter. It can put out 2.2 V to power an external microcontroller, and its main output is pin-selectable to 2.35, 3.3, 4.1 or 5 V to power a sensor, data acquisition circuits, and/or a wireless transmitter. The addition of a storage capacitor lets the chip provide continuous power even when the input energy source is unavailable or intermittent. A low quiescent current (less than 7 µA) and high efficiency design bring fast charge times for the output reservoir capacitor.
The input of the LTC3109 utilizes MOSFET switches that form a resonant step-up oscillator that can operate from an input of either polarity. They work with two external step-up transformers and small coupling capacitors. The frequency of oscillation is determined by the inductance of the transformer secondary winding, and typically ranges from 10kHz to 100kHz. The ac voltage produced on the secondary winding of the transformer is boosted and rectified using an external charge pump capacitor and rectifiers inside the chip.
Applications such as wireless sensors typically require much more peak power, and at higher voltages, than sources such as piezo and thermogenerators can produce. The LTC3109 is designed to accumulate and manage energy over a long period of time so it can provide short power pulses for wireless transmitters that wake up to transmit data and then return to sleep mode. The pulses must occur at a low enough duty cycle that the total output energy during the pulse does not exceed the average source power integrated over the accumulation time between pulses. For many applications, this time between pulses could be seconds, minutes or hours.
The chip also generates a signal (PGOOD) used to enable a sleeping microprocessor or other circuitry when the output voltage reaches regulation, indicating that enough energy is available for a transmission.
Linear Technology Corp., http://www.linear.com/pr/3109

