Plethysmograph AFEs Follow Trend Toward Application Specialization
Analog front ends (AFEs) used to be custom chips created to guarantee that the performance of the analog-to-digital converter (ADC) that product designers chose for their new design would not be compromised because of inadequate signal conditioning. The AFE designer’s goal was to make it more likely that the end product’s controller would get all the bits that were promised on the converter’s data sheet.
Today’s newest AFEs go far beyond that goal, often simplifying the entire system design process. The tradeoff is that these newer AFEs are usually tightly focused on some particular narrow application. This is neither good nor bad. It’s a sign of a new trend in product design and development (see “Analog Chip Makers Switch Focus To Vertical Markets” at electronicdesign.com).
Related Articles
• Analog Chip Makers Switch Focus To Vertical Markets
• Heart Monitor AFE Multiplies Opportunities For Medical OEMs
• Ultrasound AFEs Get More Specialized
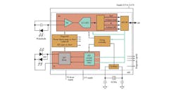
Case in point: Texas Instruments’ AFE44xx family integrates front-end and timing control functionality for medical photometry products. Photometry is used in pulse oximeters, blood glucose meters, and photo plethysmograph-based (PPG) heart rate monitors. The AFEs combine transmitter and receiver circuits in a single device and draw less than 1-mA quiescent current.
There are two versions: the AFE4490 for clinical applications, and the AFE4400 for home health-care products (see the figure). In both AFEs, the receive path comprises a programmable transimpedance amplifier (TIA), ambient-light cancellation circuitry, and ADC signal chain components. On the transmit side, the AFEs incorporate the LED driver and a programmable 8-bit current source. An integrated timing controller module eliminates the need to program that functionality into system software.
Texas Instruments’ AFE44xx family integrates front-end and timing control for medical photometry products. The AFEs can be employed in pulse oximeters, blood glucose meters, and photo plethysmograph-based heart rate monitors.
In more detail, that differential TIA in the receiver converts the input photodiode current into a voltage. The amp’s feedback resistor is programmable to support a range of photodiode currents. An active low-pass filter follows it.
Here’s where it gets interesting. At this point, the analog signal information contains both the desired plethysmograph (pleth) signal and a component that represents ambient light leakage at the sensor. The ambient noise is removed in the next stage of the AFE.
The second stage consists of a current-driven 22-bit digital-to-analog converter (DAC) that sources the cancellation current and a variable-gain amplifier that amplifies just the pleth component. The amplified pleth signal is then low-pass filtered. A digital ambient subtraction block follows the ADC.
In the ambient elimination process, ambient information essentially is made available to the host processor via the serial peripheral interface (SPI) bus, enabling the processor to read ambient data, estimate ambient value to be cancelled, and set the value to be used by the ambient cancellation DAC in the AFE.
On the transmit side, the AFE integrates an LED driver and an LED current control section with 8-bit resolution that can handle a dynamic range of better than 105 dB. Two standard LED driver schemes are supported: an H-bridge and a push-pull drive for a three-terminal LED package.
In addition to transmit and receive functionality, the AFE4400 includes diagnostics to detect open or short conditions of the LED and photosensor, LED current profile feedback, and cable-on or cable-off detection.
That’s just for the home-health-care market. The AFE4490, designed for clinical use, is more sophisticated. While it may seem that first-time programming would be intimidating, TI provides design kits and a programming GUI.
The AFE4490 costs $7.95 and the AFE4400 costs $2.95, both in quantities of 1000. They both come in 6- by 6-mm quad flat no-lead (QFN) packages.
About the Author

Don Tuite
Don Tuite (retired) writes about Analog and Power issues for Electronic Design’s magazine and website. He has a BSEE and an M.S in Technical Communication, and has worked for companies in aerospace, broadcasting, test equipment, semiconductors, publishing, and media relations, focusing on developing insights that link technology, business, and communications. Don is also a ham radio operator (NR7X), private pilot, and motorcycle rider, and he’s not half bad on the 5-string banjo.

