The Heat is On to Reduce Electric-Vehicle Cost
Members can download this article in PDF format.
What you’ll learn:
- How the "Osborne Effect" has accelerated the demand for electric vehicles, increasing the pressure on OEMs to cut costs.
- Why the high efficiencies of modern traction inverters make it more difficult, and costly, for EVs to keep their passengers warm.
- A novel design can add a "third switching state" to an EV's traction inverter, creating an efficient way to provide heat for passengers and batteries.
Much to the surprise of many automakers, electric vehicles (EVs) are rapidly eclipsing internal combustion engine (ICE) vehicles as the mobility choice for most consumers.1 But many would-be buyers are holding off on their next vehicle purchase until EV prices begin to approach parity with their fossil-fueled counterparts.
Automakers wishing to remain relevant in the coming decade will need to close this price gap very quickly, with a combination of aggressive scaling and technical innovation. As we'll see shortly, one of the previously unexplored opportunities for cost savings in EV manufacturing lies in the systems used to heat their batteries and cabins.
EVs Reach the Tipping Point
The sharp rise in EV demand was fueled by several unanticipated events, most notably, the chip shortages that occurred during the COVID-19 crisis which made most new ICE vehicles scarce and expensive. Around the same time, other COVID-related economic disruptions also helped push gasoline prices to unprecedented highs, further depressing consumers' appetite for conventional vehicles.
These, among other factors, contributed to a tipping point in consumer sentiment that echoes the so-called "Osborne Effect,"2 a phenomenon that proved to be the undoing of a pioneering computer manufacturer. Osborne Computers had been a dominant player in the nascent PC market of the 1980s until would-be customers held off buying their existing products in anticipation of a new and superior machine that had been announced prematurely (Fig. 1).
This lull in ICE sales enabled supply-side savvy EV companies, most notably Tesla, to reliably deliver vehicles despite the widespread shortages of ICs and other critical components. Figure 1 shows the decline in demand for ICE vehicles during this period and the rise in EV sales (primarily the Tesla Model 3, with offerings such as the Nissan Leaf and Chevrolet Bolt EV making up the remainder).
Once EVs crossed the 10% mark of new car sales in 2022, the Osborne Effect kicked in. A growing number of consumers became less interested in buying new ICE vehicles that would suffer from rising fuel costs and declining resale values.
While this series of events helped set an almost inevitable transition to EVs in motion, automakers are keenly aware that the rate of EV adoption will depend heavily on how soon they can approach price parity with comparable ICE models—while still achieving acceptable profit margins. One of the more promising ways to reduce an EV's cost without sacrificing quality or performance may lie in a new approach to how heat is produced for its passengers, and its temperature-sensitive batteries.
Until recently, most manufacturers used complex and expensive resistor-based heaters to provide most or all of the heat for their EVs. Traditionally, these have been positive-temperature-coefficient (PTC) resistors, although some manufacturers have shifted to metallized film resistors that offer lower cost and better reliability. These devices, and their supporting components, typically add between $200 and $500 to an automotive OEM's manufacturing cost. What if they could be completely eliminated?
The Efficiency Dilemma
In 2020, Tesla improved the range of its Model 3 by replacing the resistive heaters in the temperature-control system with a heat pump that handles both heating and cooling duties. In moderately cold weather, it can scavenge up to 3X the heat from the ambient air than a resistor could produce for the same power consumption. But this doesn’t hold up in extremely cold winter conditions, when there’s simply not enough heat energy that can be extracted from the atmosphere to keep passengers warm.3
The waste heat generated by the EV's traction motor(s) and inverter electronics has historically been used as a supplemental source of "free" heat for heat-pump-based climate-control systems. However, steady improvements in efficiency dramatically reduced the amount of thermal energy available to be scavenged from those components.
The exceptional efficiency of modern EV propulsion systems makes it impractical to rely solely on heat pumps to warm the passenger cabin, at very low temperatures, or while the vehicle is parked and isn’t producing any waste heat.
The amount of available waste heat in modern EVs is becoming increasingly scarce as traction-inverter designs become even more efficient, thanks in good part to the adoption of wide-bandgap (WBG) silicon-carbide (SiC) power MOSFETs. These devices have much higher electron mobility that accelerate switching times and lower on-resistance to significantly reduce the device's power dissipation, enabling efficiencies of 98% to 99%. As a result, conventional heat pumps still require a resistor-based heater to provide supplemental heat in extremely cold weather.
The unintended consequences of these high efficiencies were explored in a recent paper4 given by Rancho del I.P. at the 2023 Society of Automotive Engineers (SAE) World Congress Experience (WCX). It shows that, even at highway speeds, a typical electric vehicle, such as a Tesla Model S or a Chevy Bolt EV, uses ~20 kW of power for propulsion and as much as an additional 7.5 kW of resistive heating power to warm its cabin at very low ambient temperatures.
These same conditions also mean that there’s almost no heat available for a heat pump to scavenge from the atmosphere. It leaves only ~1 kW of heat available to be scavenged by from the traction motor, and perhaps another 200 W from the traction inverter while operating at highway speeds—and none while stopped or parked.
Cutting Cost Without Cutting Corners
The paper then proposes a patented method that enables the traction inverter to produce the heat needed for passenger cabin or HV battery heating by temporarily degrading the efficiency of its SiC MOSFETs. Since these devices are already liquid-cooled, they’re already equipped with a safe, reliable mechanism that can be simply modified to deliver the heat produced (as much as several kilowatts) to a heat pump at minimal additional cost.
In the absence of a heat pump, such as would be the case for a low-cost EV without air conditioning and hand-cranked windows, the paper shows that several kilowatts of heating power can be transferred to the inverter’s coolant. It creates a steady supply of 75°C fluid that can be delivered to the vehicle’s heater core or battery “chiller” plates.
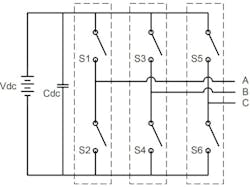
Figure 2 shows a typical three-phase motor drive by a voltage sourced inverter (VSI) topology composed of six switches arranged in three phase legs (dashed lines). Typically, the SiC devices display extremely low losses when their turn-on gate voltage is applied (approximately +15 V), and very low leakage in their fully off state when the gate terminal is at 0 V or, for some devices, slightly negative (typically −4 or −8 V).The classical VSI topology is based on three pairs of switches, each consisting of a “high side” and a “low side,” known as a “phase leg.” Each of these legs is connected to one phase of a three-phase load, typically a traction motor-winding phase terminal. Usually, traction-inverter designers take great care to prevent both devices in a phase leg from being turned on simultaneously to avoid the massive short circuit of the HV battery that would occur (a current of several thousand amperes is possible in a typical EV). This is known to power designers as “shoot-through.”
Steps to Ward Off Shoot-Through
To avoid shoot-through, designers incorporate logic that ensures a certain amount of switching “dead time” into the gate driver chip. It controls how and when the inverter's MOSFET gates are switched into on and off states. At any given time, one MOSFET in a phase leg can be turned on, typically to provide a current loop from the battery. Or two MOSFETs can be turned on across two different phase legs to produce current flow in the motor windings.
Usually, both switch states occur with very low losses. But what if this arrangement could be altered to somehow reduce the inverter's efficiency, thereby turning it into a temporary heat source?
For the sake of this experiment, let's assume the high-side MOSFET in the first phase leg, S1, is turned on. In this mode, it provides a low resistance connection between the HV battery terminal and a terminal of the motor winding. For all intents and purposes, it applies the battery voltage of, say 400 V, directly to the motor terminal node “A.”
Unique VSI Phase-Leg Approach
What Rancho del I.P.’s SAE paper discloses is the novel use of the first phase leg’s low-side MOSFET, S2. It’s turned partially-on as a third state in the VSI when it’s supposed to be off. This turns that leg of the inverter’s low-side switch into a Joule-heated resistor. The resistor dissipates the product of the HV battery voltage being applied to its drain terminal and the current flowing through it from its source terminal back to the negative terminal of the HV battery.
Notice that the applied voltage from the positive terminal of the battery to the motor terminal “A” remains largely unaffected. That is, the Joule heater we’ve created is in parallel with the motor.
This partially-on state is achieved by applying a gate voltage that limits the current through the device. For example, applying a gate voltage of 3.75 V and a VDS of 400 V results in a 3-A IDS “saturation” current and causes the device to produce 1200 W worth of heat. Since each switch is turned on for 1/3 of the inverter’s sine-wave cycle, each MOSFET will dissipate an average of 400 W.
Figure 3 presents an example of a typical gate-driver circuit, with a simplified illustration of modified circuitry that produces Joule heating shown in orange. It also depicts the logic signal “HEAT-“ line, which determines whether the inverter operates at its normal high efficiency or at a degraded heat-producing efficiency mode when low.
Placing the three MOSFETs in parallel in each of the six switch positions in a classical VSI topology produces 400 × 3 × 6 = 7.2 kW of heat to be removed by the coolant. While these power levels may seem alarmingly high, remember that only 400 W of power is being dissipated per MOSFET. This is well within a typical TO-247-packaged SiC MOSFET’s rated power limitations, in a liquid-cooled inverter housing, using rated SiC operating temperatures of 175°C and a coolant temperature of 75°C.
Doing the thermal calculations, the required thermal resistance to maintain a 175°C junction temperature is (175 − 750)/400 = 0.25°C/W. It’s easily implemented without the use of MOSFETs in die form or on exotic thermal modules as found in some hybrid vehicles’ inverters.
Removing Resistive Heaters
Rancho del I.P.’s patented technology5 eliminates the need for resistive heaters by creating a third, "partially on" switching state in a traction inverter's power MOSFETs, which varies its efficiency. This is accomplished by modifying the gate driver to deliver one additional gate voltage level and lightly modifying the gate power supply to provide that voltage.
This exploit enables the inverter to produce full levels of Joule heating at low speeds or even when parked. The motor doesn’t turn or produce any torque when all windings are switched to the battery positive terminal with all high-side switches turned fully on. That’s because, for example, no current flows in the motor windings due to the lack of a potential difference across their terminals.
Equally important, the vehicle's efficiency is completely unaffected when the traction inverter isn’t in a heating mode, fully switching the inverter's SiC MOSFETs on and off much like a conventional traction inverter.
This, and adding some minor logic to control the duration of the inverter's partially-on states (when heating is desired), is expected to add roughly $20 to the vehicle's manufacturing cost. A conventional resistive heating system generally costs $200-$500.
The simpler, and much less expensive, heating systems made possible by variable efficiency switching inverters can help OEMs create the next generation of high-performance, cost-effective EVs. For in-depth details on Rancho del I.P.’s patented technology, including LTSpice simulations and results/analysis, go here.
Acknowledgement
The author would like to express his sincere thanks to Andy Turudic of Rancho del I.P. for sharing so much of his time and knowledge with me as I prepared this story.
References
1. The inability to meet consumer pricing demands, aided by step-downs of EV pricing by Tesla, has lead China Observer to predict the demise of 90% of EV manufacturers, already in play in China.
3. According to driveteslacanada.ca, a total of 127 complaints were received by Transport Canada by frostbitten Tesla Model 3 and Model Y owners in 2021 that the heaters in the cars weren’t working during cold temperatures. The supplemental resistive heaters were clearly of insufficient capacity to provide cabin heating at very low winter temperatures found in places like Quebec and Alberta.
4. "Variable-Efficiency Traction Inverter Provides Low Cost Multi-kW Coolant Heating," SAE Technical Paper 2023-01-0132, 2023.
About the Author
Lee Goldberg
Contributing Editor
Lee Goldberg is a self-identified “Recovering Engineer,” Maker/Hacker, Green-Tech Maven, Aviator, Gadfly, and Geek Dad. He spent the first 18 years of his career helping design microprocessors, embedded systems, renewable energy applications, and the occasional interplanetary spacecraft. After trading his ‘scope and soldering iron for a keyboard and a second career as a tech journalist, he’s spent the next two decades at several print and online engineering publications.
Lee’s current focus is power electronics, especially the technologies involved with energy efficiency, energy management, and renewable energy. This dovetails with his coverage of sustainable technologies and various environmental and social issues within the engineering community that he began in 1996. Lee also covers 3D printers, open-source hardware, and other Maker/Hacker technologies.
Lee holds a BSEE in Electrical Engineering from Thomas Edison College, and participated in a colloquium on technology, society, and the environment at Goddard College’s Institute for Social Ecology. His book, “Green Electronics/Green Bottom Line - A Commonsense Guide To Environmentally Responsible Engineering and Management,” was published by Newnes Press.
Lee, his wife Catherine, and his daughter Anwyn currently reside in the outskirts of Princeton N.J., where they masquerade as a typical suburban family.
Lee also writes the regular PowerBites series.




