Members can download this article in PDF format.
Innovative photovoltaic inverters are key components driving growth in the solar-power market. Gallium-nitride (GaN) technology, in turn, is essential in optimizing inverter design, enabling high switching frequencies that can result in high efficiencies.
In addition, the high frequencies enable the use of compact magnetic components. This results in a twofold system power-density improvement compared to inverters with equivalent ratings that incorporate silicon insulated-gate bipolar transistors (IGBTs).
Sponsored Resources:
- Pushing the boundaries of solar energy systems with TOLL GaN
- The benefits of GaN for solar inverters
- 600W GaN-based single-phase cycloconverter design
Integrated GaN Power Stages
To help implement efficient solar inverters, Texas Instruments offers a portfolio of GaN devices. These devices can implement a variety of power-conversion topologies, including bidirectional microinverters used in solar-power systems that incorporate battery energy-storage systems (BESS).
The TI devices incorporate integrated gate drivers, as shown on the left in Figure 1. The integrated drivers minimize the switching-loop circumference, boosting efficiency to as high as 98% and providing fast turn-on and turn-off times. In contrast, implementations with separate drivers and GaN power devices exhibit large parasitic inductances, which increase switching losses and decrease efficiency.
Specific devices in the portfolio include the LMG3100R017, a single 1.7-mW GaN field-effect transistor (FET) with integrated gate driver. It offers a 100-V continuous, 120-V pulsed voltage rating. Two LMG3100R017 devices can form a half-bridge.
Alternatively, the LMG2100R044 includes two 4.4-mW GaN power devices already configured as a half-bridge with integrated gate-driver circuitry (Fig. 2). The LMG2100R044 carries a 90-V continuous, 100-V pulsed voltage rating. The gate drivers for both the LMG3100R017 and the LMG2100R044 are capable of switching at up to 10 MHz.
TOLL Packaging
While GaN offers inherent advantages in terms of switching speeds over silicon, innovative packaging technologies can further extend GaN performance. For example, TI’s transistor outline leadless (TOLL) package possesses a lower thermal resistance (RqJC) than do the transistor outline (TO)-247 or double decawatt (D2PAK) packages (see table).
You might note that the TOLL device in the table example has a higher drain-source on-resistance (RDS(ON)). However, the TO-247 device achieves its lower RDS(ON) at the expense of a larger GaN die, which can disproportionately increase output capacitance, switching losses, and cost. In addition, TI integrated GaN TOLL packages are package-compatible with discrete implementations, simplifying your ability to use multisource options.
Cycloconverter Demo
To illustrate how to apply GaN devices, Harald Parzhuber, a systems manager at TI, presents a video demonstration of a 600-W solar-panel microinverter board employing a cycloconverter topology (Fig. 3). The board supports bidirectional operation and can be used in solar-panel and BESS systems.
In the video, Parzhuber said that solar inverters traditionally have employed two stages: a DC-DC stage followed by a second stage that converts DC power to AC. However, to reduce cost, improve efficiency, and achieve a smaller form factor, the industry is moving toward single-stage converters such as the cycloconverter at the heart of his demonstration.
The cycloconverter is based on TI’s GaN technology operated by a TI C2000F28P550 digital controller. It converts a 30-V input from a solar panel to a grid-connected 230-V AC output.
For the demonstration, Parzhuber employs a power supply operating in constant-current mode to simulate a solar panel. He shows how the cycloconverter tracks and maintains operation on the simulated panel’s maximum power point (MPP), which would vary based on a real panel’s actual conditions of illumination.
The demonstration board’s DC side incorporates 100-V LMG2100 GaN devices, which generate a square-wave AC signal. That signal goes to a transformer and inductor, whose output is applied to 650-V LMG3650 output-side switches in a half-bridge configuration. The half-bridge generates a sinusoidal, grid-compatible, 230-V output voltage. Parzhuber revealed that the demonstration board achieves a 96% efficiency.
Parzhuber further pointed out that the high-voltage devices operate at temperatures of about 60°C, while the input devices are about 80°C. He said these relatively low operating temperatures are important because these types of converters tend to be mounted on the backside of solar panels and rely solely on convection cooling.
TI doesn’t sell the board used in Parzhuber’s demonstration. You can, however, obtain the TIDA-010954 600-W GaN-based single-phase cycloconverter reference design on which the board is based. (In fact, the board was developed for reference-design test and validation purposes.)
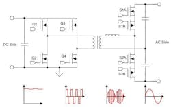
Figure 4 shows how the design’s full-bridge on the DC side converts a solar panel’s DC output (bottom left) to a square wave, which is then isolated, scaled up, and smoothed by a transformer and inductor. In the final stage, an AC side half-bridge assembles the sinusoidal, grid-compatible, 230-V output (bottom right).
TI provides documentation describing a variety of DC and AC tests using a four-channel oscilloscope and high-voltage differential probes, DC and AC power sources and loads, a power analyzer, a current probe, and a Rogowski coil. Figure 5 shows measured efficiency for the TIDA-010954 board.
Evaluation modules as well as reference designs are available from TI. The LMG3650EVM-113 daughtercard, for example, includes two 650-V LMG3650 GaN FETs in a half-bridge configuration with overtemperature protection and auxiliary circuitry. In addition, the LMG2100EVM-078 module lets you configure 100-V LMG2100 devices in buck-converter, boost-converter, or other converter topologies.
Conclusion
GaN is the key technology enabling solar-power systems. TI offers a variety of products to address the burgeoning solar-power market, ranging from GaN FETs to evaluation tools that help you reduce cost and size while improving the efficiency of your solar-inverter designs.
Sponsored Resources:






