Download this article in PDF format.
Wireless has invaded every facet of our lives. We’re tied to our smartphones with its fast 4G coverage; we can’t live without a nearby Wi-Fi access point; we depend on Bluetooth for our cord-free audio; and the Internet of Things is exploding in the home and industry. Radios are everywhere. Living without wireless is like trying to live without electrical power—not pleasant.
And don’t look now, but more and better wireless is on the way. It offers many improvements and benefits over current systems. However, it’s also more complex than ever. The challenge for design engineers is how to make radios that will serve these new wireless technologies.
Sponsored Resources:
- AD9375 Integrated, Dual, Pre-Distortion 3G/4G Transceiver
- AD9375 DPD Overview
- Analog Devices Full Product Portfolio
What’s Driving the New Wireless?
Some of main trends in wireless include:
- The ongoing introduction of new, advanced standards, with the prime example being the forthcoming 5G wireless standard.
- Maintaining 3G/4G compatibility in the cellular system while transitioning to 5G.
- The increased use of broadband modulation schemes like OFDM to achieve the higher data rates.
- The availability of more spectrum at the higher frequencies—new bands in the 3- to 6-GHz range as well as new millimeter bands from 24 to 40 GHz.
- The requirement of adding MIMO and agile beamforming. Though MIMO requires multiple radios/antennas, it delivers not only higher data rates but improved link reliability.
- The movement to multiple small cells instead of the lager macro base stations for each coverage area.
- The pressing need for lower power consumption, especially in small cells.
- Faster time-to-market.
- Lower cost.
- The continuing shortage of savvy RF design engineers.
These challenges can be addressed by identifying the right radio technology and products.
Achieving Lower Power Consumption
Two of the special requirements of small 5G cells with 3G/4G capability are low power consumption and small physical size. In addition, the 3G/4G and 5G modulation methods make linear amplifiers necessary to maintain signal integrity over a wide bandwidth and minimize harmonics, intermodulation products, and other artifacts. Linear power amplifiers are available to meet this need, but are notoriously power hungry.
Multiple solutions to improving efficiency have been conceived over the years, such as feed-forward amplifiers, Doherty amplifiers, and envelope tracking. One technique has emerged as a favorite: digital predistortion (DPD).
The DPD technique permits the use of more efficient PAs (Class B, Doherty, etc.) that would normally introduce unwanted distortions. However, in DPD the PA output with its distortion is monitored and fed back to a DSP processor that develops a predistorted signal. When fed to the PA, it will cancel the original distortion. This technique is complex in that it requires the feedback circuitry and usually an FPGA with digital-signal-processing (DSP) algorithms. It’s tricky and costly to implement. A simple, low-cost version of DPD would be welcome.
Radio Architecture
Most data radios today use the software-defined-radio (SDR) concept where the modulation and demodulation, coding, and filtering are carried out in the digital domain by a DSP or FPGA. Only the radio is a linear device that performs primarily RF amplification and up/down conversion. Several popular radio architecture formats used in SDR are superheterodyne, direct sampling, and direct conversion.
The superhet receiver method converts the incoming signal to an intermediate frequency (IF), usually a lower frequency where additional amplification and filtering occur. This format gives excellent selectivity, wide dynamic range, low noise, and high gain. Clever selection of the IF can minimize spurs, images, and interfering signals. The IF output is sent to an analog-to-digital converter (ADC) for signal digitization and DSP. As for the transmitter, the originating signal with modulation is developed at a lower IF and then upconverted to the final frequency of operation.
A lower-frequency alternative architecture is direct sampling. Here, the incoming signal is filtered and sent directly to the ADC. This technique is limited to the availability of a fast ADC that can sample the input a sufficient number of times to provide the desired resolution. Today, gigabit ADCs are available, but the application today is limited to the lower microwave frequencies’ tops. Consequently, this method isn’t widely used.
The most popular format is direct conversion. Here the incoming signal is mixed with a local oscillator signal of the same frequency. This results in a mixer output that’s the baseband signal. To deal with complex modulation methods, the incoming signal is divided in two paths and then two downconverted versions shifted by 90 degrees are generated. These are called the in-phase (I) and quadrature (Q) signals. Both are needed to demodulate and process them. The I and Q signals are then sent to ADCs and afterwards to the DSP circuits.
The transmitter implements the reverse process. The data signal is transformed by the modulation DSP into the subsequent I and Q signals. These are sent to DACs where the analog equivalents are developed, filtered, and then upconverted by mixers whose outputs are combined to form the composite RF output ready for amplification.
A Product Solution
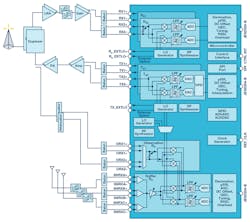
Finding a product or products that meet the needs of these advanced wireless applications is the real challenge for the designer. But products are available, such as Analog Devices’ new AD9375 RF transceiver with DPD. This IC, part of the company’s RadioVerse series, is derived from the AD9371, a pin-compatible dual transceiver with similar specifications but without the DPD. The figure shows a block diagram of the AD9375.
The AD9375 developed by Analog Devices is a single-chip RF transceiver with dual transmitters and receivers that operate in the 300-MHz to 6-GHz range. Designed for 3G/4G small-cell basestations and other data radios, the device integrates the digital-predistortion (DPD) linearization technique that permits the use of more efficient external power amplifiers.
This device contains two differential direct-conversion receivers (RX) and two differential direct-conversion transmitters (TX). The operational frequency range is 300 MHz to 6 GHz, with a receive bandwidth to 100 MHz and a transmit synthesis bandwidth to 250 MHz. A PLL synthesizer provides the local oscillator input to the radios. TX output power is 250 mW. The device supports 3G, 4G, and 5G waveforms.
Also on-chip is an observation receiver that’s typically used to monitor the transmitter output and provide input to the DPD circuits. In addition, there’s a sniffer receiver that can monitor radio activity on up to three different signals on different frequencies.
As for the DPD, it’s fully integrated as well. Note the DPD block in the TX section of the device (see figure, again). It provides the creation of the corrective distortion cancellation signals. The DPD capability allows for more efficient external PAs to be used, thereby decreasing the radio’s power consumption.
Interfaces for this device include three JESD204B ports, an SPI port, and a general 4-line control interface. Every effort has been made to reduce the power consumption to a minimum level. Evaluation kits and a reference design are available to help speed up development.
While the AD9375 directly addresses the migration from current 3G/4G standards to 5G, its generic design fits many other radio needs, such as those targeting the aerospace and military sectors.
Sponsored Resources:
- AD9375 Integrated, Dual, Pre-Distortion 3G/4G Transceiver
- AD9375 DPD Overview
- Analog Devices Full Product Portfolio
Related Resources:
About the Author

Lou Frenzel
Technical Contributing Editor
Lou Frenzel is a Contributing Technology Editor for Electronic Design Magazine where he writes articles and the blog Communique and other online material on the wireless, networking, and communications sectors. Lou interviews executives and engineers, attends conferences, and researches multiple areas. Lou has been writing in some capacity for ED since 2000.
Lou has 25+ years experience in the electronics industry as an engineer and manager. He has held VP level positions with Heathkit, McGraw Hill, and has 9 years of college teaching experience. Lou holds a bachelor’s degree from the University of Houston and a master’s degree from the University of Maryland. He is author of 28 books on computer and electronic subjects and lives in Bulverde, TX with his wife Joan. His website is www.loufrenzel.com.

