Pocket-Sized White-Noise Generator Quickly Tests Circuit’s Response
Download this article in PDF format.
The behavior of analog circuits can often be characterized by sweeping their inputs with a signal going across a range of frequencies and then observing the output. These sweeps can be composed of discrete input frequencies or a swept sine.
For the first option, extremely low-frequency sine waves (below 10 Hz) are difficult to produce cleanly, and usually requires a processor, digital-to-analog converter (DAC), and some complex, precise filtering to produce relatively clean sine waves. Further, for each frequency step, the system must settle, making the sequential full sweep with many frequencies into a slow process. The faster option is to test at fewer discrete frequencies, but increases the risk of skipping over critical frequencies where high-Q phenomena reside.
In contrast, a white-noise generator is simpler and faster than a swept sine wave because it effectively produces all frequencies at the same time with the same amplitude. Imposing white noise at the input of a device under test (DUT) can quickly produce an overview of the frequency response over an entire frequency range. In this case, there’s no need for expensive or complex swept sine-wave generator—simply connect the DUT output to a spectrum analyzer and watch. Using more averaging and longer acquisition times produces a more accurate output response across the frequency range of interest.
The expected response of the DUT to white noise is frequency-shaped noise. Using white noise in this fashion can quickly expose unexpected behavior such as weird frequency spurs, strange harmonics, and undesirable frequency-response artifacts. Furthermore, a white-noise generator allows a careful engineer to test a tester. Lab equipment that measures frequency response should produce a flat noise profile when measuring a known, flat white-noise generator.
On the practical side, a white-noise generator is easy to use, small enough for compact lab setups, portable for field measurements, and inexpensive. Quality signal generators with myriad settings are attractively versatile. However, versatility can hamper quick frequency-response measurements. A well-designed white-noise generator requires no controls, yet produces a fully predictable output.
Noisy Discussion
Resistor thermal noise, sometimes called Johnson noise or Nyquist noise, arises from thermal agitation of charge carriers inside a resistor. This noise is approximately white, with nearly Gaussian distribution. In electrical terms, the noise voltage density VNOISE is given by:
VNOISE = √(4kBTR)
where kB is the Boltzmann’s constant, T is the temperature in Kelvin, and R is the resistance. Noise voltage arises from the random movement of charges flowing through the basic resistance, a sort of R × INOISE. Table 1 shows examples at 20°C.
A 10-MΩ resistor, then, represents a 402 nV⁄√Hz wideband voltage-noise source in series with the nominal resistance. A gained up, resistor-derived noise source is fairly stable as a lab test-noise source, as R and T variations affect noise only by the square root. For instance, a change of 6°C from 20°C is a change of 293 kΩ to 299 kΩ. Because noise density is directly proportional to the square root of temperature, a change of 6°C temperature leads to a relatively small 1% noise density change. Similarly, with resistance, a 2% resistance change leads to a 1% noise density change.
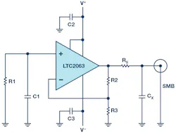
In Figure 1, a 10-MΩ resistor R1 generates white, Gaussian noise at the positive terminal of an op amp, while resistors R2 and R3 increase the gain of the noise voltage to the output. Capacitor C1 filters out chopper-amplifier charge glitches. The output is a 10-µV/√Hz white-noise signal.
1. In this white-noise generator, the low-drift micropower LTC2063 op amp amplifies the Johnson (thermal) noise of R1.
The gain (1 + R2/R3) is high at 21 V/V in this example. Even if R2 is high (1 MΩ), the noise from R2 compared to the gained-up R1 noise is inconsequential.
An amplifier for the circuit must have sufficiently low input-referred voltage noise so as to let R1 dominate as the noise source. The reason is that the resistor noise should dominate the overall accuracy of the circuit, not the amplifier. An amplifier for the circuit must have sufficiently low input-referred current noise to avoid (IIN × R2) to approach (R1 noise × gain) for the same reason.
How Much Amplifier Voltage Noise Is Acceptable in the White-Noise Generator?
Table 2 shows the increase in noise from adding independent sources. A change from 402 nV⁄√Hz to 502 nV⁄√Hz is only 1.9 dB in log volts, or 0.96 power dB. With op-amp noise at ~50% of the resistor noise, a 5% uncertainty in op-amp VNOISE changes the output noise density by only 1%.
A white-noise generator could use only an op amp without a noise-generating resistor. Such an op amp must exhibit a flat noise profile at its input. However, the noise voltage is often not accurately defined and has a large spread over production, voltage, and temperature. Other white-noise circuits may operate based on a Zener diode with far-less predictable characteristics. Finding an optimal Zener diode for stable noise with microamps of current can be difficult, however, particularly at low voltage (<5 V).
Some high-end white-noise generators are based on a long pseudorandom binary sequence (PRBS) and special filters. Using a small controller and DAC may be adequate; however, making sure that the DAC doesn’t produce settling glitches, harmonics, or intermodulation products is something for experienced engineers. Moreover, choosing the most appropriate PRBS sequence adds complexity and uncertainty.
A Low-Power Zero-Drift Solution
Two design goals dominated this project:
- An easy-to-use white-noise generator must be portable and most likely battery-powered, which means micropower electronics.
- The generator must provide uniform noise output even at low frequencies, below 0.1 Hz and
The prototype (Fig.2) and the layout (Fig. 3) show the compact generator implementation that was achieved.
2. The prototype of the pocket-size white-noise generator shows its compact layout, both a convenience as well as a necessity for effective operation.
3. The schematic tells only part of the generator story, as the layout affects—and is affected by—EMI considerations.
The LTC2063, a low-power, zero-drift op amp, met these requirements and other critical constraints. The noise voltage of a 10-MΩ resistor is 402 nV⁄√Hz; that of the LTC2063 is roughly half. The noise current of a 10-MΩ resistor is 40 fA⁄√Hz; the LTC2063’s is less than half. The LTC2063 fits neatly into a battery application due to its typical supply current of 1.4 µA, while the supply can go down to 1.7 V (rated at 1.8 V). This is important since low-frequency measurements by definition require long settling times; therefore, this generator must remain powered by a battery for extended periods of time. The noise density of the LTC2063 input is roughly 200 nV⁄√Hz, and noise is predictable and flat over the frequency range (within ±0.5 dB). Assuming that the LTC2063’s noise is 50% of thermal noise and op-amp voltage noise changes 5%, output noise density changes only 1%.
Zero-drift op amps don’t have zero 1/f noise by design. Some are better than others and, especially for current noise, it’s more common that the wideband specification is wrong or that 1/f noise is much higher than suggested in the datasheet. For some zero-drift op amps, the datasheet noise plot doesn’t go down to the MHz-frequency region, possibly masking 1/f noise.
A chopper-stabilized op amp could be a solution to keep the noise flat at very low frequency. However, the high-frequency “noise bump” and switching noise must not spoil the performance. The data shown here supports the use of LTC2063 in the face of these challenges.
Circuit Description and Implementation Details
Thin-film resistor R1 (Vishay/Beyschlag MMA0204 10 MΩ) generates most of the noise. The MMA0204 is one of few 10-MΩ options to combine high quality with low cost. In principle, R1 could be any 10-MΩ device as signal current is very small, so 1/f noise can be neglected. It’s best to avoid low-cost thick-film chips of questionable accuracy or stability for the primary element of this generator. For best accuracy and long-term stability, R2, R3, or RS should be 0.1% thin film—for example, TE CPF0603. Capacitors C2 and C3 can have almost any dielectric; C0G (NPO) dielectric devices can be used to guarantee low leakage current.
For best EMI rejection, the loop area formed by R1/C1/R3 should be minimized. In addition, R1/C1 should be very well shielded from electrical fields (discussed further below in the EMI Considerations section). Although not critical, R1 should be shielded from large temperature changes. With good EMI shielding, thermal shielding is often adequate.
The LTC2063 rail-to-rail input-voltage transition region of the common-mode voltage VCM range should be avoided, as crossover may result in higher, less-stable noise. For best results, use at least 1.1 V for V+ with the input at 0-V common mode.
Note that a value for RS of 10 kΩ may seem high, but the micropower LTC2063 presents a high output impedance; even 10 kΩ doesn’t fully decouple the LTC2063 from load capacitance at its output. For this white-noise generator circuit, some output capacitance that leads to peaking can be a design feature rather than a hazard. The output sees 10-kΩ RS and a 50-nF CX to ground. This capacitor CX will interact with the LTC2063 circuit, resulting in some peaking in the frequency response. Such peaking can be used to extend the flat bandwidth of the generator, in much the same way that port holes in loudspeakers attempt to expand the low end. A high-impedance load is assumed (>100 kΩ), as a lower-Z load would significantly reduce the output level and may affect peaking.
Optional Tuning
Several IC parameters (for example, ROUT and gain-bandwidth) affect flatness at the high-frequency limit. Without access to a signal analyzer, the recommended value for CX is 47 nF, which typically yields 200 Hz to 300 Hz (–1 dB) bandwidth. Nevertheless, CX can be optimized for either flatness or bandwidth, with CX = 30 nF to 50 nF as typical values. For wider bandwidth and more peaking, use a smaller CX; for a more damped response, use a larger value. Critical IC parameters are related to op-amp supply current. Parts with low supply current may require a somewhat larger CX, while parts with high supply current most likely require less than 30 nF while achieving wider flat bandwidth.
Plots highlight how CX values affect closed-loop frequency response. Output noise density vs. CX (at RS = 10-kΩ, ±2.5-V supply) is shown in Figure 4. The output RC filter is effective in eliminating clock noise. The plot shows output vs. frequency for CX = 0 and CX = 2.2 nF, 10 nF, 47 nF, and 68 nF.
4. Output noise density of basic design shows peaking with various values of CX.
Using CX = 2.2 nF results in mild peaking, while peaking is strongest for CX = 10 nF, gradually decreasing for larger CX. The trace for CX = 68 nF shows no peaking, but it has visibly lower flat bandwidth. The best result is for CX ~ 47 nF; clock noise is three orders of magnitude below signal level. Due to limited vertical resolution, it’s impossible to judge with fine precision the flatness of output amplitude vs. frequency. This plot was produced using ±2.5-V battery supply, though the design allows the use of two coin cells (about ±1.5 V).
Figure 5 shows flatness magnified on the Y-axis. For many applications, flatness within 1 dB is enough to be useful and <0.5 dB is exemplary. Here, CX = 50 nF is best (RS = 10 kΩ, VSUPPLY ±1.5 V); CX = 45 nF, although 55 nF is acceptable.
5. This “zoomed-in” view of output noise density highlights the achieved flatness.
High-resolution flatness measurements take time; this plot from 10 Hz to 1 kHz with 1000 averages requires about 20 minutes per trace. The standard solution uses CX = 50 nF. The traces shown for 43 nF, 47 nF, and 56 nF, all CX < 0.1% tolerance, show a small but visible deviation from best flatness. The orange trace for CX = 0 was added to show that peaking increases flat bandwidth (for Δ = 0.5 dB, from 230 Hz to 380 Hz).
Using two 0.1-µF C0G capacitors in series is probably the simplest solution for an accurate 50-nF value. A 0.1-µF C0G 5% 1206 component is easy to procure from Murata, TDK, and Kemet. Another option is a 47-nF C0G (1206 or 0805); this part is smaller but may not be as commonly available. As stated prior, optimum CX varies with actual IC parameters.
Flatness was also checked versus supply voltage (Fig. 6). The standard circuit is ±1.5 V; changing the supply voltage to ±1.0 V or ±2.5 V shows a small change in peaking as well as a small change in the flat level (due to VN changing vs. supply, with thermal noise dominant). Both peaking and flat level change ~0.2 dB over the full range of supply voltage. The plot suggests good amplitude stability and flatness when the circuit is powered from two small batteries.
6. Output noise density shows only a slight change in peaking for various supply voltages.
For this prototype with a ±1.5-V supply, flatness was within 0.5 dB up to approximately 380 Hz. At ±1.0-V supply, flat level and peaking slightly increase. For ±1.5- to ±2.5-V supply voltage, the output level doesn’t visibly change. Total V p-p (or VRMS) output level depends on the fixed 10 µV⁄√Hz density, as well as on bandwidth. For this prototype, the output signal is ~1.5 mVp-p.
At some very low frequency (MHz range), noise density may increase beyond the specified 10 µV⁄√Hz. For this prototype, it was verified that at 0.1 Hz, noise density is still flat at 10 µV⁄√Hz. In stability versus temperature, thermal noise dominates. Thus, for T = 22(±6)°C, the amplitude change is ±1%, a change that would barely be visible on a plot.
EMI Considerations
The prototype uses a small copper foil with Kapton insulation as a shield. This foil, or flap, is wrapped around the input components (10 MΩ + 22 pF) and soldered to ground on the PCB backside. Changing the position of the flap has a significant effect on sensitivity to EMI and risk of low-frequency (LF) spurs. Experimentation suggests that LF spurs that occasionally show are due to EMI, and spurs can be prevented with very good shielding. With the flap, the prototype gives a clean response in the lab, without any additional mu-metal shielding. No mains noise or other spurs appear on a spectrum analyzer. If excess noise is visible on the signal, additional EMI shielding might be needed.
When an external power supply is used instead of batteries, common-mode current can easily add to the signal. It’s recommended to connect the instrument grounds with a solid wire and use a CM choke in the supply wires to the generator.
Limitations of the Design
There are always applications that require more bandwidth, such as the full audio range or ultrasound range. More bandwidth isn’t realistic on a few microamps of supply current. With approximately 300 to 400 Hz of flat bandwidth, the LTC2063 resistor noise-based circuit could be useful to test some instruments for 50-/60-Hz mains frequency, perhaps geophone applications. The range is suitable for testing various VLF applications (for example, sensor systems), as the frequency range extends down to <0.1 Hz.
The output signal level is low (<2 mV p-p). A follow-on LTC2063 configured as a noninverting amplifier with a gain of five and further RC-output filter can provide a similarly well-controlled flat, wideband-noise output to 300 Hz with larger amplitude. If the closed-loop frequency range isn’t maximized, a capacitor across the feedback resistor can lower the overall bandwidth. In this case, the effects of RS and CX will have less, or even negligible, effect at the edge of the closed-loop response.The white-noise generator described here is a small but essential tool. With long measurement times—the norm for low-frequency applications—a simple, reliable, pocketable device that can produce near instantaneous circuit characterization is a welcome addition to the engineer’s toolbox. Unlike complex instruments with numerous settings, this generator requires no user manual.
This particular design features low supply current, essential for battery-powered operation in long-duration VLF application measurements. When supply current is very low, there’s no need for on/off switches. A generator that works on batteries also prevents common-mode currents.
The LTC2063 low-power, zero-drift op amp used in this design is the key to meeting the constraints of the project. Its features enable use of a noise-generating resistor gained up by a simple, noninverting op-amp circuit.
Aaron Schultz is Applications Engineering Manager at Analog Devices Inc., and Peter Haak is a consultant specializing in sensors and instrumentation.
About the Author
Aaron Schultz
Applications Engineering Manager
Aaron Schultz is an applications engineering manager whose multiple system engineering roles in both design and applications have exposed him to topics ranging across battery management, photovoltaics, dimmable LED drive circuits, low voltage and high current dc-to-dc conversion, high-speed fiber-optic communication, advanced DDR3 memory R&D, custom tool development, validation, and basic analog circuits, while over half of his career has been spent in power conversion. He graduated from Carnegie Mellon University in 1993 and MIT in 1995. By night he plays jazz piano.
Peter Haak
Consultant
Peter Haak started in electronic development in 1986 and since 1993, he has worked as an independent consultant specializing in sensors and instrumentation. He has worked with many different customers, from small enterprises to large companies and scientific institutions. Peter lives in the center of 's-Hertogenbosch in the Netherlands next to St. Jan cathedral and shares his apartment with seven HP3562A signal analyzers.
Voice Your Opinion!
To join the conversation, and become an exclusive member of Electronic Design, create an account today!

Leaders relevant to this article:









