Are You Prepared for the New Audio/Video EMC Standards?
In the continuing evolution and refinement of the CE Marking process for Europe, manufacturers of professional audio/video equipment are being affected by two new harmonized product family standards. EN 55103-1 for emissions and EN 55103-2 for immunity both pertain to professional audio, video, audio-visual, and entertainment lighting control apparatus.
These standards were harmonized in 1996 with a transition and implementation date of Sept. 1, 1999. Previously, professional audio/video manufacturers typically tested to the consumer audio/video standards EN 55013 for emissions and EN 55020 or EN 50082-1 for immunity.
Professional apparatus is defined by the new standards as that used in trades, professions, or industries not intended for sale to the general public. For clarification, the new standards only apply to professional products and not to consumer audio/video products.
If your product is intended for sale to consumers, then you are not affected by these new standards. However, in many instances, audio/video products sold in consumer-type stores are purchased and used by professionals. We recommend that these types of products be tested for the worst-case environment, specifically the new professional audio/video standards. But the ultimate decision is the manu-facturer’s responsibility.
The new standards contain many detailed notes that determine which tests apply or do not apply depending on certain parameters. We are presenting a general comparison between the old and the new standards. You should carefully review the standards for details pertaining to your equipment.
Emissions Requirements
The old and the new emissions requirements are listed in Table 1. If you are affected by these new standards, be forewarned that they are much more complicated and involve much more testing than the consumer standards. For example, for most products where only conducted and disturbance-power emissions tests were mandated by the old standards, the new standards require as many as seven.
Table 1. Comparison of Old and New Standards for Emissions Testing
|
Test Condition |
Old |
New |
| Conducted Emissions, 0.15 to 30 MHz (AC power port) | Yes | Yes |
| Disturbance Power, 30 to 300 MHz or an OATS radiated emission | Yes | Yes |
| Magnetic Field, 50 Hz to 50 kHz | No | Yes |
| Discontinuous Interference |
No | Yes |
| Harmonics and Flicker |
No* | Yes |
| Inrush Current | No | Yes |
| Conducted Emissions, 0.15 to 30 MHz (signal, control, DC power ports) | No | Yes |
*Only consumer products were required to be tested for harmonics and flicker per the old standard.
The magnetic field test is broken into two other tests depending on whether the unit is rack-mountable or freestanding. Also, conducted emissions now must be performed on all cables.
There also is a great deal of confusion about the harmonics and flicker requirements. Many test labs told customers that they must meet the harmonics and flicker requirements by Sept. 1, 1999, since this was the date of implementation for EN 55103-1. However, this was not true.
EN 55103-1 references EN 61000-3-2 and EN 61000-3-3 which are not mandatory until Jan. 1, 2001. As a result, harmonics and flicker are not required until Jan. 1, 2001. This is inferred by paragraph 2, Normative References, which states that for “undated references, the latest edition of the publication referred to applies.”
European authorities have confirmed this interpretation. Again, we recommend that you perform the harmonics and flicker tests—especially if you have never tested for this requirement before—and then decide which direction to go. This could save you headaches in trying to meet this sometimes difficult requirement in such a short time span.
Immunity Requirements
Immunity requirements possibly are the biggest changes for professional audio/video products. For the old standard, usually only four tests were performed. But now as many as 12 tests may be required (Table 2).
Table 2. Comparison of Old and New Standards for Immunity Testing
| Test Condition | Old | New |
| Radiated Immunity, 80 to 1,000 MHz | Yes* | Yes |
| Electrostatic Discharge | Yes* | Yes |
| Magnetic Field, 50 Hz to 10 kHz | No | Yes |
| Electrical Fast Transients (AC power) | Yes* | Yes |
| Electrical Fast Transients (DC power) | No | Yes |
| Electrical Fast Transients (signal and control ports) | Yes* | Yes |
| Audio Frequency Common-Mode, 50 Hz to 10 kHz (balanced input and control ports) |
No | Yes |
| Conducted Immunity (AC power) | No | Yes |
| Conducted Immunity (DC power) | No | Yes |
| Conducted Immunity (signal and control ports) | No | Yes |
| Voltage Dips and Interrupts |
No | Yes |
| Surge | No | Yes |
*Most manufacturers performed no immunity testing since, for associated equipment, the limits were under consideration or they performed the generic immunity standard, EN 50082-1.
Once again, the magnetic-field immunity test is broken into two types depending on whether the unit is rack-mountable. Also, several of the tests must be performed on signal, control, and DC power ports as well.
New Tests and Requirements
There are two new tests called out in the standards: inrush current and audio frequency common-mode. The inrush current test is a measure of the peak input current as a reaction to a voltage interruption per EN 61000-4-11. The input voltage to the power supply is reduced by at least 95% for 5 s. This interruption begins and ends at a zero crossing of the 60-Hz AC supply.
The inrush current can be measured using a digital storage oscilloscope or the calibrated current monitor output of the test-interruption generator. The peak inrush current should be less than or equal to 10 times the rating of the audio/video equipment’s overcurrent protection device.
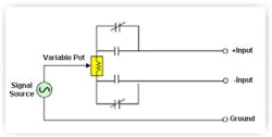
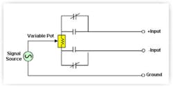
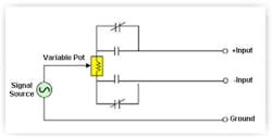
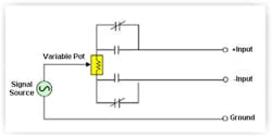
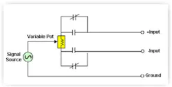
Figure 1
The audio frequency common-mode test is a bit more complicated and requires two different types of tests. One simulates capacitive noise coupling (Figure 1), and the other simulates magnetic noise coupling (Figure 2). They must be performed on balanced signal and control ports. The manufacturer declares which ports are considered to be balanced.
Environments
Adding to the confusion of these new standards is the introduction of the environment, another factor that determines which tests are required. Different environments are defined as:
- E1-Residential.
- E2-Commercial and light industrial, including theaters, for example.
- E3-Urban outdoors.
- E4-Controlled EMC environment such as broadcasting or recording studios or rural outdoor environment.
- E5-Heavy industrial or close to broadcast transmitters.
You must select the environment and the assessment of the immunity criteria. EN 55103-2 Annex D does provide a guide to help determine appropriate immunity requirements.
Conclusion
EN 55103-1 and EN 55103-2 supersede earlier harmonized standards for professional audio/video equipment. The biggest impact is in the immunity requirements. Many of these new immunity tests probably have never been performed before so results are unknown.
About the Author
Ed Nakauchi is a consultant to Garwood Laboratories. He has 30 years experience in the engineering field and has provided design support to logic designers, printed circuit designers, test engineers, and mechanical engineers in the military/aerospace and commercial audio/computer/medical companies for many years. Mr. Nakauchi holds B.S.E.E. and M.S.E.E. degrees and is a NARTE-Certified EMC/ESD engineer with a senior membership in the IEEE EMC Society. Garwood Laboratories, World Compliance Division, 565 Porter Way, Placentia, CA 92870, (714) 572-2027.
Return to EE Home Page
Published by EE-Evaluation Engineering
All contents © 2000 Nelson Publishing Inc.
No reprint, distribution, or reuse in any medium is permitted
without the express written consent of the publisher.
April 2000
About the Author
Voice Your Opinion!
To join the conversation, and become an exclusive member of Electronic Design, create an account today!

Leaders relevant to this article:


