Brushed-Motor Drivers Target Automotive Needs with Functions, Protection, Diagnostics
You have to feel some “component empathy” for the humble brushed dc motor. On one side, it’s the oldest dc-motor approach, is well understood, widely used, and runs directly from a dc-power rail without the need for any driver “electronics.” On the other side, it doesn’t get a lot of respect—after all, it has those “nasty” contact brushes that eventually wear out (as can the matching rotor contacts) and can cause visible sparks along with invisible but substantial EMI/RFI. In the early days, the only way to control it was to adjust the applied dc voltage. However, dropping that voltage reduced RPM (as intended) and severely impacted its torque.
In contrast, brushless dc and stepper motors now get most of the attention and design-in consideration, as they’re very controllable along with their other attributes. Despite this, brushed motors are still used in the countless millions. Not only are they inexpensive yet adequate for less critical applications such as toys, but they’re a cost-effective and very viable solution when used in applications with constrained, defined velocity and torque requirements. By adding a sophisticated driver rather than just a raw dc source, they can be effectively controlled and thus offer the best solution in many cases.
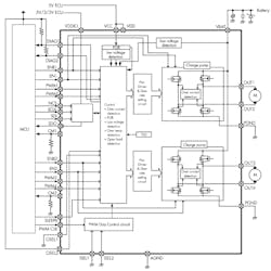
That’s where ICs such as the TB9053FTG and TB9054FTG from Toshiba Electronic Devices & Storage Corporation (Toshiba) can help (see figure). These pulse-width-modulated (PWM) two-channel drivers for brushed dc motors are optimized for automotive applications such as throttle valve control, engine valves, retractable door mirrors, seat positioning, and door latches.
The monolithic silicon drivers can deliver up to 6.5 A (typical)/10 A (maximum) with an RDS(ON) of 142 mΩ at a junction temperature TJ of 25°C and VBAT = 8 V. Using the SPI interface of these drivers, the system microcontroller is able to control speed as well as set Forward, Reverse, Stop, and Brake modes. Speed also can be controlled directly by a PWM-based duty cycle. The ICs are pin-selectable for H-bridge or half-bridge mode.
As these ICs target automotive applications, built-in capabilities for monitoring, protection, and diagnostics are especially critical (some of which might even lead directly to a “check engine” light). Detection features include those for overcurrent, overtemperature, VBAT undervoltage, and VCC undervoltage, among others, along with appropriate short-circuit and other protections.
Reported diagnostics include a power-supply fault-detection circuit, open-load detection during operational and non-operational modes, load shorts, and more. There’s also a diagnostic pin for each channel that when used in conjunction with other pins, can report any specifics of the situation to the MCU when the various problems do occur.
Devices on the SPI bus can be connected in parallel or a daisy-chain configuration with the usual tradeoff between pin-count data-transfer rates. In the former case, a communication clock (SCLK), a data output (SDO), and a data input (SDI) are connected in parallel, while the external MCU (Master) assigns an independent chip-select signal to each driver to enable individual access (more MCU I/O ports are needed, but faster loading). In the daisy-chain mode, data from the MCU is clocked and propagates serially through all of the connected drivers, thus requiring far fewer MCU I/O pins but resulting in longer time to load data into the target driver IC.
The company’s preliminary 36-page shared datasheet provides details on both the drivers’ power-side, load-facing static and dynamic performance, as well as many tables specifying operating modes, I/O pin functions and combinations, diagnostics, and status for the MCU side. Both drivers are in 40-small flat packages: a QFN40 (quad-flat non-leaded) package for the TB9053FTG and VQFN40 (very thin QFN) for the TB9054FTG.
About the Author

Bill Schweber
Contributing Editor
Bill Schweber is an electronics engineer who has written three textbooks on electronic communications systems, as well as hundreds of technical articles, opinion columns, and product features. In past roles, he worked as a technical website manager for multiple topic-specific sites for EE Times, as well as both the Executive Editor and Analog Editor at EDN.
At Analog Devices Inc., Bill was in marketing communications (public relations). As a result, he has been on both sides of the technical PR function, presenting company products, stories, and messages to the media and also as the recipient of these.
Prior to the MarCom role at Analog, Bill was associate editor of their respected technical journal and worked in their product marketing and applications engineering groups. Before those roles, he was at Instron Corp., doing hands-on analog- and power-circuit design and systems integration for materials-testing machine controls.
Bill has an MSEE (Univ. of Mass) and BSEE (Columbia Univ.), is a Registered Professional Engineer, and holds an Advanced Class amateur radio license. He has also planned, written, and presented online courses on a variety of engineering topics, including MOSFET basics, ADC selection, and driving LEDs.

