Level-Translator IC Performs Vital Interface Task for Automotive Systems
We’ve all seen this situation in designs with many functional blocks and ICs: There’s a component that doesn’t add a lot of signal-processing “value,” yet is nonetheless critical to successful circuit operation. That’s the case with level shifters and translators, whose task is to “merely” enable system subcircuits to properly interface with each other, yet not judge or modify the bit patterns passing through them. What they do is important and can often make the difference between a system with subfunctions that don’t “play well with others,” resulting in marginal or erratic performance, versus one with rock-solid operation.
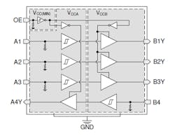
Addressing such circuit-interface scenarios with disparate signal levels and drive is Texas Instruments’ TXU0304-Q1, an automotive-qualified, four-bit voltage-level translator (Fig. 1). This 14-pin device, available in two package styles, operates from two independent supplies (for input and output sides) and functions as a fixed-direction, noninverting, voltage-level translation unit. Three paths go in one direction while the fourth is in the reverse direction.
By employing this IC, digital signals with incompatible levels can not only coexist, but they also can communicate at up to 200 Mb/s. Applications range from relatively slow cases like eliminating noisy input signals, driving indicator LEDs or buzzers, and debouncing mechanical switches, to much faster ones such as push-pull level shifting of GPIO, I2S, PCM, UART, SPI, and JTAG signals, among others (Fig. 2).
Each port can accept signals from 1.1 to 5.5 V. To enhance performance and improve resistance to noise associated with these slower signals, each input incorporates a Schmitt trigger. The inputs include pull-down resistors to ensure that channels aren’t “floating” (inputs left floating represent poor engineering practice and can lead to false signals—and even electrical damage).
In addition, the device includes a VCC isolation and VCC disconnect (Ioff-float) feature such that if either VCC input falls below 100 mV or disconnects, all outputs are disabled and become high-impedance nodes (Fig. 3). The output-side drive delivers up to 12 mA with a 5.5-V supply. Overall current requirements are just 3 µA maximum (at 25°C) and 6 µA maximum (−40 to 125°C).
Latch-up performance exceeds 100 mA (per JESD 78, class II), while ESD protection exceeds JESD 22 (per the 2500-V human-body model and 1500-V charged-device model). The TXU0304-Q1 is fully AEC-Q100-qualified for automotive applications and priced at $0.30 (1,000 pieces). The detailed 34-page datasheet provides full static and dynamic specifications and graphs along with a suggested PCB layout for optimum performance.
While a conventional component-laden evaluation kit doesn’t make sense for a product such as this one, potential users may still want to assess its suitability in their application. TI offers two bare, generic carrier PCBs to match the two available 14-lead housings of the TXU0304-Q1: the VQFN (3.00- × 2.50-mm footprint) package and TSSOP (5.00- × 4.40-mm footprint) package.
The 14-24-LOGIC-EVM is designed to support any logic device that has a D, DW, DB, NS, PW, P, N, or DGV package in a 14- to 24-pin count (Fig. 4a), while the 14-24-NL-LOGIC-EVM is for any logic or translation device in a BQA, BQB, RGY (also 14-to-24 pins), RSV, RJW, or RHL package (Fig. 4b). These boards have sections that can be broken apart for a smaller form factor.
About the Author

Bill Schweber
Contributing Editor
Bill Schweber is an electronics engineer who has written three textbooks on electronic communications systems, as well as hundreds of technical articles, opinion columns, and product features. In past roles, he worked as a technical website manager for multiple topic-specific sites for EE Times, as well as both the Executive Editor and Analog Editor at EDN.
At Analog Devices Inc., Bill was in marketing communications (public relations). As a result, he has been on both sides of the technical PR function, presenting company products, stories, and messages to the media and also as the recipient of these.
Prior to the MarCom role at Analog, Bill was associate editor of their respected technical journal and worked in their product marketing and applications engineering groups. Before those roles, he was at Instron Corp., doing hands-on analog- and power-circuit design and systems integration for materials-testing machine controls.
Bill has an MSEE (Univ. of Mass) and BSEE (Columbia Univ.), is a Registered Professional Engineer, and holds an Advanced Class amateur radio license. He has also planned, written, and presented online courses on a variety of engineering topics, including MOSFET basics, ADC selection, and driving LEDs.
Voice Your Opinion!
To join the conversation, and become an exclusive member of Electronic Design, create an account today!

Leaders relevant to this article:




