Automotive-Alternator Regulator Embeds Advanced Functionality, LIN Interface
The days of a simple dc-charging subsystem in a car consisting of an alternator, rectifying diodes, basic regulator, and battery are nearly gone—no question of that. Now, the 12-V automotive regulator must do more than just that basic function. It has to provide better regulation (perhaps using closed-loop control), deal with adverse operating scenarios, work with different alternator arrangements, and even provide a basic network capability. (Keep in mind that legacy 12-V subsystems are present in many vehicles, even pure EVs, for lower-power and accessory functions.)
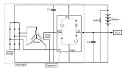
If you have any doubts, take a look at the L9918 from STMicroelectronics. Within the device’s simple-looking five-lead package are an alternator-voltage regulator for 12-V systems with enhanced features to ensure the stability of the vehicle’s electrical systems, plus a LIN protocol interface (Fig. 1). It also includes nonvolatile-memory (NVM) cells for programmability of device parameters, making it suitable for a wide range of charging applications.
The regulator contains a MOSFET to deliver the alternator excitation current and a freewheeling diode to handle the rotor current when excitation is turned off. Closed-loop operation with load response control (LRC) and return LRC maintains a consistent voltage as the vehicle’s overall power demand changes continuously—a critical regulator function.
The excitation MOSFET can deliver up to 13 A to the coil, which is more than typical alternator regulators can provide, thus improving response to fluctuating demands. With its integrated NVM, the L9918 allows customers to program key parameters, including the voltage set point and alternator characteristics. It can be used with alternators that have up to nine pole-pairs, delivering more flexibility to address a wide variety of charging applications than offered by other regulators (Fig. 2).
The Local Interconnect Network (LIN) bus interface provides easy connection to the vehicle’s electrical/electronic “infrastructure,” which is enabled by the external electronic control unit (ECU). The settings of ECU commands include the target voltage and status and diagnostic information.
Safety and fail-safe features of the L9918 include self-start activation by the phase signal, which independently maintains the alternator voltage set point if the LIN connection is lost for any reason. The regulator returns control to the ECU when communication is restored. Current limitation, overcurrent protection, and thermal protection also are built-in, as is thermal compensation that automatically adjusts the target voltage as the system temperature changes.
A state diagram manages the device’s operation (Fig. 3). Clearly, it’s orders of magnitude more complex and sophisticated than the crude relay-based regulators of the early automobile days (admittedly effective for their time and place) and even the solid-state ones of recent vehicles.
If you have any doubts about the functional complexity and sophistication of this device, check out its 109-page datasheet. In addition to being AEC-Q100 qualified, the L9918 is ISO26262 compliant, ASIL-B ready for use in functional-safety systems, and compliant with the VDA (Verband der Automobilindustrie) LIN Alternator Regulator specification. It’s offered as bare die as well as being housed in the inline TO220-5 package (Fig. 4). Prices start at $6.12 (1,000 pieces).
Reference
STMicroelectronics, “Battery Management in Electric Vehicles” (a 6-minute video, scroll down).
About the Author

Bill Schweber
Contributing Editor
Bill Schweber is an electronics engineer who has written three textbooks on electronic communications systems, as well as hundreds of technical articles, opinion columns, and product features. In past roles, he worked as a technical website manager for multiple topic-specific sites for EE Times, as well as both the Executive Editor and Analog Editor at EDN.
At Analog Devices Inc., Bill was in marketing communications (public relations). As a result, he has been on both sides of the technical PR function, presenting company products, stories, and messages to the media and also as the recipient of these.
Prior to the MarCom role at Analog, Bill was associate editor of their respected technical journal and worked in their product marketing and applications engineering groups. Before those roles, he was at Instron Corp., doing hands-on analog- and power-circuit design and systems integration for materials-testing machine controls.
Bill has an MSEE (Univ. of Mass) and BSEE (Columbia Univ.), is a Registered Professional Engineer, and holds an Advanced Class amateur radio license. He has also planned, written, and presented online courses on a variety of engineering topics, including MOSFET basics, ADC selection, and driving LEDs.
Voice Your Opinion!
To join the conversation, and become an exclusive member of Electronic Design, create an account today!

Leaders relevant to this article:




