Mesh Networking: A Simpler Path to Effective EV Battery Management
Download this article in PDF format.
The popularity of electric and hybrid vehicles has led to new embedded solutions that augment battery-management reliability. Wireless battery-management systems (BMSs) are being developed to further improve the safety and reliability of automotive batteries. To optimize this process, energy-harvesting systems are being used for continuous charging of the batteries through solar cells and piezoelectric sensors. Such technology usually relies on lithium-ion (Li-ion) batteries, which require constant monitoring of the state of charge (SOC).
Li-ion batteries demand special attention because the characteristics of each cell change in a way that differs from the other. Therefore, each cell must be managed individually to completely avoid the discharge. Obviously, most manufacturers consider power loss to be very dangerous and unacceptable during operation. For this reason, they seek to obtain extremely low failure rates.
To reliably function for a long period, careful attention must be paid to the electronics of Li-ion batteries. The electronics have to be able to communicate the information from each cell in a battery stack to a central point for processing. In addition, the electronics of the battery management are expected to maximize the operating range, duration, safety, and reliability while minimizing cost, size, and weight.
Thanks to the ongoing progress made with integrated circuits, the monitoring of Li-ion battery cells has resulted in battery packs for high-performance cars as well as increased durability and reliability. The Wireless BMS (Battery Management System) promises to further improve the safety and reliability of Li-ion battery packs.
What is BMS?
The BMS concept replaces traditional wired connections between the batteries and the battery-management system with new wireless connections—a prudent move, considering that cables and connectors have a significant problem in achieving such a level of reliability. The start topology is based on a BMS master that communicates in wireless mode with each BMS slave module of a battery cell. The slave modules have the goal of acquiring and measuring various physical characteristics, such as voltage, current, and temperature of the battery cell.
The control and response commands are sent and managed wirelessly. More communication protocols between the master and slave can be defined with a wireless proprietary platform based on a wireless area network. Each module is interconnected via a radio connection instead of using a CAN bus cable or twisted-pair isoSPI (Isolated Communications Interface).
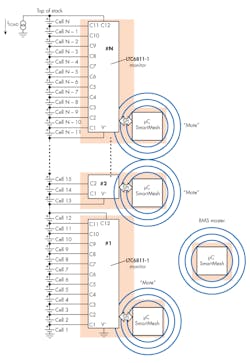
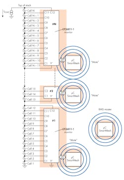
One example of this type of system is the LTC6811 from Linear Technology, a battery-measuring IC for hybrid/electric vehicles with up to 12 voltages of cells connected in series and precision of 0.04%. By combining this IC with a wireless mesh-network system, the solution is able to avoid the reliability problems associated with automotive wiring harnesses and connectors. The first experimental prototype (tested on a BMW i3) underscores the potential for this approach to improve system reliability while simplifying wiring for large-stack multi-cell batteries used in electric and hybrid/electric vehicles.
Mesh networks can provide reliable connectivity in harsh environments. In addition, they offer flexibility, as sensors can be installed in places that were previously unsuitable for cabling. In contrast, the CAN bus—a standard in the automotive field—interconnects various devices while requiring a number of additional components. To implement the LTC6811 device via CAN bus through its serial peripheral interface (SPI), the following must be added: a CAN transceiver, a microprocessor, and an insulator. The main disadvantages of a CAN bus are the cost and space due to additional components.
In addition, the use of a wireless interconnection eliminates the problem of the limited physical space available for wiring. This solution would make a more efficient battery cooling system possible, for example, by using the path that’s already determined for wiring. It could also enable the placement of additional modules in space previously reserved for wiring. Many of these mesh-networking solutions are assembled as wireless chips and pre-certified based on the 6LoWPAN standard and IEEE 802.15.4e modules. Some offer high reliability of 99.999% in difficult RF environments, simplifying the control of data related to the sensors and unattended environments (Fig. 1).
What’s Next
All electric or hybrid vehicles use regenerative braking (harvesting) to charge the battery during deceleration. Moreover, solar cells can be used to restore the maximum charge of the battery or compensate for the quiescent current in the car. In addition to solar energy, other sources available are the heat and the piezoelectric effect created by using the kinetic mechanical energy.
Some parts of a vehicle become very hot and the temperature difference can be used to accumulate energy and recharge the battery (Fig. 2). In this scenario, a mesh-network solution like SmartMesh can eliminate any maintenance related to connectors, cables, and cable assemblies. It also allows the implementation of additional functions while providing scalability.
In the next 10 years, it’s predicted that about 22 million cars will feature hybrid combinations of electric combustion engines and gasoline (about 20% of those that are sold worldwide). The transition from hybrid (HEV) to electric (EV) will be made possible by innovations in electronics, which also will enable new benefits in terms of safety, comfort, and convenience. For example, the automotive market is increasingly relying on electronics for the automation of sensors and actuators, which will provide more intelligent systems and prevent the driver from intervening in operations.
As these vehicles evolve, ICs will continue to operate under extreme conditions in order to deliver reliable measurements of voltage, current, and temperature. Beyond Linear, the main suppliers of ICs that provide advanced technology for automotive systems include Texas Instruments and Infineon, among others. Such companies offer a broad portfolio of innovative solutions to make vehicles safer, more secure, and more comfortable.
Maurizio Di Paolo Emilio is the author of Microelectronic Circuit Design for Energy Harvesting Systems, a book covering the design of microelectronic circuits for energy harvesting, broadband energy conversion, and new methods and technologies for energy conversion.
About the Author
Maurizio Di Paolo Emilio
Maurizio Di Paolo is the author of Microelectronic Circuit Design for Energy Harvesting Systems, a book covering the design of microelectronic circuits for energy harvesting, broadband energy conversion, and new methods and technologies for energy conversion.
Voice Your Opinion!
To join the conversation, and become an exclusive member of Electronic Design, create an account today!

Leaders relevant to this article:



