APEC 2018: Power Semis Focused on Tomorrow’s EVs
Wide-bandgap (WBG) power device manufacturers are gearing up to meet the electric-vehicle (EV) challenge for the next generation of automobiles that will demand more performance from electronic components and systems. But before new solutions can fully meet the challenge, there’s the need to address several questions that go beyond the capabilities of the WBG semiconductors themselves:
- Can the industry produce sufficient quantities at the right price level for the coming generation of EVs?
- Can the power semiconductors meet the requirements of automobile reliability standards? The Automotive Electronics Council (AEC), an industry organization that promotes the standardization of reliability or qualification standards for automotive electronic components, consists of major auto manufacturers and major electronic component manufacturers in the U.S. The AEC-Qxxx standards are widely adopted as standards for automotive electronic components, practically serving as industry standards. Standards are set to confirm the high reliability of products, including high-temperature/high-humidity resistance, thermal shock resistance, and durability. These standards are classified into the following groups, according to the component category:
- AEC-Q100: Integrated circuits (ICs)
- AEC-Q101: Discrete semiconductor components (transistors, diodes, etc.)
- AEC-Q200: Passive components (capacitors, inductors, etc.)
- Are similar performance WBG power semiconductors available from multiple sources, something the auto industry desires?
- Will the fast switching speed of the WBG power semiconductors cause EMI internally or externally?
- Will thermal-management techniques be available to support the high-powered WBG semiconductors that can operate between 400 and 600 V for the traction motors?
- Is there a way to provide built-in self-test for the WBG power circuits, particularly for the EV driver?
- What packaging technologies can be used to ensure that high-voltage, high-speed power semiconductors are isolated from the computer and logic circuits in the vehicle? Packaging can affect EMI and thermal considerations.
- Is there an additional source of SiC wafers, other than Cree?
Some lower-voltage WBG power semiconductors may be employed in dc-dc converters, which will probably require different design techniques than the use of power MOSFETs.
For WBG power semiconductors to provide the required performance themselves, as well as the rest of the EV’s electronics, the WBG manufacturers must be involved from the outset of the electronic system design. This is extremely important in autonomous vehicles, where there may be interaction between the computer logic, sensor, and power circuits in the vehicle. This will be necessary at least for the first few years of vehicle production.
Mass-produced vehicles pose a different challenge than dealing with one or two prototypes. There is a learning curve that will be very evident. The new technologies on display this week at APEC 2018 are only the beginning. There’s a lot more work ahead beyond the WBG power semiconductor components. This will have to be a system design that includes all components and circuits.
Products of note seen at APEC 2018, convening in San Antonio, Texas:
STMicroelectronics displayed its family of advanced silicon-carbide power MOSFET solutions for rapid EV charging. Benefits include a high operating temperature (TJ = 200°C); low capacitance, and a fast and robust intrinsic body diode.
STMicroelectronics introduced SiC power MOSFETs produced by exploiting the advanced, innovative properties of wide-bandgap materials.
GaN Systems revealed what it says is the highest-current power transistor. Dubbed the GS-065-120-1-D, the 120-A, 650-V, gallium-nitride (GaN) E-HEMT increases the power density of power-conversion systems spanning from 20 to 500 kW. The transistor is sold as a die, and can be used in half-bridge, full-bridge, and six-pack module topologies.
GaN Systems unveiled its 120-A, 650-V, GaN E-HEMT, which can be implemented in power-conversion system to increase density.
ROHM featured its Nano Pulse Control Technology for EVs/HEVs. ROHM says it delivers the industry's highest step-down ratio (24:1) by achieving an on time (pulse width) of just 9 ns—10X less than conventional products. This makes it possible to convert high voltages of up to 60 V to the 3.3 V or 5 V required for vehicle systems with a single chip for a simpler design.
Targeting EVs/HEVs, ROHM’s new dc-dc converter with an integrated MOSFET is claimed to have the lowest current consumption in the industry.
Microsemi Corp. displayed the first product in its next-generation 1200-V SiC MOSFETs, the 40-mW MSC040SMA120B, announced earlier this year. The new SiC MOSFET product family is highly avalanche-rated, featuring the ruggedness for automotive power applications, and offers a high short circuit withstand rating for robust operation.
Microsemi announced the availability of the first product in its next-generation 1200-V silicon-carbide (SiC) MOSFET family, the MSC040SMA120B.
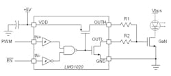
Texas Instruments announced two new high-speed GaN field-effect transistor (FET) drivers for speed-critical applications such as LiDAR and 5G RF envelope tracking. The 60-MHz LMG1020 low-side GaN driver and 50-MHz LMG1210 half-bridge driver offer switching frequencies of up to 50 MHz. The former enables high-accuracy lasers for industrial LiDAR, and the latter is designed for GaN FETs up to 200 V.
Texas Instruments’ two new high-speed GaN field-effect transistor (FET) drivers, the LMG1020 and LMG1210 are targeted at applications like LiDAR and 5G envelope tracking.
Efficient Power Conversion Corp. (EPC) showcased a series of 3D real-time LiDAR imaging devices for autonomous vehicles, based on its eGaN FET technology. The technology’s faster switching (up to 10X over conventional technologies) gives LiDAR systems superior resolution and a faster response time.
EPC announced the EPC2112 and EPC2115, enhancement-mode monolithic GaN power transistor with integrated driver products.
Coilcraft unveiled its LPD8035V series of miniature, high-voltage 1:1 coupled inductors. The technology provides 1,500 Vrms, one-minute isolation (hipot) between windings from a 7.92- × 6.4- × 3.5-mm package, offering significant size and cost reductions over conventional bobbin-wound alternatives. The inductors are qualified to AEC-Q200 Grade 3 standards (−40 to 85°C ambient), making them suitable for automotive and other high-temperature applications.
Coilcraft introduced its LPD8035V series of miniature, high-voltage 1:1 coupled inductors.
About the Author

Sam Davis
Sam Davis was the editor-in-chief of Power Electronics Technology magazine and website that is now part of Electronic Design. He has 18 years experience in electronic engineering design and management, six years in public relations and 25 years as a trade press editor. He holds a BSEE from Case-Western Reserve University, and did graduate work at the same school and UCLA. Sam was the editor for PCIM, the predecessor to Power Electronics Technology, from 1984 to 2004. His engineering experience includes circuit and system design for Litton Systems, Bunker-Ramo, Rocketdyne, and Clevite Corporation.. Design tasks included analog circuits, display systems, power supplies, underwater ordnance systems, and test systems. He also served as a program manager for a Litton Systems Navy program.
Sam is the author of Computer Data Displays, a book published by Prentice-Hall in the U.S. and Japan in 1969. He is also a recipient of the Jesse Neal Award for trade press editorial excellence, and has one patent for naval ship construction that simplifies electronic system integration.
You can also check out his Power Electronics blog.
Voice Your Opinion!
To join the conversation, and become an exclusive member of Electronic Design, create an account today!

Leaders relevant to this article:








