DC Regulators Address Auto Battery’s Unique Challenges
In principle, a battery is a nice, clean, reasonably stable source of energy and terminal voltage. While that’s the case in many applications, it certainly is under the hood of a car. Extreme temperatures, sudden on/off switching of large loads with associated high-current transients and voltage drops, and other miseries affect the battery’s output—it’s not unusual for the voltage to suddenly drop by half. At the same time, the regulators that rely on the battery are being tasked to do more, do it better, do it efficiently, do it in a smaller package, and provide multiple layers of protection (thermal, overcurrent, short circuit, reverse-polarity connection).
TI’s LM73605 and LM73606
Two new voltage-regulator ICs are specifically deigned to maintain battery output stay “clean” and recover quickly from transients. The LM73605 and LM73606 devices developed by Texas Instruments are easy-to-use, synchronous step-down dc-dc converters that can drive 5 A or 6 A of load current, respectively, from a supply voltage ranging between 3.5 V and 36 V. For commonality in layout and easier up/down current scaling, the LM73605 and LM73606 devices are pin-compatible.
Based on the peak current-mode control topology, these regulators also support adjustable switching frequency from 350 kHz to 2.2 MHz, synchronization to an external clock, power-good flag, adjustable soft-start, and output tracking. To address the increasingly important issue of efficiency over the entire load range, they include automatic frequency foldback at light load plus optional external bias.
1. The 5-A LM73605 and 6-A LM73606 regulators from Texas Instruments operate from 3.5 to 36 V and offer high efficiency over a wide load range.
The ICs require just a few external components and have pinouts designed for a simple PCB layout with optimal EMI and thermal performance (Fig. 1). Protection features include thermal shutdown, input undervoltage lockout, cycle-by-cycle current limiting, and short-circuit protection. The 53-page data sheet with 76 figures—many of them related to dynamic performance, and others covering PCB layout—help speed design-in time while enhancing confidence in end-use performance. The regulators are housed in 30-pin, 4- × 6-mm WQFN packages, with prices beginning at US$2.93 for 1,000-unit quantities.
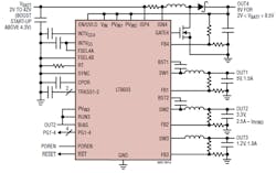
ADI’s LT8603
2. The Analog Devices/Linear Technology LT8603 provides multiple dc output rails from a range of dc inputs, available in 12-V cars, 12/24-V trucks, and even 48-V EV/HEV vehicles.
Analog Devices, through its LTC acquisition, introduced the LT8603, a quad-output regulator that combines two step-down switching regulators supporting high input voltage, one low-input step-down regulator, and a boost controller (Fig. 2). The LT8603 targets 12-V automotive, 12/24-V commercial, and 48-V EV/HEV vehicle designs. It can be configured to produce three regulated outputs via two high-voltage synchronous buck regulators covering the 3- to 42-V input-voltage range with output currents up to 2.5 A and 1.5 A, plus one low-voltage synchronous buck regulator for the 2.6- to 5.5-V input-voltage range at output currents up to 1.8 A.
The regulator maintains those rails even when the boost input voltage falls significantly below the regulated output voltages, such as often occurs during a cold cranking or start/stop scenario (Fig. 3). The boost controller can also be driven from one of the step-down regulator outputs, or configured as a SEPIC unit to provide four precisely regulated outputs over a wide input-voltage range.
3. The LT8603 is designed to provide a well-regulated dc output despite significant transients in battery source voltage due to load dumps.
The LT8603’s regulation modes include cycle-by-cycle current limiting for all step-down regulators, thermal shutdown, and a boost controller that can tolerate reverse-battery connections and negative transient input voltages down to –42 V. The 40-lead QFN device (6 × 6 mm) also includes programmable power-on reset, individual channel power-good indicators, and operates from 250 kHz to 2.2 MHz. Pricing starts at $5.35 in 1,000-piece lots.
About the Author

Bill Schweber
Contributing Editor
Bill Schweber is an electronics engineer who has written three textbooks on electronic communications systems, as well as hundreds of technical articles, opinion columns, and product features. In past roles, he worked as a technical website manager for multiple topic-specific sites for EE Times, as well as both the Executive Editor and Analog Editor at EDN.
At Analog Devices Inc., Bill was in marketing communications (public relations). As a result, he has been on both sides of the technical PR function, presenting company products, stories, and messages to the media and also as the recipient of these.
Prior to the MarCom role at Analog, Bill was associate editor of their respected technical journal and worked in their product marketing and applications engineering groups. Before those roles, he was at Instron Corp., doing hands-on analog- and power-circuit design and systems integration for materials-testing machine controls.
Bill has an MSEE (Univ. of Mass) and BSEE (Columbia Univ.), is a Registered Professional Engineer, and holds an Advanced Class amateur radio license. He has also planned, written, and presented online courses on a variety of engineering topics, including MOSFET basics, ADC selection, and driving LEDs.
Voice Your Opinion!
To join the conversation, and become an exclusive member of Electronic Design, create an account today!

Leaders relevant to this article:




