Automotive ICs Go “Back to the Future” with Minimalist Logic Devices
What you’ll learn:
- The history and continued need of small-scale integration ICs for digital-logic functions.
- How a serial-input/parallel-output shift register can expand I/O pins while reducing on-chip pin count.
- Why a 2- to 4-bit decoder/demultiplexer simplifies shared-bus connections.
Back in the day before the existence of basic microprocessors such as the Intel 4004, and long before our present processors with millions and billions of gates, digital-engineering design was done using small-scale integration (SSI) ICs. These were typified by the 7400 series of bipolar TTL gates (and subsequent 74xx00 families with their low-power, CMOS, ECL, and higher-speed attributes). Nearly every hands-on circuit designer had the multi-volume set of 7400-series data books on his or her shelf and guarded them carefully, as once borrowed, they often weren’t returned (Fig. 1).
As ICs moved up to medium-scale integration (MSI) and then large-scale integration (LSI) and added more functionality, many ICs in this once-dominant series were largely relegated to “not for new design” and even “obsolete” categories.
Still, there was often a need for some SSI ICs to act as what was casually (or dismissively) termed “glue logic” to stitch together disparate or incompatible circuit blocks or make up for a missing function, bridging gaps with inverters, multiplexers, and other basic logic functions. Hobbyists making their own PCs often used these ICs as well to make hardware elements play together.
Two New TI Automotive-Grade CMOS ICs
It would be sensible to assume that these ICs are now gone—but think again. While the 7400 series of TTL devices is a rarity, the basic functions they offer and built up from a few logic gates, still have a useful role and are needed for interfacing, filling a gap, or providing a missing function.
Proof is seen in two new CMOS ICs from Texas Instruments, and their AEC-Q100 automotive-grade rating proves they are for new design-ins, and not just for retro or replacement designs.
Shift register
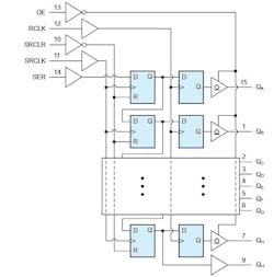
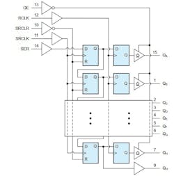
The SN74AC596-Q1 is an 8-bit, serial-input/parallel-output shift register with open-drain output registers (Fig. 2). Those outputs drive an 8-bit, D-type storage register that has parallel outputs. There are separate clocks for both the shift and storage register for independent input/output timing.
Why would you need this function? Two reasons: to increase the number of outputs on a microcontroller (you can never have too many, or maybe you need just one or two more?), or to temporarily store up to eight bits of data. In a typical application (and there are many others), the SN74AC596-Q1 would be used to control a seven-segment LED display. By using the serial output and combining a few of the input signals, this implementation reduces the number of I/O pins required to control the display from 16 (one per LED) to only four.
Decoder/demultiplexer
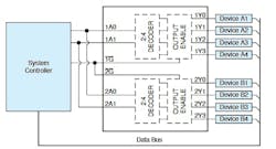
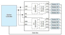
The SN74AC139-Q1 is a dual 2- to 4-bit decoder/demultiplexer. It’s typically used to control multiple devices that operate on a shared data bus, as it allows for a binary-encoded input to activate only one of the device's outputs. A representative application would be a solid-state memory design where multiple devices must be read or written to with a limited number of GPIO pins used on the system controller (Fig. 3).
The decoder is used to activate the chip-select input to the selected memory device, and the controller can then read or write from that device alone when using a shared bus.
Both devices have the same voltage and output specifications, with a wide operating range of 1.5 to 6 V and accepting inputs up to 6 V. On the output side, they offer continuous ±24-mA output drive at 5 V and even support output drive up to ±75 mA at 5 V (in short bursts). They can also drive standard 50-Ω transmission lines. Commensurate with their functionality, both are offered in a choice of two tiny packages (see table).
Evaluation Module
Although these small-scale, limited-functionality ICs don’t justify formal evaluation boards with connectors, power regulators, and support components, TI does ease the challenge of connecting them for any user-initiated yest and evaluation. The 14-24-LOGIC-EVM evaluation module (EVM) is designed to support any logic device that’s in a 14- to 24-pin D, DW, DB, NS, PW, DYY or DGV package (Fig. 4).
Despite its apparent simplicity, the EVM is supported by a 13-page User’s Guide that shows how to optimize its use along with suggestions for specific passive devices and connectors that are compatible with the board’s layout.
Reference
Hackaday, “The 7400 Quad 2-Input NAND Gate, A Neglected Survivor From A Pre-Microprocessor World.”
About the Author

Bill Schweber
Contributing Editor
Bill Schweber is an electronics engineer who has written three textbooks on electronic communications systems, as well as hundreds of technical articles, opinion columns, and product features. In past roles, he worked as a technical website manager for multiple topic-specific sites for EE Times, as well as both the Executive Editor and Analog Editor at EDN.
At Analog Devices Inc., Bill was in marketing communications (public relations). As a result, he has been on both sides of the technical PR function, presenting company products, stories, and messages to the media and also as the recipient of these.
Prior to the MarCom role at Analog, Bill was associate editor of their respected technical journal and worked in their product marketing and applications engineering groups. Before those roles, he was at Instron Corp., doing hands-on analog- and power-circuit design and systems integration for materials-testing machine controls.
Bill has an MSEE (Univ. of Mass) and BSEE (Columbia Univ.), is a Registered Professional Engineer, and holds an Advanced Class amateur radio license. He has also planned, written, and presented online courses on a variety of engineering topics, including MOSFET basics, ADC selection, and driving LEDs.
Voice Your Opinion!
To join the conversation, and become an exclusive member of Electronic Design, create an account today!

Leaders relevant to this article:





