Buck Regulator Reduces Input Ripple for Noise-sensitive Designs
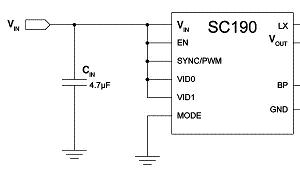
Although it is common to see switching regulators and LDOs combined on the same chip, Semtech’s SC190 combines these functions in a MLP package to create a tiny synchronous buck regulator that limits switching noise on its input (see the figure). The SC190 is a programmable, 300-mA stepdown regulator that reduces input supply ripple to about 1 mV in a typical application rather than the 10 mV to 20 mV that would more common on the input of a comparable buck regulator.
The low input noise, which benefits noise-sensitive battery power applications such as cell phones, was achieved by inserting an LDO on the input to the switching regulator. Although a similar effect could be achieved with a 2-chip approach (LDO IC + buck regulator IC), integrating these functions allows the regulators to be easily configured for different modes of operation. For example, a bypass pin enables the user to re-route the input supply so that it connects directly to the input of the switcher, which maximizes the regulator’s efficiency.
In addition, the SC190 contains a second linear regulator, referred to as a back-end LDO. For light load operation—currents of 5 mA or less— back-end LDO can be dynamically selected via a mode-select pin to bypass the switching regulator. This limits the chip’s quiescent current to about 10 µA to 20 µA, while limiting output-voltage ripple to about 90 µVrms typical.
This low-power mode provides a low-noise alternative to operating a switching regulator in a pulse-skipping or pulse-frequency mode, which saves power but increases switching noise. (The SC190 operates in fixed-frequency 1-MHz operation or 750-kHz to 1.5-MHz clocked operation.) Moreover, the standby current of the switching regulator will likely be measured in hundreds of microamps.
According to Tom Karpus, handheld systems manager at Semtech, one of the challenges of developing the SC190 was combining the regulator and control functions in the 3-mm × 3-mm MLP. Typically, a 300-mA buck regulator by itself would require a SOT-23 package, which measures 2.8 mm × 2.9 mm.
Another challenge was limiting dropout voltage on the front end regulator to optimize efficiency. The front-end regulator has a dropout voltage of approximately 300 mV.
The SC190 operates from a 2.7-V to 5.5-V input range and is offered in four output-voltage versions that generate outputs ranging from 1.0 V to 2.8 V. With 2-bit programmable-output voltage capability, the necessary output voltage can be selected without need of a separate resistor divider. This feature eliminates two discrete resistors from a typical design.
The SC190 offers protection features including a thermal shutdown that shuts the device off when junction temperature reaches 150°C, an internal current limit of 500 mA on the front-end LDO to protect against a pulsed short circuit, an overvoltage shutdown feature, and a soft-start mode that limits inrush current during start-up. Available now, the SC190 models are priced between $1.05 and $1.20 each in 1000-piece lots.
A synchronous buck converter with programmable output, the SC190 integrates a front-end LDO with a synchronous buck regulator to limit switching noise on the input supply. With the values of CIN and CBYP shown in this typical application, input ripple will be about 2 mV. That value drops to 1 mV when 10-µF capacitors are used.
About the Author
Voice Your Opinion!
To join the conversation, and become an exclusive member of Electronic Design, create an account today!

Leaders relevant to this article:
