300mA Synchronous Buck Regulator
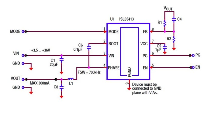
The ISL85413 from Intersil is a 300mA Synchronous buck regulator with an input range of 3.5V to 36V. It provides an easy to use, high efficiency low BOM count solution for a variety of applications.
The ISL85413 integrates both high-side and low-side NMOS FET's and features a PFM mode for improved efficiency at light loads. This feature can be disabled if forced PWM mode is desired. The part switches at a default frequency of 700kHz. By integrating both NMOS devices and providing internal configuration, minimal external components are required, reducing BOM count and complexity of design.
With the wide VIN range and reduced BOM the part provides an easy to implement design solution for a variety of applications while giving superior performance. It will provide a very robust design for high voltage Industrial applications as well as an efficient solution for battery powered applications.
The part is available in a small Pb-free 3mmx3mm TDFN plastic package with an operation junction temperature range of -40°C to +125°C.
Key Features:
- Wide input voltage range of 3.5V to 36V
- Synchronous operation for high efficiency
- No compensation required
- Integrated high-side and low-side NMOS devices
- Selectable PFM or forced PWM mode at light loads
- Internal switching frequency 700kHz
- Continuous output current up to 300mA
- Internal soft-start
- Minimal external components required
- Power-good and enable functions available
