The 78xx Linear Regulator Story—A Look Back and into the Future
It’s become a matter of debate as to precisely when the 78xx series of linear regulators were designed or when they hit the market for that matter. Some will tell you their lineage can be traced back to the µA723 IC voltage regulator designed by Bob Widlar for Fairchild Semiconductor back in 1967. Others might imply they can be related to the first true three-terminal (LM109/309) designed (again) by Widlar for National Semiconductor in 1969. Whichever is deemed to be true, linear voltage regulators haven’t changed much in terms of design, and are still running strong nearly 50 years later.
Like their predecessors, the 78xx series of fixed, linear voltage-regulator integrated circuits are designed to take an unregulated input voltage and convert it to the exact voltage required in a circuit. You can find IC voltage regulators in countless electronic devices on the market, both present and past—PCs, DVD players, satellites, robots, and even popular single-board computers (SBCs) like the Arduino Uno. While there are more advanced IC voltage regulators (such as Texas Instruments’ TPS549B22 synchronous step-down converter), the 78xx family still remains in use due to the devices’ ease of use and low cost.
78xx regulator ICs. (Credit: Silverxxx via Wikipedia)
In the 78xx series, the xx denotes two digits that indicate the output voltage; for example, the output for the famous 7805 has a 5-V output whereas the 7824 maintains a stable 24 V. All of the IC regulators in the family are positive voltage regulators, producing a voltage that’s positive to the common ground. All are built around a large transistor that controls the amount of power to the output, and all of the extra regulated voltage turns into heat energy. So, let’s say you’re running 9 V into the linear IC regulator and it’s designed to produce 5 V; the extra 4 V gets turned into heat energy, which is a drawback to using the 78xx series.
The 7805 (TO-220 variant and surface-mount TO-92/TO-3 variants) is the most popular in the family (ranging from the 05 up to the 7824). It’s widely used in TTL (Transistor-Transistor Logic) components, including crystal oscillators and analog amplifiers but are more commonly used with power converters, microcontrollers and single board computers where the projects are widely varied. Included with the 78xx series are the 79xx series, which offer negative outputs (7905 is regulated a -5V) and are suited for use in ATX power supply designs and what’s more, both series can be used in combination to provide both positive and negative current on the same circuit.
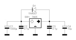
7805 IC voltage regulator schematic. (Credit: TheBasti via Wikipedia)
There are advantages and disadvantages to using the 78xx family, with the foremost advantage being you don’t need any additional components to regulate voltage and have built-in protection against power surges and short-circuiting. On the downside, the input voltage has to be higher than the output (as they are linear), but by no more than 2 V (more volts can be introduced with the addition of a heatsink), making them unsuitable for some devices or projects.
Not the Only Player in Town
After nearly 50 years, it begs the questions of what lies ahead for the 7805, and is there direct contender to take its place? Normally, IC voltage regulators, like any other piece of technology, is improved upon on a yearly basis, and the same can be said for the 7805 and the rest of the 78xx family. Companies such as Dimension Engineering, Recom, and the previously mentioned Texas Instruments (among a host of others) all offer superior alternatives with additional integrated technologies.
Murata Manufacturing recently released its OKI-78SR-E series of three-terminal non-isolated dc-dc converters as a drop-in to what the company terms as a highly efficient direct replacement to the 78xx series. Murata’s new line offers three modules tapped with a single, fixed output voltage of 3.3 V at 1.5 A, 5 V at 1.5 A and 12 V at 1 A.
Murata’s dc-dc converter line set to replace the aging 7805. (Credit: Murata)
According to the company, “The OKI-78SR-E series incorporates advanced assembly techniques, to produce a technology-leading board-mounted power module. It is suitable for applications ranging from high-reliability networking and telecommunications to railway applications and communications, and to control systems, lighting, and computing systems.”
While Murata and the other companies do offer superior alternatives to the 78xx series in terms of performance, they can’t come close to the affordability (prices start at $2.69 for a Murata dc-dc converter) of the technology that has been around for nearly half a century—it’s proven, reliable, costs next to nothing, and will most likely be around for decades to come.
About the Author
Cabe Atwell
Technology Editor, Electronic Design
Cabe is a Technology Editor for Electronic Design.
Engineer, Machinist, Maker, Writer. A graduate Electrical Engineer actively plying his expertise in the industry and at his company, Gunhead. When not designing/building, he creates a steady torrent of projects and content in the media world. Many of his projects and articles are online at element14 & SolidSmack, industry-focused work at EETimes & EDN, and offbeat articles at Make Magazine. Currently, you can find him hosting webinars and contributing to Electronic Design and Machine Design.
Cabe is an electrical engineer, design consultant and author with 25 years’ experience. His most recent book is “Essential 555 IC: Design, Configure, and Create Clever Circuits”
Cabe writes the Engineering on Friday blog on Electronic Design.





