In a recent Electronic Design online article titled “High-Speed Converters: What Are They and How Do They Work?," David Robertson, Analog Devices Vice President of Analog Technology, discusses the latest pressures facing data-converter manufacturers. He says that the continuing expansion of broadband communications and high-performance imaging applications particularly emphasizes high-speed data conversion—converters that can handle signals with bandwidths of 10 MHz to more than 1 GHz. He also notes that moving back and forth between the analog and digital domain at high speeds also presents some special signal-integrity challenges for the analog signal as well as clock and data signals.
This file type includes high resolution graphics and schematics when applicable.
For makers of mixed-signal devices, he says it’s created a market with an exponentially increasing appetite for faster ADCs. “A processor running at 100 MHz might be able to effectively manipulate signals with 1 to 10 MHz of bandwidth: Processors running at multiple gigahertz clock rates are perfectly comfortable handling signals with bandwidths of 100s of megahertz.”
And, of course, a variety of converter architectures are being used to reach these higher speeds, each with special advantages.
Greater processing power and speed leads naturally to faster data conversion, he says. As broadband signals expand their bandwidths (often to the spectrum limits set by physics or regulators), imaging systems look to handle more pixels per second to accelerate processing of higher-resolution images. System redesigns specifically take advantage of this extreme processing horsepower, including a trend toward parallel processing that may involve multichannel data converters.
Another trending architectural change revolves around “multicarrier/multichannel,” or even “software-defined” systems. Conventional, “analog-intensive” systems perform much of the signal-conditioning work (filtering, amplification, frequency translation) in the analog domain; the signal is “taken digital” after careful preparation.
Take, for example, an FM radio. A given radio station will be a 200-kHz-wide channel sitting somewhere in the 88- to 108-MHz FM radio band. Yesterday’s conventional receiver would frequency-translate the station of interest to a 10.7-MHz intermediate frequency, filter out all of the other channels, and amplify the signal to the optimal amplitude for demodulation. In contrast, a modern multicarrier architecture would digitize the entire 20-MHz FM band, and digital processing would then select and recover the radio stations of interest.
While the multicarrier scheme requires much more sophisticated circuitry, it offers some great system advantages: the system can recover multiple stations simultaneously, including “side-band” stations. If properly designed, a multicarrier system can even be software-reconfigured to support new standards (e.g., the new “HD radio” stations placed in radio side-bands).
The ultimate extension of this approach is to have a wideband digitizer that can take in all of the bands, and a powerful processor that can recover any sort of signal; otherwise known as a “software-defined radio.” Equivalent architectures in other fields include “software-defined instruments” and “software-defined cameras,” among others. One can think of this as the signal-processing equivalent of “virtualization.” The enabling hardware for such flexible architectures is powerful digital processing and high-speed, high-performance data conversion.
To gauge how it’s affecting not just Analog Devices, but all large semiconductor companies that make ADCs, it’s instructive to look at recent new products. Some of the latest from the major players include:
Maxim Integrated
Maxim Integrated trotted out both traditional and application-focused ADCs. On the traditional side was the MAX11905, a 20-bit, 1.6-Msample/s successive approximation register (SAR) ADC that the company claimed as having, “the industry’s highest resolution and fastest sampling rate at the lowest power.” The point of the device is to offer an alternative to sigma-delta converters that use less power. The MAX11905 consumes 9 mW versus the typical 100 mW for a classic sigma-delta, even though it incorporates its own reference buffers.
Dynamic specs are 98.3 dB signal-to-noise ratio (SNR) and -123 dB total harmonic distortion (THD). Maxim does acknowledge that classic sigma-deltas used in typical applications such as process control, automatic test equipment, medical instrumentation, and battery-powered devices deliver 24-bit resolution, so there are tradeoffs.
Not all of Maxim’s latest ADCs are classic standalone devices, though. For instance, single- and three-phase systems-on-chip (SoCs) were created explicitly for power-line monitoring. This is more than just a case of high precision, like the aforementioned SARs. What’s really being sold is time to market and a bulletproof design for simple electric meters.
The ZON M3 energy-meter solution integrates four 24-bit ADCs for four-channel data collection and ±0.1% measurement accuracy over a 5000:1 dynamic range. A 32-bit metrology compute engine ensures high-accuracy data, compared to mechanical switches and an infrared-communications interface. (For power transmission and distribution applications, Maxim Integrated also introduced the Petaluma high-speed subsystem monitors, which are described in the Power Forecast article in this issue.)
In other examples of integrating multiple ADCs (keep in mind that last year, Maxim changed its name to Maxim Integrated), the company introduced its MAX11300 PIXI. It’s a configurable, 20-channel, –10- to +10-V high-voltage mixed-signal data converter. Target applications include basestations and industrial control and automation.
Along with the hardware, designers get a GUI for rapid drag-and-drop configuration. Designers can select an ADC and connect it to any of 20 pins, select a digital-to-analog converter (DAC) and connect it to any pin, or assign a digital I/O to any pin. Its intent is that all of this integration provides a smaller-size, lower-cost, and simplified bill of materials, along with faster design time and time to market.
Linear Technology
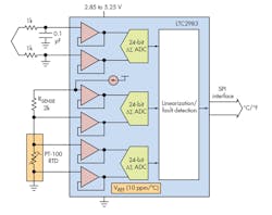
One has to go back to last February and April to find new versions of the classic type of ADC, which is a surprise for a company that prides itself in introducing a new product every week (LTC has kept up the pace with power products). Nevertheless, the company’s latest ADC-like product is the LTC2983 temperature-to-digital converter (see “The Temperature Digitizer Jim Williams Might Have Wished For 25 Years Ago,”), which simplifies the challenge of making high-accuracy/high-precision temperature measurements with a variety of sensor types (Fig. 1).
Essentially, Linear’s LTC2983 first interfaces directly with the temperature sensor, which could be a type B, E, J, K, N, S, R, T; thermocouple; two-, three-, or four-wire RTD; 2.25-kΩ to 30-kΩ thermistor; or temperature-sensing diode. Then it outputs the results digitally, via an SPI bus, in °C or °F. The SPI interface works with virtually any digital system, and a comprehensive software support system with drop-down menus facilitates customization. There’s no need for amplifiers, negative supplies, or level-shift circuitry.
What is inside are three 24-bit sigma-delta ADCs, comparing inputs to an internal 10-ppm/°C reference. (If the application calls for cold-junction compensation, that can be accomplished using any type of external sensor.)
In addition to the ADCs, the chip includes linearization algorithms for all common sensor types. That’s where the most challenging part of the design is embodied; thus, an enormous amount of engineering time is taken off the system engineer’s plate. (If the designer insists, custom sensors can be linearized with custom coefficients.)
The device even takes care of driving the sensors. Dual programmable excitation current sources feature current-reversal and current-ranging capabilities.
Last winter, LTC introduced a family of SARs, led by the dual 16-bit, 5-Msample/s, simultaneous sampling LTC2323-16, along with its 14- and 12-bit cousins. Dynamic specs are 81dB SNR at 16 bits, 80 dB SNR at 14 bits, and 73 dB SNR at 12 bits.
Linear’s latest ADC is the 16-bit, 210-Msample/s LTC2933, which delivers 80-dB SNR. It’s intended for the high-performance end of classic communication and instrumentation applications
Texas Instruments
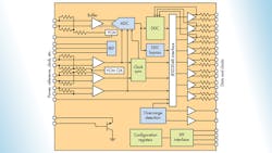
In terms of ADCs with classic architectures, Texas Instruments targeted the high end of RF applications with the low-power, 12-bit, 4-Gsample/s ADC12J4000 (Fig 2). TI says it supports the JEDEC JESD204B standard for data converters up to 8 Gb/s, while consuming 50% less power than competitive devices. With a 10- by 10-mm footprint, the device is claimed to be the smallest IC in its class. The ADC12J4000 can be used in test and measurement, wireless, and defense applications, including spectrum analyzers, munitions, digital pre-distortion feedback, and radar.
Analog Devices
Over the course of the last year, ADI did indeed introduce the largest number of high-performance versions of classic ADCs. However, the company also contributed its share of application-focused chips.
Among the new classics was the dual-channel, 1.25-V, 14-bit, 1-Gsample/s AD9680 SAR ADC, which targets the direct RF sampling addressed by Dave Robertson in his article referenced earlier. ADI previously announced the 12-bit, 2-Gsample/s AD9625 converter, also for direct RF sampling. The new devices are interoperable with FPGAs from major manufacturers and come supported with known-good configurations.
For portable applications, Analog Devices previously announced two 18-bit ADCs, its AD7989-1 and AD7989-5 “PulSAR” devices that draw only 400 µW at 100/500 ksamples/s. Dynamic specs include ± 1 LSB and 98-dB SNR at 1 kHz. (The PulSAR portfolio includes 18- and 16-bit precision ADCs with conversion rates up to 1 Msample/s.)
In another performance dimension, ADI’s high-speed (up to 600-ksamples/s), high-temperature, 16-bit AD8971 ADC is designed to provide error-free operation at temperatures of up to 175°C. Target applications include wide bandwidth sonic and vibration measurement, and low-power pressure and temperature sensing. With respect to the latter, the AD8971 maximizes battery life in harsh environments by scaling power linearly with the sample rate, using only 4.65 mW at full speed and 70 µW at 10 ksamples/s. Dynamic specs include ±0.7-LSB integral nonlinearity and 91-dB SNR.
This file type includes high resolution graphics and schematics when applicable.
Beyond its classic converters, ADI also invested in SoCs that incorporate ADCs. One recent example is its healthcare-focused ADuCM350 “meter-on-a-chip” that offers easy connectivity to passive and active sensors of human physiological data. It also supports sensor-fusion functionality, allowing for exceptionally accurate measurements.
The platform combines a 16-bit accurate analog front-end (AFE), which includes a configurable multi-sensor switch matrix, hardware waveform generator, and discrete Fourier transform (DFT) engine. There’s also a processing subsystem and an industry-standard software development environment to support a complete product development roadmap.
About the Author

Don Tuite
Don Tuite (retired) writes about Analog and Power issues for Electronic Design’s magazine and website. He has a BSEE and an M.S in Technical Communication, and has worked for companies in aerospace, broadcasting, test equipment, semiconductors, publishing, and media relations, focusing on developing insights that link technology, business, and communications. Don is also a ham radio operator (NR7X), private pilot, and motorcycle rider, and he’s not half bad on the 5-string banjo.



