Piezo Haptic Drivers Deliver Improved Gaming and Feedback
Check out more Sensors Converge coverage.
Boréas Technologies produces a range of low-power piezo drivers for mobile haptic applications such as smartphones and handheld gaming devices. The BOS1901 high-voltage, low-power piezo driver is one example that's highlighted by Marc-Andre Morin is this video.
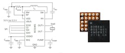
The BOS1901 (see figure) can drive 100 nF at 190 V p-p and 300 Hz using only 350 mW of power. It can handle a drive capacitive load up to 820 nF and supports energy recovery. In addition, the driver has an integrated digital front end with SPI interface. The chip includes a 64-sample internal FIFO Interface. Startup is under 300 µs.
The WLCSP chip has a 2.1- × 2.2-mm footprint and is also available in a QFN 4- × 4-mm package.
Links
- Boréas Technologies
- BOS1901 high voltage, low power piezo driver
About the Author
William G. Wong
Senior Content Director - Electronic Design and Microwaves & RF
I am Editor of Electronic Design focusing on embedded, software, and systems. As Senior Content Director, I also manage Microwaves & RF and I work with a great team of editors to provide engineers, programmers, developers and technical managers with interesting and useful articles and videos on a regular basis. Check out our free newsletters to see the latest content.
You can send press releases for new products for possible coverage on the website. I am also interested in receiving contributed articles for publishing on our website. Use our template and send to me along with a signed release form.
Check out my blog, AltEmbedded on Electronic Design, as well as his latest articles on this site that are listed below.
You can visit my social media via these links:
- AltEmbedded on Electronic Design
- Bill Wong on Facebook
- @AltEmbedded on Twitter
- Bill Wong on LinkedIn
I earned a Bachelor of Electrical Engineering at the Georgia Institute of Technology and a Masters in Computer Science from Rutgers University. I still do a bit of programming using everything from C and C++ to Rust and Ada/SPARK. I do a bit of PHP programming for Drupal websites. I have posted a few Drupal modules.
I still get a hand on software and electronic hardware. Some of this can be found on our Kit Close-Up video series. You can also see me on many of our TechXchange Talk videos. I am interested in a range of projects from robotics to artificial intelligence.

