Lithium-ion and lithium-polymer batteries are increasingly finding their way into portable and mobile devices. These highly efficient battery technologies pack more energy into a smaller size than almost any other battery type.
However, such energy efficiency comes at a price—lithium batteries are subject to overheating, catching fire, or exploding if they’re overcharged, short-circuited, overheated, or otherwise misused. For safety purposes, some protection circuitry must be incorporated when lithium batteries are designed into a product. This article discusses one approach to battery protection.
Lithium-Battery Form Factors
Smartphones and laptops are top users of lithium batteries, but their range of applications casts a much wider net. Other products using lithium batteries include vacuum cleaners, garden tools, power tools, lawn mowers, robots, drones, and power banks. Heavy-duty applications of lithium-ion batteries include some power tools, e-scooters, large drones, and electric cars.
A power bank is simply a portable secondary battery that’s used to recharge your smartphone or laptop when an ac source isn’t available. The power bank is usually charged through a PC USB port, and a standard Type A USB connector is used to connect to the smartphone or laptop through the standard phone charging cable.
All of these products use battery packs, a module that contains the battery, some form of monitoring and gauging of the battery’s state of charge and life, as well as protection circuitry. Battery packs are rated by the number of the series-connected cells making up the battery. A single cell is 1S, two cells is 2S, on up to 15S and beyond.
Battery Packs
Battery-pack protection comes in two basic types: voltage protection and current protection. Voltage protection uses comparators to monitor individual cell voltages to see how they compare to thresholds that determine an overvoltage (OV) or undervoltage (UV) condition. As for current protection, a series sense resistor measures the current passing through the battery and compares it to predetermined overcurrent or undercurrent thresholds. This includes short-circuit conditions as well as levels for excessive charge or discharge. Most battery packs use MOSFET switches to control the charge and discharge paths; these also disable circuits if established thresholds are exceeded.
In addition, battery packs typically include a thermistor to sense temperature to provide a warning if there’s overheating. Some multi-cell battery packs also feature open circuit/wire detection (OCD), a method of monitoring individual cell voltages and circuitry that provides cell balancing to ensure equal voltage and charge on each cell. This ultimately improves battery life and performance.
A fuel gauge is a circuit that determines the energy remaining in the battery at any given time. The gauging circuit monitors the battery voltage, current, and temperature; then it digitizes these values in one or more ADCs and sends them to an onboard microcontroller or a dedicated logic controller. Firmware in the controller implements a gauging algorithm that determines the state of the battery.
Implementing Battery-Pack Functions
When it comes to any type of protection, monitoring, and/or gauging, the solution should be simple and low cost. The solution may be a multi-chip circuit, although a single-chip resolution is available in Texas Instruments’ bq77905. The bq77905 is a low-power battery pack protector that implements a suite of voltage, current, and temperature protection without microcontroller (MCU) control. The device's stackable interface provides simple scaling to support battery-cell applications from 3S to 20S or more. The chip provides cell balancing that buys extra run time and battery life.
Protection thresholds and delays are factory-programmed and available in a variety of configurations. Separate over-temperature and under-temperature thresholds for discharge (OTD and UTD) and charge (OTC and UTC) are provided for added flexibility (Fig. 1). Basic specifications include:
• Normal-mode current drain of 6 µA.
• Three- to five-cell monitoring, stackable to accommodate more cells.
• Voltage protection accuracy of ±10 mV:
Overvoltage range 3 to 4.575 V
Undervoltage range 1.2 to 3 V
• Open-cell, open-wire detection.
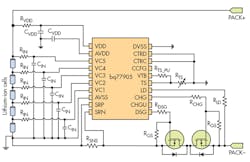
The bq77905 provides battery-pack protection via the integrated independent CHG and DSG low-side NMOS FET drivers, which may be disabled through two control pins. These control pins may also be used to achieve cell-protection solutions for higher series (6S and beyond). To do this, you cascade higher-device CHG and DSG outputs to the immediate lower-device control pins. For reduced component count, all protection faults use internal delay timers. Figure 2 shows the bq77905 and external FET switches for charge and discharge. The circuit uses a single-series current path for charge and discharge.
An evaluation module (EVM) is available for the bq77905 3-5S low-power protector. It implements a complete system for lithium-ion cells. The EVM includes one bq77905 integrated circuit (IC), a sense resistor, thermistor, two CSD18534Q5A FETs, and all other onboard components necessary to switch charge and discharge current.
The circuit module connects between a "battery" source and a "pack" load. In addition to the current and voltage applied to the module, the user can remove on-board jumpers to simulate over- or under-temperature conditions to observe FET control under different charge and discharge conditions.
About the Author

Lou Frenzel
Technical Contributing Editor
Lou Frenzel is a Contributing Technology Editor for Electronic Design Magazine where he writes articles and the blog Communique and other online material on the wireless, networking, and communications sectors. Lou interviews executives and engineers, attends conferences, and researches multiple areas. Lou has been writing in some capacity for ED since 2000.
Lou has 25+ years experience in the electronics industry as an engineer and manager. He has held VP level positions with Heathkit, McGraw Hill, and has 9 years of college teaching experience. Lou holds a bachelor’s degree from the University of Houston and a master’s degree from the University of Maryland. He is author of 28 books on computer and electronic subjects and lives in Bulverde, TX with his wife Joan. His website is www.loufrenzel.com.


