Superior Gate Drivers Make SiC MOSFETs the Top High-Power Switching Devices
Download this article in PDF format.
When it comes to selecting a high-power switching device for power-conversion applications, your two main choices were the silicon MOSFET or the IGBT. The latest power-circuit designs such as AC-DC converters, inverters, DC-DC converters and others have pushed the voltage levels beyond 1000 V at ever-higher current levels. Today’s devices, including silicon superjunction MOSFETs and IGBTs, can’t always meet the specifications of some of these advanced switch-mode power supplies.
A new solution available today is the wide-bandgap (WBG) silicon-carbon (SiC) MOSFET. For high-voltage switching, SiC MOSFETs bring notable advantages compared to traditional silicon MOSFETs and IGBTs. Among the benefits derived from SiC are switching high-voltage power rails exceeding 1,000 V and operating at hundreds of kilohertz beyond the capabilities of even the best superjunction silicon MOSFETs.
But while the SiC devices can handle the new applications, their circuit requirements are different. Specifically, they have special gate-drive needs. ON Semiconductor addressed that problem with its line of SiC gate drivers, bringing the benefits of SiC MOSFETs to today’s demanding power products, especially in automotive electrical systems and electric vehicles.
Sponsored Resources:
- SiC MOSFETs: Gate Drive Optimization White Paper
- Application of SiC MOSFETs
- Silicon Carbide (SiC) MOSFETs
Application Targets
SiC transistors are applicable to almost any switch-mode power supply. However, their superior characteristics make them especially useful in automotive electrical systems. Some examples are ac-dc power supplies with power factor correction (PFC), dc-dc converters, on-board chargers (OBCs), inverters, LiDAR, and other circuits used in all-electric or self-driving vehicles.
Some non-automotive applications include motor drivers, photovoltaic (PV) inverters, PV chargers, uninterruptible power supplies (UPS), and network and server power supplies. All can benefit from the resulting higher efficiency that comes with a SiC design.
The SiC Advantage
Engineers designing power equipment are finally realizing that SiC transistors are truly the best choice for new switch-mode designs. While they may be a little more expensive than the alternatives, they offer so much more. Here are the plusses compared to MOSFETs and IGBTs:
- High voltage tolerance. Most SiC devices are available in models that can handle drain-source voltages from 650 to 1700 V. In high-voltage applications, they can replace some IGBTs.
- High-current capability with versions that can handle over 100 A.
- Faster switching with speeds up to 1 MHz.
- Ultra-low on-resistance, hundreds of milliohms at the highest.
- Better thermal conductivity, which means that the temperature rise is minimum for a given power dissipation.
- Lower turn-off losses, lower conduction losses, and lower gate charge.
- Smaller physical size.
- Automotive-qualified according to AEC-Q101.
A Typical Device
1. ON Semiconductor’s SiC FETs are housed in a TO-247 package.
A representative SiC MOSFET is ON Semiconductor’s NTHl080N120SC1 (Fig. 1). Key features include:
Designing with SiCs
Designing with SiC transistors is different from designing with conventional silicon MOSFETs and IGBTs. The main difference has to do with the gate-drive requirements. When using a standard enhancement-mode MOSFET, you can rest assured that when the gate threshold voltage (VTH) is exceeded, the MOSFET is fully turned on. VTH ranges from a few volts up to about 10 V maximum.
To turn on a SiC MOSFET, the gate-to-source threshold VTH must be in the 20-V range to be sure you establish a good current channel between source and drain. But that’s not all. To turn the device off, a negative voltage in the −3 to −10 V range is needed on the gate. Early designs with SiC used discrete-component gate-driver designs. Today, you can get an IC to do that job.
An example of a gate-driver IC is ON Semiconductor’s NCP51705. It’s a general-purpose driver that can be used with non-ON Semiconductor SiC devices. This driver offers split output stages to allow independent turn-on and turn-off adjustment. Source and sink capability is 6 A.
The NCP51705 provides a 5-V power rail to power some external circuits such as optoisolators. Protection features of the IC include undervoltage-lockout monitoring for the bias and a thermal-shutdown feature based on the junction temperature of the driver. Go to the ON Semi site and get a datasheet.
Some Design Examples
Electric vehicles (EVs) and hybrid electrical vehicles (HEVs) have an OBC for the main high-voltage (HV) and auxiliary batteries. This unit receives its input by plugging into the main ac power lines. From there, various switch-mode circuits translate the ac input to the dc voltages that charge the batteries.
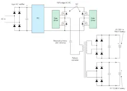
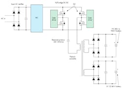
Figure 2 shows a simplified diagram of such a system. A standard bridge rectifier converts the ac into a dc voltage that’s power-factor-corrected. A full-bridge dc-dc converter provides the input to a resonant flyback converter that steps the voltage up to a higher level, where it’s rectified into the final dc that charges the main battery. Current battery voltages are in the 300- to 900-V range. A separate circuit generates the low voltage (12 V or 48 V) to charge the battery used for all of the other electrical and electronic components, such as vehicle lighting and infotainment.
2. This simplified on-board charger takes advantage of SiC devices to improve efficiency while dealing with high voltage and current.
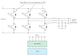
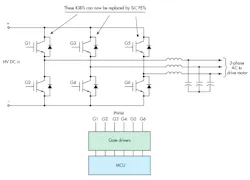
The dc-ac inverters in an EV that drive the main vehicle motor are also good targets for SiCs. Many designs now use IGBTs as shown in Figure 3. These can now be replaced by SiC devices.
3. The IGBTs used in EV motor-driver inverters can now be replaced with SiC transistors.
The PFC and dc-dc converters are prime targets for SiC applications because of their high-voltage, high-current, and high-speed switching capability.
In Summary
Besides their voltage, current and switching-speed benefits, silicon-carbide devices can work at high temperatures, are very robust, and offer both low conduction and switching losses. The high thermal conductivity also makes SiC a perfect choice for high-power applications, when good cooling is required. On that front, ON Semiconductor's SiC MOSFETs provide high efficiency, increased power density, and reduced system size.
Sponsored Resources:
About the Author

Lou Frenzel
Technical Contributing Editor
Lou Frenzel is a Contributing Technology Editor for Electronic Design Magazine where he writes articles and the blog Communique and other online material on the wireless, networking, and communications sectors. Lou interviews executives and engineers, attends conferences, and researches multiple areas. Lou has been writing in some capacity for ED since 2000.
Lou has 25+ years experience in the electronics industry as an engineer and manager. He has held VP level positions with Heathkit, McGraw Hill, and has 9 years of college teaching experience. Lou holds a bachelor’s degree from the University of Houston and a master’s degree from the University of Maryland. He is author of 28 books on computer and electronic subjects and lives in Bulverde, TX with his wife Joan. His website is www.loufrenzel.com.
Voice Your Opinion!
To join the conversation, and become an exclusive member of Electronic Design, create an account today!

Leaders relevant to this article:



