Trio of Tiny Gate Drivers Support Up to 200-V Half-Bridge Topologies
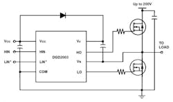
There seems to be no end to the need for gate drivers for MOSFETs and IGBTs. On that front, a trio of drivers from Diodes Inc. targets high-voltage, high-speed requirements in power converters, inverters, motor control, and Class-D power amplifier applications. The company’s DGD2003S8, DGD2005S8, and DGD2012S8 devices are aimed at motor applications up to 100 V. However, they can support 200-V applications due to their junction-isolated level-shift technology which creates a floating-channel high-side driver in a bootstrap arrangement (see figure).
The latest trio of 100-V gate drivers from Diodes Inc. feature junction-isolated level shifting to control a pair of bootstrapped two N-channel MOSFETs in the 200-V half-bridge configuration.
These SO-8 devices can control two N-channel MOSFETs in the half-bridge configuration often seen used in power tools, robotics and drones, and small electric vehicles. The three drivers differ primarily (but not solely) in their sink/source ratings, with source and sink currents of 290 mA and 600 mA for the DGD2003S8 and DGD2005S8, respectively, and 1.9A/2.3A source/sink for the DGD2012S8. Their control-logic inputs include Schmitt triggers to eliminate noise-induced turn-on/off chatter and are compatible with standard TTL and CMOS levels (down to 3.3 V) to ease interfacing with the controlling device.
The DGD2003S8, DGD2005S8, and DGD2012S8 also include undervoltage lockout for both their high- and low-side drivers, among other features. Comprehensive datasheets include specifications and graphs defining static and dynamic performance across a wide range of parameters and operating conditions. The drivers are specified to operate from −40 to +125°C and are priced at $0.35 for DGD2003S8 and DGD2005S8, and $0.53 for DGD2012S8 (5000-piece lots).
About the Author

Bill Schweber
Contributing Editor
Bill Schweber is an electronics engineer who has written three textbooks on electronic communications systems, as well as hundreds of technical articles, opinion columns, and product features. In past roles, he worked as a technical website manager for multiple topic-specific sites for EE Times, as well as both the Executive Editor and Analog Editor at EDN.
At Analog Devices Inc., Bill was in marketing communications (public relations). As a result, he has been on both sides of the technical PR function, presenting company products, stories, and messages to the media and also as the recipient of these.
Prior to the MarCom role at Analog, Bill was associate editor of their respected technical journal and worked in their product marketing and applications engineering groups. Before those roles, he was at Instron Corp., doing hands-on analog- and power-circuit design and systems integration for materials-testing machine controls.
Bill has an MSEE (Univ. of Mass) and BSEE (Columbia Univ.), is a Registered Professional Engineer, and holds an Advanced Class amateur radio license. He has also planned, written, and presented online courses on a variety of engineering topics, including MOSFET basics, ADC selection, and driving LEDs.


