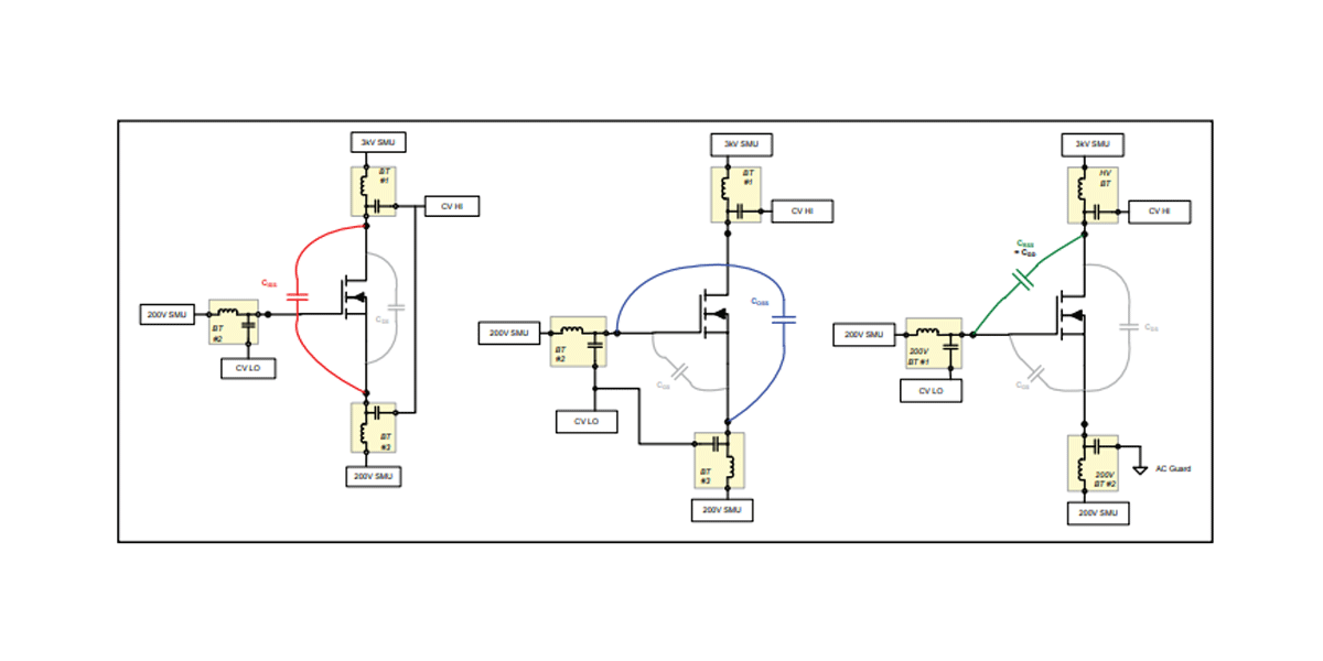
Measuring DC and capacitance parameters for high power semiconductor devices requires sufficient expertise to optimize the accuracy of various measurements. Even for those with this level of expertise,
managing set-up changes between ON-state, OFF-state and capacitance voltage (C-V) measurements can be time consuming and prone to errors; this is especially true in the on-wafer environment.

