Instrumentation Amp Features Tight Parameter Focus, Superior Results
Given the very credible performance of large-scale analog front-end ICs that combine signal conditioning, analog-to-digital conversion, and more, as well as availability of so many high-performance op amps and their siblings, you might think there’s little need for yet another instrumentation amplifier.
However, that reasoning is shortsighted, as there’s a never-ending demand from circuit designers for basic building-block analog components that excel in one or a few especially critical parameters. For example, instrumentation amplifiers (in-amps) provide signal conditioning for specialized, sensitive chemical and biomedical sensors where one of the top-tier parameters of concern is input bias current—even a little bit of this current can “upset” the sensor’s fragile output performance.
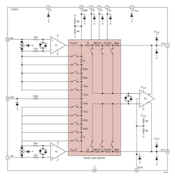
Addressing these needs is the Analog Devices LTC6373, a precision instrumentation amplifier with fully differential outputs that boasts input bias current of just 25 pA (Fig. 1). This in-amp also allows users to easily set the gain to one of seven values via a three-bit parallel interface, while the eighth setting puts the amplifier in a shutdown mode, reducing the current consumption to 220 μA.
Its closely matched internal resistor network helps it achieve excellent minimum CMRR of 103 dB at gain = 16, along with maximum offset voltage of 92 μV (maximum) at that same gain, maximum gain error of 0.012%, and gain drift of 1 ppm/°C, all important specifications for high-precision sensor signal conditioning, (Note that these numbers are minimum or maximum values rather than “typical,” an often-used but unsatisfactory qualifier for serious design for many of these applications.) Other important numbers include –3 dB bandwidth of 4 MHz; input noise density of 8 nV/√Hz; and slew rate of 12 V/μs, all at the same gain of 16.
In addition, the vendor addresses a problem associated with in-amps: While they’re traditionally specified with a valid input common-mode range and an output-swing range, swing limitations are associated with internal nodes due to a combination of the gained-up differential signal and common-mode signal.
Designers can utilize the LTC6373 datasheet or a free online tool to determine the maximum input common-mode voltage limits for which a valid output is produced for each gain setting of LTC6373, using what’s called a “Diamond Plot” (Fig. 2). This is somewhat analogous to a safe-operating-area (SOA) chart for a power device.
Despite the functional simplicity of in-amps in general, the 37-page LTC6373 datasheet is also packed with dozens of tables, graphs, and histograms characterizing performance across a wide variety of static and dynamic operating conditions—another necessity for confidence in a precision design. The device operates from a supply voltage of ±4.5 to ±18 V, comes in a 12-lead, 4- × 4-mm DFN (LFCSP) package, and is fully specified over the −40 to +125°C temperature range. Pricing is about $5 each in 1000-piece orders.
About the Author

Bill Schweber
Contributing Editor
Bill Schweber is an electronics engineer who has written three textbooks on electronic communications systems, as well as hundreds of technical articles, opinion columns, and product features. In past roles, he worked as a technical website manager for multiple topic-specific sites for EE Times, as well as both the Executive Editor and Analog Editor at EDN.
At Analog Devices Inc., Bill was in marketing communications (public relations). As a result, he has been on both sides of the technical PR function, presenting company products, stories, and messages to the media and also as the recipient of these.
Prior to the MarCom role at Analog, Bill was associate editor of their respected technical journal and worked in their product marketing and applications engineering groups. Before those roles, he was at Instron Corp., doing hands-on analog- and power-circuit design and systems integration for materials-testing machine controls.
Bill has an MSEE (Univ. of Mass) and BSEE (Columbia Univ.), is a Registered Professional Engineer, and holds an Advanced Class amateur radio license. He has also planned, written, and presented online courses on a variety of engineering topics, including MOSFET basics, ADC selection, and driving LEDs.
Voice Your Opinion!
To join the conversation, and become an exclusive member of Electronic Design, create an account today!

Leaders relevant to this article:


