In-Package Hall-Effect Current Sensing: Tackling the Drift Challenge
What you’ll learn:
- Options for high-voltage current sensing.
- Historical challenges with in-package Hall-effect current sensors.
- In-package Hall-effect current sensor working principles.
From autonomous vehicles to aircraft to factory floors, electrification and automation advances are rapidly transforming our world. Systems that were previously mechanical or hybrid are moving toward full automation and electrification thanks to increases in performance and reliability, along with the lower total lifetime costs of fully automated solutions.
In fact, we’re in the middle of a fourth industrial revolution focused on automation and smarter monitoring, also known as Industry 4.0. With the electrification revolution in full swing, high-voltage systems are enabling higher efficiency and performance.
For those systems incorporating high-voltage domains, signal and power isolation can help protect people and critical circuits from high-voltage ac or dc power sources and loads. Adding more electrical functionality makes it increasingly important to shrink these systems to make them easier to scale while also reducing bill of materials, simplifying design, and maintaining high performance.
In high-voltage systems, current sensing handles overcurrent protection, monitoring and diagnostics, and closed-loop control. Furthermore, high-voltage systems often require high accuracy for monitoring and controlling loads to maximize efficiency. Power-factor-correction (PFC) circuits, for example, require the accurate sensing of ac currents to improve system efficiency and monitor energy consumption. High-voltage motors require precise in-line motor-current sensing for accurate torque control of the motor.
With so many requirements and variables, it can be difficult to know which current-sensing approach is best for your design. This article explores the tradeoffs and considerations between three different current sensors.
Options for High-Voltage Current Sensing
You have three main options for measuring current in high-voltage applications: isolated shunt-based current sensors, closed-loop Hall-effect current sensors, or in-package Hall-effect current sensors.
Isolated shunt-based and closed-loop Hall-effect current sensors provide the highest levels of accuracy and isolation (Table 1). However, they’re more expensive and larger than in-package Hall-effect current sensors and have more complex designs since they require external components.
Historical Challenges with In-Package Hall-Effect Current Sensors
If size and cost are equally critical to your design, in-package Hall-effect current sensors may be your best option. They can enable high-voltage isolated measurements in a simple, small form factor that requires no external components. However, they’ve historically drifted over time and temperature, which limits their accuracy.
Designers have attempted to reduce this drift and nonlinearity through linear correction efforts, but even these approaches can’t achieve sensitivity below 2%-3% across temperature. Moreover, they only calibrate to temperature at time zero, or a single point in time. To further improve accuracy and lower the sensitivity specification, you could try conducting system-level multipoint calibration to account for temperature drifts. This effort is limited by the testing capabilities, though, plus it adds more cost and takes longer to get a product to market.
The TMCS1100 family of zero-drift in-package Hall-effect current sensors developed by Texas Instruments eliminates this tradeoff. Precision signal-chain technology, as well as high-precision factory calibration and in-circuit compensation, adjust for temperature, stress, and aging to help deliver consistent, accurate measurements over time and temperature in high-voltage systems.
In-Package Hall-Effect Current-Sensor Working Principles
These zero-drift in-package Hall-effect current sensors enable current flow through the leadframe, which is electrically isolated from the die. The leadframe loop then generates a magnetic field proportional to the current, and a precision Hall-effect sensor converts that magnetic field to a voltage signal (Fig. 1).
The TMCS1100 provides <1% total error current measurement, and its zero-drift precision signal-chain-architecture improves drift over temperature and eliminates the need for multipoint calibration. In addition, the accuracy helps boost efficiency in systems for better control, while minimizing complexity for any application that needs high-precision isolated current measurements.
Both the TMCS1100 and TMCS1101 provide sufficient lifetime isolation margin and 600 V of working voltage in an 8-pin small-outline IC (SOIC) package with higher lifetime margins than what’s required by industry standards, as shown in the time-dependant dielectric breakdown curve (TDDB) in Figure 2. Industry standards dictate a 26-year lifetime with a 20% voltage safety margin (the light blue bar in the figure).
If price is a key consideration, the TMCS1107 and TMCS1108 present other options if your isolation needs are more flexible. Table 2 compares the four devices.
Target Applications
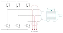
A typical application for a Hall-effect current sensor involves measuring current in-line to a motor (Fig. 3). What makes a Hall-effect current sensor work in this scenario is that it can sense ac currents. In addition, it has a high common-mode rejection as well as other factors such as inherent isolation, high-voltage capabilities, ease of use, small size, and low power loss. Other areas where Hall-effect current sensors work well include making general high-voltage ac or dc measurements.
As discussed, there are three primary ways to measure current in high-voltage systems, with each having their own tradeoffs. You can learn more about the advantages of TI’s approach to magnetic-based current sensing, which include higher accuracy, lower drift, and reliable 3-kV isolation, in the white paper, “Improving Performance in High-Voltage Systems with Zero-Drift Hall-Effect Current Sensing.” For more information on TI’s isolated shunt-based current sensors, check out the Isolated ADC and Isolated Amplifier portfolios.
About the Author
Mubina Toa
Product Marketing Engineer, Texas Instruments
Mubina Toa is a product marketing engineer in the Current and Position Sensing product line at Texas Instruments. She holds a Bachelor’s in electrical engineering from Texas A&M. Her market focus is on industrial current sensing, although she has previous experience with inductive and ultrasonic sensing.
Voice Your Opinion!
To join the conversation, and become an exclusive member of Electronic Design, create an account today!

Leaders relevant to this article:





