How to Shield and Filter RF Designs from EMI
This article is part of the TechXchange: Delving into EMI, EMC and Noise
Members can download this article in PDF format.
What you'll learn:
- What are the main generators RF EMI?
- How to implement electromagnetic and electrostatic shielding.
- Passive and active filtering for RF designs.
Suppressing RF EMI will require multiple solutions that designers can implement on their board design or with shielding materials. Proper electromagnetic shielding will help minimize or even block electromagnetic interference (EMI) to a circuit designer’s best, creative RF electronic design.
This article presents techniques to effectively employ EMI shielding and filtering. It not only enables proper operation of the electronic design, but also quickens time to market.
Where Does Typical RF EMI Come From?
Interconnects can be a major carrier of RF EMI signals. A major “RF” offender would be any signal that falls into one of the allocated radio bands as defined by governments around the globe. Conductors, carrying an RF signal at high frequencies, will generate harmonic electric and magnetic fields that may cause a replica of the signal to be received by a neighboring interconnect.
Switching harmonics, generated by switching or via power converters, also will generate high radiated and conducted EMI that appears at the outputs of the switching power converter.
Furthermore, RF EMI can emanate from switching harmonics or even digital signals switching states. This type of noise may appear as a capacitively or inductively induced pulse on nearby interconnects and cables instead of appearing as random noise.
Finally, RF EMI from external sources may come from an electrostatic discharge (ESD), which can conduct a broadband pulse into your system design or even be injected as conducted EMI through a power input.
Electromagnetic Shielding
Electromagnetic shielding will reduce an electromagnetic field from entering an RF design by blocking the field with various barriers constructed of conductive or magnetic materials. Shielding is usually applied to enclosures to isolate electrical/electronic devices from their noisy surroundings.
In addition, shielding is applied to cables to isolate wires from the environment through which the cable runs. Electromagnetic shielding, which blocks radio-frequency electromagnetic radiation, is known as RF shielding. Shielding can reduce the coupling of radio waves, electromagnetic fields, and electrostatic fields into a designer’s circuit as well.
A conductive enclosure, used to block electrostatic fields, is called a Faraday cage. The amount of EMI reduction depends greatly on the material used, its thickness, the size of the shielded volume, and the frequency of the fields of interest. Other factors include the size, shape, and orientation of any apertures in the shield to an incident electromagnetic field.
Electrostatic Shielding
The susceptibility/sensitivity toward static electricity (known as electrostatic discharge, or ESD) in high-speed, high-power-density electronic circuits is far higher as compared to its low-speed, low-power-density circuits.
Static electricity, which is external to your design, can cause catastrophic failures in your circuit design. To help prevent any high-level external electric field from damaging your design, the use of electrostatic shielding will create a barrier to effectively isolate your circuit.
Electrostatic shields may include small apertures that are allowed in electrostatic shields, since the electric field inside the cavity is relatively small for such openings. This type of shield also reduces the expenditure for ventilation. Such apertures are sometimes used for cable or wire harnessing, too, as well as access points to the internal circuitry.
EMI Filtering for RF Designs
Passive filtering is a method that will reduce conducted emissions of an electronic circuit by using inductors and capacitors to create an impedance mismatch in the EMI current path. Active filtering also be used to sense the voltage at the input bus and produce a current of opposite phase that will directly cancel the EMI current generated by a switching stage.
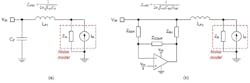
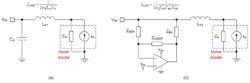
The figure demonstrates a simplified passive and active filter circuit where iN is the current source and ZN is the impedance of the Norton equivalent circuit for differential-mode noise from a dc-dc regulator.
The filter design shown in the figure can be used in automotive applications. The active filter uses voltage sense and current injection, which will enable a low EMI signature and leads to a reduced footprint and volume, as well as an improved solution cost. The integration of an active EMI filter (AEF) circuit, which uses a synchronous buck controller, helps resolve the tradeoffs between low EMI and high power density in dc-dc regulator applications.
Summary
RF shielding is the practice of blocking RF electromagnetic signals, EMI, that can cause radio-frequency interference (RFI). RFI can severely decrease performance of electronic circuitry or even completely render proper circuitry functions useless.
RF shielding is a means of safeguarding a circuit designer’s devices and equipment from the harmful effects brought about by RFI. It can be accomplished by installing barriers around potential sources, as well as victims, of electromagnetic fields. Filtering of RFI is achieved within the electronic system via circuitry that will only allow wanted signals to pass and will reject undesired RFI signals.
Read more articles in the TechXchange: Delving into EMI, EMC and Noise
References
1. “Ten tips for successfully designing with automotive EMC/EMI requirements,” Texas Instruments.
2. “How to reduce EMI and shrink power-supply size with an integrated active EMI filter,” Texas Instruments.
About the Author

Steve Taranovich
Freelance Technical Writer, Phoenix Information Communication LLC
Steve is a contributing editor to Electronic Design.
Author of the non-fiction “Guardians of the Right Stuff,” a true story of the Apollo program as told by NASA and Grumman Corp. engineers, an astronaut, and technicians.
Experienced Editor-In-Chief of EETimes/Planet Analog and Senior Technical Editor at EDN running the Analog and Power Management Design Centers from 2012 to 2019.
A demonstrated history in electronic circuit design and applications for 40 years, and nine years of technical writing and editing in industry. Skilled in Analog Electronics, Space-related Electronics, Audio, RF & Communications, Power Management, Electrical Engineering, and Integrated Circuits (IC).
1972 to 1988 worked as a circuit design engineer in audio (8 years) and microwave (8 years). Then was Corporate Account Manager/applications engineer for Burr-Brown from 1988 to 2000 when TI purchased Burr-Brown. Worked for TI from 2000 to 2011.
Strong media and communication professional with a BEEE from NYU Engineering in 1972 and an MSEE from Polytechnic University in 1989. Senior Lifetime member of IEEE. Former IEEE Long Island, NY Director of Educational Activities. Eta Kappa Nu EE honor society member since 1970.

