Quad-Channel TIA and Output Mux Simplify Photodiode Interface
It’s a common and even correct refrain that today’s cars are increasingly becoming computers on wheels. That reality is largely keyed to implementation of more sensor inputs and actuator outputs for smarter and even autonomous vehicles. These transducers require suitable analog front ends and interfaces for signal conditioning, and the demands being placed on these—with respect to both number of channels and performance—also have been increasing.
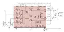
Photodiodes, of course, have a unique set of signal-conditioning requirements and figures of merit. Analog Devices’ LTC6563 IC, a low-noise four-channel transimpedance amplifier (TIA), targets LiDAR receivers using avalanche photodiodes (APDs) and photodiodes (PDs) (Fig. 1).
Key Specs
This IC features 600-MHz bandwidth, low noise, wide linear range, and low power dissipation, all critical attributes for automotive and industrial systems. The fast overload recovery of 2.5 ns and fast channel switchover of 10 ns make the LTC6563 well-suited for LiDAR receivers with multiple APDs.
Further, its internal 4-to-1 multiplexer simplifies the system design while its external multiplexing capability allows for channel expansion up to 64 channels, saving space and power. The built-in high-speed differential ADC driver can swing as wide as 2 V p-p while driving into a 100-Ω external differential load.
The amplifier features selectable transimpedance gain (RT) of 22.2/16.7/11.1/5.55 kΩ and a linear input-current range of 90 μA, critical factors in wide-range photonic situations. When used with an APD having a total input capacitance of 0.5 pF, the input-current noise density is just 1.8 pA/√Hz at 100 MHz and 3.7 pA/√Hz at 600 MHz. The LTC6563 dissipates between 194 and 325 mW using a 3.3-V supply, depending on output mode (13 mW in shutdown).
Eval Board
Designers investigating using any IC as sophisticated as the LTC6563 benefit from an evaluation board, as setup, layout, interconnections, and initialization are critical for assessing performance and optimizing system integration. The complementary EVALLTC6563TQFN-EZKIT evaluation board, shipped along with the SDP-K1 controller board, includes four installed APDs with 400- to 1,100-nm wavelength to enable optical testing of the TIA functionality (Fig. 2).
The APDs are dc-coupled to the TIAs to facilitate fast output multiplexing and channel switching. With minor modifications to the board, it’s also possible to implement electrical testing using an external lab pulse generator as the input-current pulse.
Documentation and support resources also are critical to design-in speed and efficiency. The 34-page datasheet provides the expected tables, charts, graphs, and operational modes versus various operating conditions, along with setup information. Similarly, the evaluation board’s 14-page guide provides connection details, schematic diagrams, GUI walk-through, and other relevant information. In addition, an LTSpice model is available along with two promotional videos, all accessible from the LTC6563 home page.
The LTC6563 is packaged in a 3- × 5-mm, 24-pin exposed-pad QFN package with wettable flanks; AECQ-100 Grade 1 qualification is pending. It’s priced at around $10 depending on the specific version ordered and quantity.
About the Author

Bill Schweber
Contributing Editor
Bill Schweber is an electronics engineer who has written three textbooks on electronic communications systems, as well as hundreds of technical articles, opinion columns, and product features. In past roles, he worked as a technical website manager for multiple topic-specific sites for EE Times, as well as both the Executive Editor and Analog Editor at EDN.
At Analog Devices Inc., Bill was in marketing communications (public relations). As a result, he has been on both sides of the technical PR function, presenting company products, stories, and messages to the media and also as the recipient of these.
Prior to the MarCom role at Analog, Bill was associate editor of their respected technical journal and worked in their product marketing and applications engineering groups. Before those roles, he was at Instron Corp., doing hands-on analog- and power-circuit design and systems integration for materials-testing machine controls.
Bill has an MSEE (Univ. of Mass) and BSEE (Columbia Univ.), is a Registered Professional Engineer, and holds an Advanced Class amateur radio license. He has also planned, written, and presented online courses on a variety of engineering topics, including MOSFET basics, ADC selection, and driving LEDs.


