Best of 2015: One Company’s Two-Pronged Effort in Remote Sensing
This file type includes high-resolution graphics and schematics when applicable.
In what seemingly is the case every year, the slate of analog-related announcements in 2015 was wide and varied. Narrowing down the field for Best of Analog this year was a tough task, but two products from Intersil rose to the top.
Four-Channel Surround-Video Decoder
The first device from Intersil, the TW9984, is a four-channel analog video decoder with a built-in analog video encoder for around-view parking-assist applications, providing improved safety for drivers and pedestrians (Fig. 1). It’s used to create multiple, 360-degree, surround images for advanced driver assistance systems (ADAS).
ADAS is like a rear-view camera on steroids. Typically, four video cameras are positioned around the vehicle. They create real-time images that are combined to present the driver with a 360-degree, top-down, “bird’s-eye” view of the surrounding area.
Ultimately, this is more than just a tool for parking assistance and blind-spot detection/elimination. It’s an obvious component of future autonomous control. Even today, automotive image-sensor penetration in vehicles is increasing—ABI Research estimates shipments will reach 197 million by 2020.
The TW9984 integrates four high-quality NTSC/PAL/SECAM analog video decoders with 10-bit analog-to-digital converters (ADCs) to support four analog camera inputs simultaneously. Flexibility in the digital output interface makes it easy for system designers to send the images to a processor, which subsequently combines the four images into a single unified around-view image. With the on-chip analog video encoder, the combined video can be transmitted as a standard analog composite signal to the head unit display.
Based on Intersil's popular video-decoder technology, the TW9984 is priced at $5 in quantities of 1000. In a typical application, it replaces as many as nine discrete components with a single chip.
Time-of-Flight Signal-Processing IC
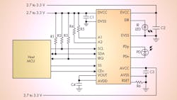
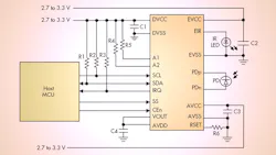
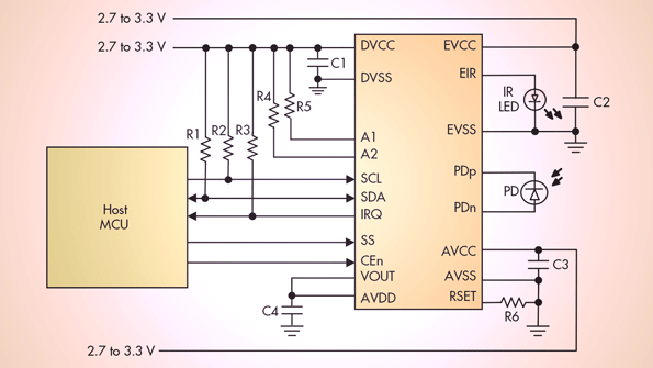
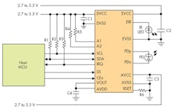
Combined with an external emitter and detector, Intersil’s ISL29501 time-of-flight (ToF) based signal-processing IC enables low-cost, low-power, and long-range optical distance sensing (Fig. 2).
The ISL29501 starts with a current digital-to-analog converter (DAC) that drives an external LED or laser. The modulated light from the emitter reflects off the target and is received by the photodiode. The photodiode then converts the returned signal into current. An on-chip digital signal processor (DSP) uses that current to calculate the time of flight, which is proportional to the target distance. There’s an I2C interface for configuration and control.
According to Intersil, it chose to require an external photodiode and emitter so that users could optimize the system design for performance, power consumption, and distance measurement range. Since the ISL29501 is wavelength-agnostic, it’s possible to match optical wavelengths to applications.
The press release states that 1000-unit pricing is $4.80. At that price, a potential designer can get a reference design kit for $250, which includes USB cable, software GUI with user’s guide, plus system BOM, reference system schematic and layout, datasheet, and applications notes.
Explaining the application focus of the new device, Intersil says the ISL29501uniquely combines “ultra-small size, low-power consumption,” and performance that makes the device “ideal for connected devices that make up the Internet of Things (IoT), as well as consumer mobile devices and the emerging commercial drone market.”
Positioning the device with respect to drones, Intersil goes on to say, “Traditional amplitude-based proximity sensors and other ToF solutions . . . perform poorly in lighting conditions above 2000 lux, or cannot provide distance information unless the object is perpendicular to the sensor. Alternative solutions are too expensive, bulky, or power-hungry for use in small-form-factor, battery-powered applications.”
In contrast, the ISL29501 detects objects as close as 10 cm, and can detect the distance between the ground and drone to provide a soft landing. Placed around and on bottom of drone, the company says ToF would provide better control of landing speed upon detection of the ground.
Texas Instruments and ToF
Although Intersil’s ToF product is unique, it may be useful to mention that Texas Instruments has been pursuing ToF for several years for a different application, namely gesture recognition. While TI has not made a product announcement, it posted a video on gesture recognition that explains a great deal about the technology in that unique context (see www.ti.com/lsds/ti/sensors/3d-imaging-sensors-products.page?paramCriteria=no). The video is worth watching to get a sense of the state of the art in gesture recognition.
About the Author

Don Tuite
Don Tuite (retired) writes about Analog and Power issues for Electronic Design’s magazine and website. He has a BSEE and an M.S in Technical Communication, and has worked for companies in aerospace, broadcasting, test equipment, semiconductors, publishing, and media relations, focusing on developing insights that link technology, business, and communications. Don is also a ham radio operator (NR7X), private pilot, and motorcycle rider, and he’s not half bad on the 5-string banjo.
Voice Your Opinion!
To join the conversation, and become an exclusive member of Electronic Design, create an account today!

Leaders relevant to this article:



