Modern relay technology has been around since the 1960s, and its main function is to provide automation with electrical isolation for many applications. All relays have two separate circuitries: input and output. The main purpose for a relay is to control a hazardous load voltage and current by employing a small signal to the input side, which consists of milliamps at millivolt levels.
Relays in general can be considered a very broad technology that’s used across an endless number of applications in almost every area of electronics. They come in many shapes and sizes, but are generally divided to two main categories—electromechanical and solid-state relays (Fig. 1).
1. Here’s an example of an ultra-small solid-state relay.
Electromechanical relays break down into multiple subcategories based on the relay’s load current and load characteristic. For example, relays that can switch a load current of 2 A or less are called signal relays. Relays that switch high-frequency signals are called high-frequency (RF) relays. Power relays usually switch high load current. And certain types of Relays with a DIN rail mount would be grouped under control-panel relays.
Developed later than electromechanical, solid-state relays are categorized based on their output chip. These consist of phototriacs (for ac output), phototransistors (for dc output), and MOSFET relays (for ac and/or dc output).
Solid-State vs. Electromechanical
With no moving parts, solid-state relays can avoid mechanical-failure modes associated with traditional electromechanical relays, such as contact sticking or permanent welding. They also tend to offer more desirable characteristics and design advantages, such as low power consumption, stable on-resistance over lifetime, long life, small size, fast switching speeds, shock and vibration resistance, and elimination of mechanical contact chatter.
When comparing performance advantages of solid-state-relay (SSR) technology, one quickly realizes that these devices are not created equal. Optical MOSFET-based relays such as PhotoMOS have highly linear input and output characteristics that outshine alternatives such as triacs or optocouplers (Fig. 2). These SSRs with MOSFET output chips can also control small analog signals without distortion.
2. Semiconductor devices are generally classified in this kind of structure.
SSRs that use output chips such as triacs or bipolar transistors have offset voltages that distort and clip signals. This characteristic is very important for precise test equipment and measurement devices. A number of manufacturers offer SSRs that employ two MOSFETs inside one package, which makes it possible to control both ac polarities or allow for separate dc loads in the same device. The ability to control both ac and dc signals in this manner isn’t available when using triacs and phototransistors.
MOSFET relay technology is significant even with just a basic understanding of how the conventional LED-driven MOSFET output relay operates. MOSFET relays (Fig. 3) typically consist of an LED and photoarray that’s molded in a translucent resin, which allows light to pass through while providing a dielectric barrier between the input and output.
3. Shown is the internal structure of a conventional MOSFET relay; in this case, a PhotoMOS.
To turn on the relay, a current is applied to the LED on the input side, which will illuminate. The light is then absorbed by the photoelectric element that converts the light to electric power, similar to a solar cell. This electrical current subsequently passes through a control circuit and charges the gates of the two MOSFETs on the output side. When the gate voltage of the two MOSFETs reaches its set threshold, the MOSFETs begin to conduct, allowing the load to pass through the terminals. Once the LED is turned off, the control circuit rapidly discharges the gate, which will force the MOSFETs to stop conducting and turn off the load.
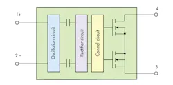
Capacitive-Coupled Relay
4. This is an internal schematic diagram of capacitive-coupled relay (CC TSON).
Taking this technology one step further is a capacitive-coupled relay, such as the Panasonic CC TSON (Fig. 4), which employs a control method that differs from the long-established LED-operated MOSFET relays. In this device, the LED from the input side has been replaced with a capacitive-coupling driver IC (Fig. 5). This allows the relay to be voltage-driven rather than current-driven.
When a dc voltage signal is applied to the input terminals, the circuit in the driver IC begins to oscillate the signal at high speed. This oscillated signal is then passed through a capacitor, which provides isolation between input and output. Afterwards, the signal is converted to a dc voltage by a rectifier circuit. A control circuit takes this rectified dc signal and charges the MOSFET gate on the output side. Once the gate voltage of the MOSFET supplied from the driver IC reaches a preset voltage value, the MOSFET begins to conduct and turns on the load.
5. Shown is the internal structure of the new capacitive-coupled relay (CC TSON).
Removing the LED from the input side relieves some of the design limitations previously encountered by MOSFET relays—specifically, the LED takes up a lot of space (Fig. 6). Without it, the mounting area is approximately 46% smaller than the previous SON type package, making the relay one of smallest in the industry (category is using MOSFET on the output side).
Also, since the capacitive-coupled control circuit is voltage-driven, there’s no need for an external current-limiting resistor on the input side. The capacitive-controlled input has extremely low current consumption—input current draw is 0.2 mA or less, which is significantly lower than the LED current draw of previous MOSFET relays.
Since temperature has a direct impact on the LED character, another advantage of removing the LED from the relay is the ability to withstand industrial ambient operating temperatures. The capacitive-coupled relay (CC TSON) can reliably operate at temperatures up to 105°C, which is 20°C higher than ambient operating temperatures for LED-controlled relays.
6. The PhotoMOS has steadily shrunk in size over the years.
The CCD IC has some limitations. One constraint is that isolation between input and output is 200 V maximum. Since the size of the internal MOSFETs is very small, the relay is still limited to 30- and 40-V (ac-peak or dc) load voltages and 300- or 750-mA load current, depending on the specific variation.
The CC TSON’s Benefits
CC TSONs can be advantageous to several markets. These may include, but are certainly not limited to, automatic test equipment, security equipment and telecommunications. Applications such as IC testers, probe cards, and board testers require high-density mounting. The small size of this type of relay is allowing these designs to push the limits of how many probes can be added to a single test card.
For battery-powered security equipment such as cameras, fire alarms, smoke detectors and handheld radios, extending the life of the replaceable battery is a major interest. The low-power demand to operate the capacitive-coupled relay can be very appealing in these applications.
In I/O modules for safety PLC devices, the ability to withstand high industrial temperature and small size can be crucial. So, when functional isolation for analog-to-digital conversion is desired, the CC TSON is readily able to step in as a solution. Furthermore, the low 0.2-mA current consumption allows the switch to be operated directly by the microcontroller without the assistance of a transistor amplifier circuit.
Conclusion
As long as circuit design has the need to automate switching with electrical isolation, relays will continue to remain integral components. The evolution of relays has gone from using magnetic coil actuators, to LEDs that are used to drive triacs or MOSFETS, to the recent development of capacitive-coupled isolation.
Due to the wide number of benefits and limitations for each type, none of these technologies will be obsolete in the near future. With this newest generation of relays, though, the industry can hope to see more smaller options with the ability to be energized using much lower power than ever before.
About the Author
Jeffrey Katz
Senior Product Engineer
Jeffrey Katz is Senior Product Engineer for Panasonic Industrial Devices Sales Company of America, and an accredited Mechanical Engineer. Jeff is a product specialist in both solid-state and electromechanical relays, as well as passive infrared sensors, fine-pitched connectors, and miniature electromechanical switches (light touch and snap action).
Voice Your Opinion!
To join the conversation, and become an exclusive member of Electronic Design, create an account today!

Leaders relevant to this article:







