Back on September 1st, 2010, I wrote Bob Pease asking about the early history of voltage references. An amazing fount of knowledge, Pease replied to my questions saying, “These are tough questions, and almost none of them are easy to answer. I could put in 1, 2, 4 hours trying to answer them. Let's see how far I get in 5 minutes.”
A Glowing Reference
My first question was what engineers used before bandgap voltage references. Pease replied:
“We used neon glow tubes such as the OA-2, OB-2, and the 85A2 (Fig. 1), as used in Bruce Seddon's R-300. Many semi-precision instruments in the vacuum tube era used those. I built a 4701-type V-to-F converter in 1995, using the OB2, and it wasn't bad at all, using all 1941 parts. I could have made a darned good DVM (digital voltmeter) back in 1941, ignoring the fact that I was only 1 year old, and I would have had to teach my mother how to do the soldering. That's the way it is, with time machines.”
1. The 85A2 neon voltage-reference tube had a metal cover to shield the tube from ambient light. Light striking the tube would lower the regulation voltage by ionizing some of the gas in the tube. (Courtesy of Mark Hippenstiel)
I note the 85A2 neon tube had a metal cover. That’s because incident light will change the trigger voltage. I see this with old plug strips with neon indicators. I have one where the indicator stays off in the dark, but when I turn on the room lights, the indicator starts flickering. The incident light ionizes some of the gas in the tube, so it successfully avalanches and glows despite being worn out.
This type of multiphysics reaction, as the people at Comsol might call it, affects a lot of systems. Years ago, Comsol showed me how they can simulate a transformer not just for its magnetics, but for how the self-heating of the core would change the magnetic properties and, hence, the electrical simulation. Another example they gave was calculating the dynamic flow through an aorta when the pressure would change the size of the artery.
Other systems that have multiphysics considerations are silicon oscillators, which will start up faster than a quartz crystal. Quartz crystals are also affected by shock, as they are a mechanical system as well as an electrical one.
Keen on Zeners
I went on to ask Pease what kinds of early references were there besides bandgaps. He noted, “Zener diodes and temperature-compensated Zeners such as the 1N821, 1N823, 1N825 families, and dozens of others of selected Zeners. These ran on 7.5 mA; the 1N4571 ran on 1/2 mA. These came along before silicon transistors. Standard cells have been used before that. Bruce Seddon in the R300 datasheet recommended that you could use a stack of 65 1.34-volt mercury cells, to replace the 85A2 for better long-term stability, but you can't buy them anymore.”
2. The temperature coefficient (TC) of a Zener diode depends on the breakdown voltage of the particular part. Below 5.6 V, the coefficient is negative, as dictated by the Zener effect. Above 5.6 V, the avalanche effect dominates and the TC is positive. (Courtesy of Wikimedia)
Zener diodes are interesting in that they can have a positive or a negative temperature coefficient (TC) depending on the breakdown voltage of the part (Fig. 2). Zener diodes with a breakdown voltage above 5.6 V have a positive TC. The breakdown voltage goes up with increasing temperature. Zeners with a breakdown voltage below 5.6 have a negative TC; the breakdown voltage falls at higher temperature. A 5.6-V Zener diode has negligible coefficient.
Like neon glow tubes, hot transformers, and quartz crystals, there’s a multiphysics factor. Diodes with breakdowns below 5.6 V are dominated by the Zener effect. Parts with breakdown voltages above 5.6 V are dominated by the avalanche effect.
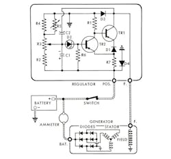
3. An old Delco training manual shows the circuit of an early GM electronic voltage regulator. Zener diode D2 is in series with an emitter-base junction of a PNP transistor TR2. The negative temperature coefficient of the transistor offsets the positive coefficient of the Zener diode.
A trick we used back in the 1970s was to offset the TC of a Zener with an emitter base junction (Fig. 3). Automotive design is extremely cost-sensitive, so rather than use two 5.6-V Zeners to get close to the 13.75-V ideal battery charging voltage, Delco designers put an emitter-base junction in series with a higher-voltage single Zener. The positive TC of the Zener is offset by the negative TC of a transistor junction. Using the transistor as a part of the reference is cheaper than two diodes and a transistor used as a simple voltage-follower buffer.
Beginning of the Bandgaps
Next I asked when did Bob Widlar invent bandgap references. Pease expounded, “About 1968, when he brought out the LM109. That was well before the LM113, which was about 1971. He borrowed the idea from Dave Hilbiber of Fairchild from his old ISSCC (International Solid-State Circuits Conference) paper. Widlar took the (opposing) stacks of 11 and 10 NPN transistor Vbe's (base-emitter voltages), running on 10 volts, and folded them to work on 1.5 volts.”
I should note that Bob Dobkin, CTO of Linear Technology, part of Analog Devices, is on the patent application with Widlar. It was sensible to patent the idea. Back in the 1970s, it was pretty easy to cut open the metal can of an op amp or voltage reference and reverse-engineer the circuitry. Former Maxim application engineer Eric Schlaepfer, now at Alphabet, does this for fun. I was impressed when he did this for logic ICs. I was astounded when he started reverse-engineering 555 timer chips, 741 operational amplifiers, and 6502 microcontrollers.
Another innovator for bandgap references is Analog Devices’ Paul Brokaw, who wrote a great pamphlet about bandgaps when he was with Integrated Device Technology. One of his improvements was to add an op amp to the bandgap circuit, to improve stability and load regulation.
I have a signed copy of Pease posing as the “Czar of Bandgaps” (Fig. 4). I got it at a seminar in October of 1999. I asked him how he came to be called that. Pease replied, “Very simple - because about 40 to 60% of the bandgap IC's that National Semiconductor brought out in the 1980's, had old dumb errors, and I wanted to make sure we stopped making old dumb errors, and to make only a minimum of new dumb errors. So I declared myself the Czar of Bandgaps. to help minimize such errors, old and new. You can tell people where to find the photo of The Czar with garlands of LM117's (rejects). Many such errors are related to layout and can be caught at a good beer-check.”
4. National Semiconductor had fun with Bob Pease’s persona as the Czar of Bandgaps. They made him a great costume he could use in seminars and advertisements. This signed poster overlooks my lab bench and keeps me diligent.
I then asked Pease if anybody makes Zener references anymore. He noted, “I guess so. I ain't looked much, recently. LTC and NSC still make LM129's and LM329's. I'm sure you can still buy 1N823's and 1N825's" When I asked if he had any other comments about references, he said, “I wrote a whole article in some darned encyclopedia, with the whole history. Hundreds of years. But this may not be on the 'net. That was ~ 14 years ago.”
Back then I did not know of Linear Technology’s LTZ1000, one of the best voltage regulators you can buy at any price. Its back to the physics thing. The LTZ1000 uses a buried Zener. This means the semiconductor junction is below the surface of the IC die. This makes for less electrical noise since there are fewer impurities and crystal defects below the surface. This is the same reason JFET (junction field effect) transistors and op amps have less noise than many bipolar or CMOS parts.
I mentioned to Pease how I loved his article in Electronic Design about using multiple references to reduce noise. He noted, “Yeah, the art of paralleling and averaging is obscure, but not unknown. Of course, you have to start with a population of no drifters, and very few noisy ones... or else, sort out the bad ones, and keep the good ones. This is fairly labor-intensive.” Pease then signed off with his classic, “Gotta run. Beast [sic] regards. / rap”
Drifting Off
Drift, the slow inevitable changes in a reference’s output, was of special interest to Pease. The physics of TC are pretty well understood, but drift remains a mystery. In addition to Zener and bandgap references, the Intersil division of Renesas has a reference based on floating-gate technology. This is the same process as is used in flash memory. If you raise the voltage across a thin oxide layer, electronics will tunnel into the otherwise unconnected gate of a MOSFET (metal oxide field-effect transistor). This charges the gate up and sets a conductance of the FET.
When I learned of this type of reference, I asked Barry Harvey, then at Intersil, if the charged voltage would bleed off over time and at high temperatures. He assured me it was a matter of attoamperes, even at higher temperatures over decades. He also reminded me that the size of the gate was an IC designer’s prerogative. A large gate means a lot of charge that will persist over time and drift less. The downside is a large gate takes a lot of die area, but it’s thankfully only a small part of the total die cost. These types of references have a unique combination of noise and power consumption that may be ideal for your system.
Besides noise and drift, you have to understand there is an initial accuracy spec for references. Many system designers feel that drift and TC is what is important, since any digital system can calibrate out any initial accuracy deviation. Years ago, it was common for low-drift references to have an initial accuracy as bad as 5%. This got much tighter with the advent of lithium-ion battery charging. Because you have to control the charging voltage to 1% or better, a slew of references now have sub-1% accuracy.
Don’t forget about that startup time lesson from the quartz crystal. If you’re doing power management in your system, you may have to leave the reference powered, or wait a suitable time until the initial turn-on drift settles down.
Like much of analog, there’s much to know about references—parts that have only two or three pins. Keep digging and be sure to let the great application engineers at the manufacturers help you understand all of the tradeoffs and tricks. Bob Pease is no longer with us, but his passion to understand and explain is carried on by those engineers.
About the Author

Paul Rako
Creative Director
Paul Rako is a creative director for Rako Studios. After attending GMI (now Kettering University) and the University of Michigan, he worked as an auto engineer in Detroit. He moved to Silicon Valley to start an engineering consulting company. After his share of startups and contract work, he became an apps engineer at National Semiconductor and a marketing maven at Analog Devices and Atmel. He also had a five-year stint at EDN magazine on the analog beat. His interests include politics, philosophy, motorcycles, and making music and videos. He has six Harley Sportsters, a studio full of musical instruments, a complete laboratory, and a video set at Tranquility Base, his home office in Sun City Center Florida.
Voice Your Opinion!
To join the conversation, and become an exclusive member of Electronic Design, create an account today!

Leaders relevant to this article:





