Trio of Class-D Amplifiers Addresses Today’s Home Audio Demands
As nearly all audio amplifiers have transitioned from linear or near-linear operating modes (Class A, AB, and B) to digital (Class D), it may seem that the only areas for improvement are in power rating, efficiency, enhanced filtering, and output protection. Certainly, that’s where the bulk of the new product development has occurred, but the world of audio amplifiers for consumer and home applications is changing, too.
To address this situation, Texas Instruments has introduced thee digital-input, Class-D audio amplifiers with distinct, non-overlapping features and functions. They target the evolving needs of audio installations, such as smart speakers, sound bars, TVs, notebook computers, and projectors.
TAS2770
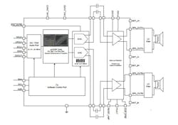
The TAS2770 15-W monophonic audio amplifier increases loudness while supporting easier voice-input interfacing (Fig. 1). This IC can deliver high-output-level peak power into small loudspeakers, and includes loudspeaker protection via built-in monitoring of speaker current and voltage (I/V sense). It also includes a digital-microphone input channel and captures voice and ambient acoustic information for echo cancellation or noise reduction in voice-enabled applications; TI claims that the combination of digital microphone input with a I/V sense amplifier is an industry first.
1. The TAS2770 audio amplifier from Texas Instruments includes integrated speaker voltage and current sense functions for real-time monitoring of loudspeaker condition and behavior.
To avoid the distortion of audio clipping, often due to, but not limited to, supply “brown out” (when the supply rail can’t deliver adequate dc power for the desired output power), it automatically decreases gain when audio signals exceed a set threshold. Up to eight devices can share a common bus via either I2S/TDM or I2C interfaces. Pricing for the 26-pin VQFN starts at $1.49 (1,000 pieces).
TAS5825M
The TAS5825M audio amplifier delivers high-resolution audio due to the device’s high input-sampling frequency (192 kHz) along with flexible, integrated processing flows. In addition, the TAS5825M provides bass enhancement and thermal protection for the speaker. To simplify echo cancellation, its dedicated data output via the I2C audio interface provides ambient-sound information to the applications processor.
An integrated sample-rate converter (SRC) detects the input sample rate and auto-converts it to the target sample rate. A proprietary hybrid-mode modulation scheme reduces idle-power losses and thermal dissipation without degrading sound quality. The 32-pin VQFN starts at $2.64 (1,000 pieces).
TAS3251
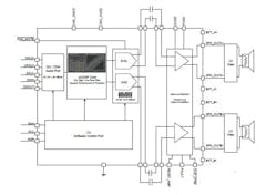
According to TI, the TAS3251 audio amplifier is the first integrated, dual-channel, digital-input device to support high output power and performance, delivering 175 W per channel into 4-Ω loads or 220 W per channel (3 Ω loads) in a single package (Fig. 2). In bridge-tied load (BTL) mode, the channels can be combined to double the power to the single channel.
2. The TAS3251 175-W stereo/350-W mono, ultra-high-definition audio amplifier from Texas Instruments has a built-in DSP core that supports advanced signal processing, filtering, and other functions, and can compensate for loudspeaker and room characteristics.
The 90% efficient design (4 Ω) minimizes heat. However, at these power levels, “excesses” can be a problem, so the device guards against and includes error reporting of factors such as undervoltage, cycle-by-cycle current limiting, output short circuit, clipping detection, overtemperature warning and shutdown, and dc speaker protection. It operates from a 12- to 36-V supply rail and includes an I2C interface. The 56-pin HSSOP device is priced at $5.95 (1000 pieces).
Audio ICs such as these pack numerous features and functions into their design, so design-in may not seem easy, at first. Easing the design-in effort begins with detailed datasheets (96, 71, and 123 pages, respectively), each replete with performance charts and tables across a wide range of operating conditions; register configurations for setup and operating modes; and suggested PCB layout options. In addition, design-in is bolstered by reference designs and evaluation boards, as well as TI’s PurePath Console software, which eases configuration of these amplifiers.
About the Author

Bill Schweber
Contributing Editor
Bill Schweber is an electronics engineer who has written three textbooks on electronic communications systems, as well as hundreds of technical articles, opinion columns, and product features. In past roles, he worked as a technical website manager for multiple topic-specific sites for EE Times, as well as both the Executive Editor and Analog Editor at EDN.
At Analog Devices Inc., Bill was in marketing communications (public relations). As a result, he has been on both sides of the technical PR function, presenting company products, stories, and messages to the media and also as the recipient of these.
Prior to the MarCom role at Analog, Bill was associate editor of their respected technical journal and worked in their product marketing and applications engineering groups. Before those roles, he was at Instron Corp., doing hands-on analog- and power-circuit design and systems integration for materials-testing machine controls.
Bill has an MSEE (Univ. of Mass) and BSEE (Columbia Univ.), is a Registered Professional Engineer, and holds an Advanced Class amateur radio license. He has also planned, written, and presented online courses on a variety of engineering topics, including MOSFET basics, ADC selection, and driving LEDs.
Voice Your Opinion!
To join the conversation, and become an exclusive member of Electronic Design, create an account today!

Leaders relevant to this article:


