Download this article in PDF format.
It should come as no shock that the dated 12-V auto electrical systems are no longer viable in new vehicles, especially hybrid electrical vehicles (HEVs) and the new all-electric vehicles (EVs). The replacement systems use either 48-V batteries for HEVs or 400+-V batteries for EVs. These power-hungry systems rely on the higher voltages as well as switch-mode techniques that give them the efficiency necessary to make them practical.
Sponsored Resources:
- Driving the future of HEV/EV with high-voltage solutions
- Automotive Dual Channel SiC MOSFET Gate Driver Reference Design with Two Level Turn-off Protection
- Get on the fast-track to automotive system innovation with Texas Instruments
Why Higher Voltage?
As an EE, it should be obvious to you why higher voltages are being adopted. Higher voltages boost efficiency. The dramatic increase in electronics designed into vehicles over the years has revealed the weaknesses of standard 12-V electrical systems. The advanced driver assistance systems (ADAS) now in most new vehicles have added multiple processors and high-current sensors and actuators, in addition to other devices. Processor power has also jumped significantly, leading to added higher I2R losses in cables, connectors, and PCB connections.
For a given amount of power, higher voltages reduce the current. That means smaller wire can be used, thereby reducing cost and weight. Increasing the 12-V supply voltage by a factor of four to 48 V results in an x16 reduction in power. Most new hybrid vehicles now include a 48-V system, and standard vehicles with internal combustion engines are moving in that direction.
As for EVs, all require high voltage to power the motor. Voltage levels of 400 to 800 V or more are needed to generate sufficient power to run the vehicle. Look for higher voltages to become the norm in vehicle electrical systems.
The challenges facing the automotive industry require innovative high-voltage electronics technology and power management throughout the signal chain. Car manufacturers and Tier-1 suppliers now have a source of advanced semiconductor solutions to support all new designs. The following reference provides more detail.
Switch-Mode Power Supplies (SMPS)
As you know, there are three basic types of SMPS: ac-dc or rectifier power supplies, dc-dc converters, and dc-ac inverters. EVs and HEVs use all three types. The ac-dc supply is used to charge the batteries. The trend is to put the charger in the vehicle; the on-board charger (OBC) converts the standard ac mains voltage into a dc suitable for battery charging. OBCs greatly simplify and cost-reduce or minimize the need for charging stations.
The dc-dc converters are used in a variety of roles for powering the processors and other electronics such as a 48- to 12-V supply.
Inverters power the ac traction motors used in EVs and HEVs. Such ac motors are used in virtually all electric vehicles because of their greater efficiency. Variable-frequency drives provide the speed control.
Up to now, silicon power MOSFETs have been the primary switching device in most of these supplies. However, these devices have their voltage and current limitations. Beyond the roughly 4- to 6-kW level, other devices are needed. One good alternative is the silicon-carbide (SiC) MOSFET. For even higher power, the best choice is the insulated gate bipolar transistors (IGBT). Both types offer higher breakdown voltages and higher current capability along with the fast switching speeds required to achieve good efficiency ratings.
While SiC MOSFETs and IGBTs can handle the higher power levels demanded by EV and HEVs, they do have special gate-drive and circuit-protection needs. High drive voltages, fast switching speed, and a negative drive voltage are all essential to ensure fast turn-off.
Energy efficiency and electrification of vehicles has become a key global focus. To learn more, check out the white paper “Driving the future of HEV/EV with high-voltage solutions,” which details the value of high voltage and switch-mode power supplies, and the advanced power electronics required to handle them.
Automotive SMPS Example
Two good examples of SMPS are an OBC and a traction motor inverter. In one OBC design (Fig. 1), the charger uses an initial ac-dc conversion stage with power factor correction (PFC) to help efficiency. The resulting dc is passed to a dc-dc converter controlled by pulse-width modulation (PWM) to provide regulation. This stage charges the HV battery.
1. Here’s a generalized high-voltage system in an EV that shows a simplified OBC and the traction inverter for the motor.
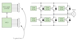
The HV battery then drives the traction inverter. Figure 2 shows that it uses a three-phase half-bridge with IGBTs to operate the motor. Special gate-driver ICs are used on each IGBT. Switching rate is in the 5- to 20-kHz range. Note the special gate supply and microcontroller (MCU) for the gate drivers.
2. Shown is the traction-motor inverter details highlighting the critical gate drivers for the IGBTs.
The gate drivers are the critical component in the inverter design. A reference design is available using an automotive-qualified isolated gate-driver solution to drive silicon IGBTs or SiC MOSFETs in a half-bridge configuration. The design includes two push-pull bias supplies for the dual-channel isolated gate driver, and each supply provides +15-V and −4-V output voltages. The reference design contains the two-level turn-off circuit that protects the MOSFETs or IGBTs from voltage overshoot during the short-circuit scenario.
Sponsored Resources:
About the Author

Lou Frenzel
Technical Contributing Editor
Lou Frenzel is a Contributing Technology Editor for Electronic Design Magazine where he writes articles and the blog Communique and other online material on the wireless, networking, and communications sectors. Lou interviews executives and engineers, attends conferences, and researches multiple areas. Lou has been writing in some capacity for ED since 2000.
Lou has 25+ years experience in the electronics industry as an engineer and manager. He has held VP level positions with Heathkit, McGraw Hill, and has 9 years of college teaching experience. Lou holds a bachelor’s degree from the University of Houston and a master’s degree from the University of Maryland. He is author of 28 books on computer and electronic subjects and lives in Bulverde, TX with his wife Joan. His website is www.loufrenzel.com.


