Voltage Reference Bests Zener Diode as Low-Current Bias Source
There are times when you need to bias a low-current load and simply didn’t want to add another voltage regulator, or where you need a reasonable level of voltage accuracy, so a simple voltage divider isn’t enough. For many years, designers used Zener diodes as simple shunt voltage regulators (Fig. 1). With a single resistor, the device will maintain the fixed voltage which was set during the manufacturing process.
1. In a commonplace arrangement, a single resistor and Zener diode create a simple voltage rail.
A good Zener diode works well, but when you look closely at the datasheet, you’ll see that you need to source more than a few milliamps in order to realize an accurate Zener voltage (Vz). To maintain accuracy, you must choose a low-enough value of series-resistor value to ensure that the Zener reverse-bias current (Iz) falls within an acceptable range. This may be as high as 5 mA, especially with lower-cost, non-temperature-compensated diodes (Fig. 2).
2. Zener diodes typically require a more than a few milliamps to reach “knee” voltage Vz.
Ohm’s law and Joule’s law dictate the power losses across the shunt resistor, which affects overall system losses and temperatures. As an example, with a 12-V input, using a 2.5-V Zener diode would require a 1.9-kΩ series resistor to maintain 5 mA (assuming no load current). A 1.9-kΩ resistor carrying 5 mA results in a loss of over 47 mW across that resistor; with 24 V, the losses are over 100 mW.
A voltage reference (also called a band-gap reference) provides the same functionality as a Zener diode, yet requires far less current to maintain a more-accurate voltage. While a Zener diode uses a single p-n junction with specific doping to create a Zener breakdown voltage, a voltage reference uses a combination of transistors and employs a positive-temperature-coefficient p-n junction in conjunction with negative-temperature-coefficient transistors to make a zero-temperature-coefficient reference.
The concept and design of a band-gap reference was introduced back in the 1970s by Bob Widlar, when he was a power IC designer. Although voltage references are often employed because of their voltage accuracy (well under 1%) over temperature and time, advances in semiconductor circuitry, processes, and packaging have brought them into new applications.
Wider-tolerance and lower-cost voltage references (1% and 2%) open up their use in applications where they were never before considered, including applications where you might be using a Zener diode or voltage regulator. Using a voltage reference in place of a Zener diode is about efficiency and simplicity.
The voltage across the voltage reference becomes well-regulated when Iz is only 50 µA. The datasheet shows the characteristics of Texas Instruments’ LM4040 at 25°C (Fig. 3), including its superb voltage accuracy when biasing well below 100 µA over ambient temperatures from −40 to +125°C (this is the extended Q-grade temperature version; the normal industrial temperature range is −40 to +85°C). Some voltage references operate at an even lower current, such as the ATL431 and LM385.
3. The TI LM4040 2.5-V voltage-reference curve shows its high voltage accuracy even when biased well below 100 µA.
Using the same 12-V example as above, but with 75 µA for Iz instead of 5 mA, you can use a 126-kΩ resistor and maintain a more-accurate voltage. The 126-kΩ resistor also enables keeping the power loss in the resistor under 1 mW, which is well below the 47-mW loss when using a Zener diode.
Of course, when delivering current to a load, it’s important to select a lower-value resistor in order to deliver load current while maintaining the needed Iz for regulation over load variations. As shown in Fig. 4, simply calculate the current through the shunt resistor Rs where Ir = Iz + Iload, and then size using Ohm’s law, R = (Vs-Vz)/Ir. Be sure to use the worst-case load current and take tolerances into account when selecting this resistor.
4. Calculate Rs to accommodate the worst-case load current while maintaining the minimum Zener current.
By using a wide-tolerance voltage reference like the 2% LM4040E from TI, you can realize a regulation voltage superior to most voltage regulators at a lower price than a typical voltage regulator and comparable to that of a Zener diode. (These devices are also available in small SC70 packages.) An advantage of using a voltage reference for voltage-regulation applications is its ability to operate over very large voltage ranges; a voltage reference doesn’t care about voltage, only current. By choosing the right shunt-resistor value based on the input-voltage range and output current, you can support a very wide range with a simple solution.
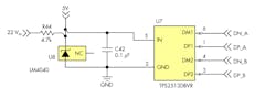
Figure 5 is an example of using the LM4040 to develop a low-current 5-V rail from a 22-to 25-V input to bias the 5-V input to a USB controller IC, which only needs 100-µA worst case. The selected resistor value takes into account additional bias current for a load not shown. This application can use the lower-cost 2% E version of the LM4040-N device. As you can see, the circuit is very simple and small when using 0402 passives.
5. A simple circuit uses the LM4040 voltage reference to develop a low-current, 5-V bias rail.
Because you need higher current, the shunt resistor will need to be larger in order to dissipate the thermal losses caused by the voltage drop. The maximum current through most voltage references is on the order of 10 to 30 mA, which limits applications.
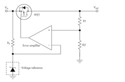
For higher current, you can use the same voltage reference with a bias resistor along with an additional transistor to provide the necessary input-to-output voltage drop. A p-channel FET transistor biased from an error amplifier can supply much-higher current. The error amplifier (note that a single rail-to-rail operational amplifier works well) senses VOUT and compares it to the voltage reference to provide a well-regulated voltage over various changes in load current and temperature (Fig. 6).
6. A voltage reference is at the heart of all voltage-regulator circuits, and can provide higher current with the addition of an external p-channel FET.
By removing R2 (and shorting R1), the circuit will provide a very well-regulated voltage equal to the voltage of the voltage reference. Voltage dividers R1 and R2 provide a means to adjust the output to any voltage equal to or greater than the reference voltage. Although beyond the scope of this discussion, an input and output capacitor isn’t shown and would normally be needed.
A voltage reference is at the heart of almost all integrated voltage regulators. You might ask, “If it’s this easy, why use an integrated voltage regulator at all?” One reason is that a voltage regulator also includes circuitry to monitor and limit current to the load, and monitors the temperature to protect the device and load during fault conditions. Although designers can and do design discrete voltage reference-based regulators, it’s often more practical and cost-effective to use one of the many integrated voltage regulators available today.
Don’t jump to a Zener diode next time you need a low-current rail voltage; instead, consider using a voltage reference.
About the Author
Robert Hanrahan
Sr. Member of Technical Staff
Robert Hanrahan is currently a Sr. Member of Technical Staff at Texas Instruments. He has more than 25 years of experience in digital and analog design, applications engineering, and management. Bob has published numerous application notes and articles in electronics and aviation trade magazines and holds patents in his name. Bob holds a B.Sc. degree and holds an airline transport pilot and flight instructor certificate, as well as an advanced ham radio license. Bob was the founder and currently a board member of a 501C3 charity named Computer Outreach Inc.
Voice Your Opinion!
To join the conversation, and become an exclusive member of Electronic Design, create an account today!

Leaders relevant to this article:







