Startup Launches IO-Link Transceiver to Connect the Factory Floors of the Future
Today, many of the largest manufacturers populate their plants with sensors to continuously monitor their operations and prevent any interruptions in production. These sensors are also placed on factory floors to identify potential malfunctions in machinery before it wears out, reducing the risk of unexpected breakdowns. This, in turn, increases uptime while saving on the cost of replacement parts.
But everything comes apart without a way to safely, reliably, and securely communicate data from these sensors to industrial controllers and other systems, said Andrew Baker, CEO of analog chip startup Orca Semiconductor.
Orca aims to keep all these sensors and other components more closely connected with its latest application-specific analog product. The Silicon Valley company rolled out the OS2000, the first in a family of industrial-grade IO-Link communication transceivers. “IO-Link transceivers are the backbone of Industry 4.0, driving intelligence on the factory floor by enabling seamless communication between devices,” said Baker.
Widely used in industrial automation, IO-Link is a single-drop digital communication protocol that enables seamless bidirectional communication between sensors and actuators to a programmable logic controller (PLC).
With the OS2000, Orca attempts to fill the “void” in the market for custom, application-specific analog products (ASSPs), which it feels are neglected by the largest players in mixed-signal and analog chips. The recent consolidation in the chip market created a small group of very large analog chip companies that, Baker argued, only pay attention to the largest customers, forcing smaller ones to use standard products or work with other companies to custom-design analog ICs, which can be expensive.
He contends that these types of analog chips “are neglected by the ‘Big Analog’ players due to the fragmented nature of industrial applications with lower volumes and business levels that do not provide the ROI required for them to invest in customized solutions." While the OS2000 is more of a standard product for wired connectivity on factory floors, Orca intends to work more closely with customers in the future to co-develop other industrial-grade analog products (Fig. 1).
Baker said the current plan is “to introduce Orca as a credible solution provider for industrial automation, with domain knowledge and product development capabilities to rival the largest players in the analog semiconductor industry.” He worked for more than a decade at Maxim Integrated before its tie-up with Analog Devices in 2021. Marco Demicheli, Orca’s CTO, amassed more than 30 years of experience at Analog Devices and other firms that fall into the “Big Analog” category.
The OS2000 follows in the footsteps of the OS1000, Orca’s power-management IC (PMIC) for battery-powered IoT devices. Founded in 2022, Orca said it landed its first design win with a Tier-1 wearable OEM.
IO-Link: The “Smart” Industrial Communications Standard
The IO-Link interface is to industrial automation as to what USB is to consumer electronics, noted Baker.
Based on the international IEC 61131-9 standard, IO-Link “offers a low-cost upgrade to existing binary interfaces while maintaining backward compatibility with them. IO-Link [is] defined in a way to keep the complexity of implementation as simple as possible to minimize cost and space, allowing it to be used in the smallest of factory sensors” while providing robust and reliable communication, stated Baker.
IO-Link is widely used for industrial automation due to its ability to transfer real-time data and its ease of use and compatibility with existing systems. The interface regulates and reduces the amount of wiring on factory floors, while enabling remote configuration and monitoring.
The IO-Link network comprises several sensors or other devices that each connect directly to a master control unit using a separate cable. The master unit usually connects to a fieldbus and then out to industrial Ethernet or another network.
At the heart of the master control unit and the sensors connected to it is the IO-Link transceiver, giving them the ability to transfer real-time data and diagnostics between other IO-Link devices in the system (Fig. 2).
Another building block of these sensors is the analog front end (AFE), which converts and conditions the signals from the sensors before communicating them to other parts of the system over IO-Link. Preferably, these devices will have universal analog inputs that can be configured for a wide range of inputs, including voltage, current, resistance, and others, in the same chip. They have robust signal-chain protection, high-precision amplifiers, and high-speed analog-to-digital converters (ADCs) for inputs and digital-to-analog converters (DACs) for outputs.
The final component is the microcontroller (MCU) that controls the sensor or other device and runs the IO-Link protocol. The MCU can also run continuous diagnostics and monitoring on the sensor or other device, which will reduce downtime when paired with predictive maintenance.
Orca said the OS2000 can be used in the IO-Link master in the system, or it can be placed inside the sensors themselves. The transceiver features a couple of interfaces to interact with the MCU in a system: I2C or GPIO. The I2C mode, which gives control over more advanced features and diagnostics that are inaccessible in the GPIO mode, features several output frequencies so that it can interact with a wide range of MCUs.
Orca said the OS2000 is a functional- and software-compatible pin-to-pin replacement for the MAX22515, the most widely used IO-Link transceiver for sensors and other devices. However, it brings better performance to the table.
According to the company, IO-Link is becoming even more widely used on factory floors. The cost, area, and lack of backward compatibility rules out industrial Ethernet as a potential replacement, said Baker.
IO-Link is adding several extensions to give it more flexibility on factory floors, playing a crucial role in future-proofing industrial automation. For instance, wireless IO-Link brings the bidirectional communication standard to areas where wired connections are impractical or impossible.
“IO-Link enables intelligent digitization of sensors and actuators on factory floors, leading to enhanced control and data acquisition for the implementation of the core principles of Industry 4.0,” said Baker.
Inside OS2000: The Building Blocks of Industrial Connectivity
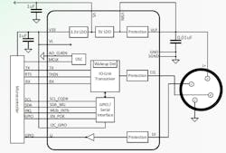
Baker said the OS2000 checks all of the boxes for use in intelligent, industrial-grade sensors. Included are integrated LDOs to supply power at 3.3 V and 5 V to the MCU in the system, a digital input channel, internal clock generator, and integrated surge protection for the input power, digital input, and other internal features. The integrated LDO can be bypassed if a separate 5-V source is available (Fig. 3).
The internal oscillator is used to supply a fully IO-Link timing-compliant clock to the MCU, and it can operate over the full industrial-grade operating temperature range. The full list of features includes:
- Power-supply input (VLP) from 8 to 36 V
- Control options: I2C or GPIO
- Auxiliary digital input (DI)
- C/Q driver: Driver current settable to 50, 100, 200, or 250 mA; adjustable driver slew rate (I2C Mode)
- Optional oscillator output for MCU clock
- IO-Link wake-up detection and wake-up generation
- Internal 20-mA, 3.3-V, and 5.0-V linear regulators
- Operates at COM1, COM2, and COM3 rates
The OS2000 is also highly robust. It’s designed to handle the harsh conditions on factory floors, with a wide operating temperature range of −40 to 125°C and integrated protection features such as:
- Surge protection on VLP, C/Q, DI, and GND up to ±1.2 kV at 500 Ω
- VLP, C/Q, DI, and GND protected against reverse-polarity connection
- Optional glitch filters for C/Q and DI
- Demagnetization of inductive loads
Everything fits inside a compact 2.5- × 2.0-mm WLCSP package. Orca also has plans to roll out the IO-Link transceiver in a 4.0- × 4.0-mm QFN package in the future.
The OS2000 will start sampling in the first half of 2025, with mass production in the second half.
About the Author
James Morra
Senior Editor
James Morra is the senior editor for Electronic Design, covering the semiconductor industry and new technology trends, with a focus on power electronics and power management. He also reports on the business behind electrical engineering, including the electronics supply chain. He joined Electronic Design in 2015 and is based in Chicago, Illinois.
Voice Your Opinion!
To join the conversation, and become an exclusive member of Electronic Design, create an account today!

Leaders relevant to this article:




