An Illuminating Look at LED Driving (.PDF Download)
Light-emitting diodes have become the lighting source of choice for almost all illumination applications. Incandescents, fluorescents, CFLs, and other types are fading away in favor of the almighty LED. LEDs are now brighter and use less power than any other lighting source. And their prices have decreased to an acceptable level. The result has been increased adoption of LEDs in home, auto, and other applications.
Perhaps the main challenge for designers is learning how to power the LEDs. For some simple applications, it’s just applying a forward bias voltage through a current-limiting resistor. However, driving LED strings and controlling brightness require much more sophisticated circuitry. Then there are the matters of driving LCD backlighting. In addition, automotive applications demand special measures because of the extreme power-supply conditions that occur. Here’s a look at these applications and related solutions.
Powering an LED
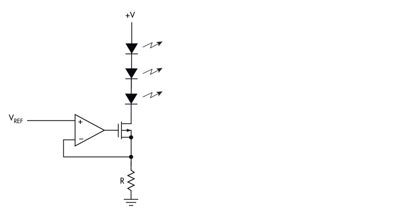
A major point to emphasize is that the LED current must be controlled to set the brightness level. Therefore, the most desirable LED driver is a current source. A simple arrangement is shown in Figure 1. The resistor sets the current level. Such linear current sources are satisfactory for low-power applications, but they dissipate too much power and heat when multiple LEDs are used and high brightness is necessary. As a result, designers have found that the best drivers are switch-mode types.
1. A linear-current-source LED driver works best in low-power applications.


