Now, a new linear regulator architecture eliminates this low output voltage limitation. It adapts to these lower output voltages by throwing away the voltage reference and replacing it with a current source. Linear Technology’s LT3801 uses this approach to provide the ability to approach a zero voltage regulated output. It requires only a 5 mA minimum load for proper output regulation.
The new regulator architecture allows paralleling devices to provide higher output currents. This overcomes a major problem when using older linear regulators whose peak temperature limited power dissipation to 2 W. This prevented use of only surface mount components on high density boards because of height restrictions precluded heat sinks with older linear regulators.
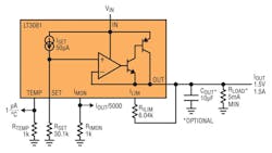
By using this new linear regulator architecture, the LT3081 provides 1.5 A for rugged industrial applications (Fig. 1). Key features of the IC are the extended safe operating area (SOA) and the ability to withstand reverse input and reverse output-to-input voltages without reverse current flow.
Included in the IC is the monitoring of die junction temperature and output current, which provide debug capability.The LT3081 delivers a current proportional to the internal average junction temperature, whose output is 1 μA/°C for temperatures above 5 °C. The output current monitor sources a current typically equal to ILOAD/5000 or 200 μA per ampere of output.
A single external resistor programs the IC’s current limit threshold level lower than the internal current limit. Tolerance over temperature is 15%, so current limit is normally set 20% above maximum load current. The internal current limit overrides the programmed current limit if the input-to-output voltage differential is excessive.
A precision 50 µA reference current source allows the LT3081 to use a single resistor to program output voltage to any level between zero and 34.5 V. And, the current reference architecture makes load regulation independent of output voltage. Plus, the LT3081 is stable with or without input and output capacitors.
This IC fits well in applications needing multiple rails. Its new architecture that adjusts down to zero allows it to handle modern low voltage digital ICs as well as allowing easy parallel operation and thermal management without heat sinks. Adjusting to zero output enables shutting off the powered circuitry.
Why do so many regulators limit the minimum output to 1.2 V? It is not until recently that digital (or any) circuit needed operation below 1.2 V. The answer is that the basic bandgap reference voltage is 1.2 V. The simplest bandgap reference had an inherent reference voltage of 1.2 V. This type of bandgap uses a positive coefficient voltage in series with a single emitter-base voltage. It is stable, easy to set up and can be stacked for high voltage. But it needs to be divided down for lower voltage. Dividing down adds uncertainty in the reference voltage and requires higher gain amplifiers for higher outputs so it was not needed until recently. A trimmed current source reference overcomes these problems.
Table 1 summarizes characteristics of the LT3801.
About the Author

Sam Davis Blog
Editor-In-Chief - Power Electronics
Sam Davis was the editor-in-chief of Power Electronics Technology magazine and website that is now part of Electronic Design. He has 18 years experience in electronic engineering design and management, six years in public relations and 25 years as a trade press editor. He holds a BSEE from Case-Western Reserve University, and did graduate work at the same school and UCLA. Sam was the editor for PCIM, the predecessor to Power Electronics Technology, from 1984 to 2004. His engineering experience includes circuit and system design for Litton Systems, Bunker-Ramo, Rocketdyne, and Clevite Corporation.. Design tasks included analog circuits, display systems, power supplies, underwater ordnance systems, and test systems. He also served as a program manager for a Litton Systems Navy program.
Sam is the author of Computer Data Displays, a book published by Prentice-Hall in the U.S. and Japan in 1969. He is also a recipient of the Jesse Neal Award for trade press editorial excellence, and has one patent for naval ship construction that simplifies electronic system integration.
Voice Your Opinion!
To join the conversation, and become an exclusive member of Electronic Design, create an account today!

Leaders relevant to this article:



