Power-Device Gate Drivers Are Isolated...But They’re Still Okay
Isolation in this context isn’t a social judgment; instead, it’s a technical necessity. Galvanic (ohmic) isolation is often a requirement between the logic-level control and the power device it’s driving, such as a MOSFET, IGBT, or SiC FET.
Among the reasons, two are especially common: to provide a safety barrier between the low-voltage regime (and users) and the high-voltage power devices; or to enable the power device to “float” without connection to circuit common (often referred to as “ground” even if it’s not) as required for the widely used half-bridge (Fig. 1) or full H-bridge topology. The usual solution is to insert an independent isolation device between the low-voltage circuit and the power-device gate driver.
1. Among the many situations that need (or benefit from) galvanic isolation is the widely used half-bridge driver (shown) and the expanded full H-bridge driver. Note that the upper switching device has no connection to circuit common, often called ground. (Source: Texas Instruments)
However, due to technology advances and the never-ending need to do more in less space, new gate drivers are increasingly likely to put the isolation function in the gate driver itself. Not only does this trim the bill of materials and require less printed-circuit-board (PCB) real estate, but it also simplifies routing and layout issues (such as creepage and clearance) that must be addressed to secure critical regulatory approval for the design.
SCALE-iDriver
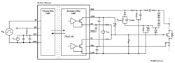
For example, the Power Integrations SIC1182K SCALE-iDriver is a single-channel gate driver for SiC MOSFETs targeting (but not limited to) uninterruptible power supplies (UPS), photovoltaic systems, servo drives, welding inverters, and power supplies (Fig. 2). It incorporates reinforced galvanic isolation to 1200 V using a solid insulator (their bidirectional FluxLink technology). Its ±8-A peak output-drive current enables it to drive devices drawing up to 600 A (typical), while supporting inverter designs up to several hundred kilowatts without a booster stage.
2. This basic application circuit shows the SIC1182K device with its bidirectional FluxLink isolation technology connected between a low-level digital-control waveform (left side) and the power device it’s switching. (far right). (Source: Power Integrations)
The SCALE-iDriver technology minimizes the number of necessary external components—tantalum or electrolytic capacitors aren’t required, and only one secondary winding is needed. Protection circuits provide safe shutdown within 5 µs, thus meeting the fast-protection needs of SiC devices. The circuitry around this driver will likely suffice with a basic two-layer PCB for reduced cost and complexity, as well as simpler supply-chain management.
Other features include undervoltage lockout (UVLO) for the primary-side and secondary-side plus rail-to-rail output. The temperature- and process-compensated output impedance guarantees safe operation even in harsh conditions. A new feature is advanced active clamping, which combines short-circuit protection (at and during turn-on phase) as well as overvoltage limitation through a single sensing pin. The driver functions up to a 150-kHz switching frequency and has propagation-delay jitter of just ±5 ns, critical to maintaining turn-on/turn-off timing.
The eSOP-R16B package has a creepage and clearance rating greater than 9.5 mm due to the use of material that has the highest Comparative Tracking Index (CTI) level, CTI600, to IEC6011. The SIC1182K SiC gate driver meets IEC60664-1 isolation coordination for low-voltage equipment below 1000 V and IEC61800-5-1 electric-motor drive-inverter regulations. UL 1577 certification (5 kVAC for 1 minute) is pending and VDE0884-10 approval is in process.
The SCALE-iDriver is specified for −40 to +125 °C operating ambient temperature. Pricing is $4.65 in 10,000-piece quantities. Power Integrations also offers a short posted video “Introduction to SCALE-iDriver” explaining the features of this family and the isolation technology.
TI Gate-Driver Trio
Texas Instruments has also introduced three closely related gate drivers. However, isolation is based on a silicon dioxide-based (SiO2) capacitive technology with a 40-year barrier life, far longer than optical-based isolation can guarantee.
The company’s UCC21710-Q1, UCC21710-Q1, and UCC21750 are single-channel drivers for 1700-V SiC FETs and IGBTs, targeting traction inverters for EVs; on-board chargers and dc-charging stations; industrial motor drives; server, telecom, and industrial power supplies; and uninterruptible power supplies (UPS). The drivers feature 33-V maximum output drive voltage (VDD-COM), an active Miller clamp, UVLO with “power good on ready” indication, and common-mode transient immunity (CMTI) better than 150 V/ns.
Their input side is isolated from the output side with a 1.5-kVRMS working-voltage rating and 12.8-kVPK surge immunity. TI anticipates receiving additional safety-related certifications including 8000-VPK VIOTM and 2121-VPK VIORM, reinforced isolation per DIN V VDE V 0884-11 (2017-01), and 5700-VRMS Isolation for 1 minute per UL1577. Operating temperature range -40°C to 125°C for these devices, housed in 16-pin plastic SOIC packages and priced (in 1000-piece lots) between $3.48 and $4.00
Also from TI, the UCC23513 is an opto-compatible gate driver with 3-A drive and 5-kVRMS reinforced safety isolation. This driver features a junction temperature range of −40 to +150°C and a high CMTI better than 100 V/ns. It’s pin-compatible with standard optically isolated gate drivers. As a result, it can be a drop-in replacement with improved isolation and longevity specifications. These 6-pin plastic SOIC devices go for $2.08 (1000 units).
About the Author

Bill Schweber
Contributing Editor
Bill Schweber is an electronics engineer who has written three textbooks on electronic communications systems, as well as hundreds of technical articles, opinion columns, and product features. In past roles, he worked as a technical website manager for multiple topic-specific sites for EE Times, as well as both the Executive Editor and Analog Editor at EDN.
At Analog Devices Inc., Bill was in marketing communications (public relations). As a result, he has been on both sides of the technical PR function, presenting company products, stories, and messages to the media and also as the recipient of these.
Prior to the MarCom role at Analog, Bill was associate editor of their respected technical journal and worked in their product marketing and applications engineering groups. Before those roles, he was at Instron Corp., doing hands-on analog- and power-circuit design and systems integration for materials-testing machine controls.
Bill has an MSEE (Univ. of Mass) and BSEE (Columbia Univ.), is a Registered Professional Engineer, and holds an Advanced Class amateur radio license. He has also planned, written, and presented online courses on a variety of engineering topics, including MOSFET basics, ADC selection, and driving LEDs.
Voice Your Opinion!
To join the conversation, and become an exclusive member of Electronic Design, create an account today!

Leaders relevant to this article:



