How to choose the right power supply for your design; starting with accurate DC/DC converter measurements
One of the topics that car owners love to talk about time and again is their vehicle’s performance data.
How does that happen? Are readings actually incorrect, or are there considerations that need to be taken into account the moment an AC/DC power supply or a DC/DC converter is integrated into a circuit?
Ultimately it should be clear to everyone that a car tested with no weight inside on a defined test track consumes less than when it is fully loaded with a family of four on the side of the nearest mountain.
As a rule, personal circumstances, such as budget, will determine which car we buy, but how do we go about choosing the right components to deliver power?
Analyzing the requirement
The first thing we should do is define what the respective power supply is required for, and this throws up some apparently simple preliminary questions.
The key objective is to bring input voltage for the application to a new potential.
- Should potential be divided or not?
- What are the input and output voltage ranges and what is required at which output current?
- What design do I have space for? For example, do other components on the board dictate this?
- What is the end product that the circuit is required for?
- Which regulations need to be followed? (Industrial, railway or medical)
- In which environmental conditions will the application be used?
- How reliable should or must the whole circuit and application be?
So while a Porsche 911 is a great car, it’s easy to understand that it wouldn’t be suitable for an expedition through the South American rainforest – where a 4-wheel drive jeep would probably be the better option.
But selecting the appropriate power supply isn’t always as simple as choosing the right car.
Once the standard basic questions have been cleared up, we come to the ones that this article intends to investigate more fully:
- How can I measure correctly and avoid errors?
- How do I deal with ripple & noise?
- What happens in the event of inrush current?
- What do I need to be aware of with respect to electromagnetic compatibility? (EMC)
We’d probably all like a converter that meets all the necessary requirements in one go—an off-the-shelf solution, but usually, we need to spend more—that’s because we need more than one converter to meet requirements or additional wiring to achieve the values we require.
So what do we need to establish to find a solution? The first step is to determine which measurement values we need—a simple measurement allows us to easily make a rough assessment: input and output voltage and current on the converter, on the load and possible changes in efficiency.
Avoiding measurement errors
A basic point to take into account is that every measurement changes the actual state of the circuit and any impact needs to be kept as minimal as possible.
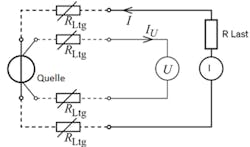
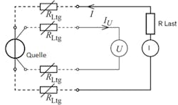
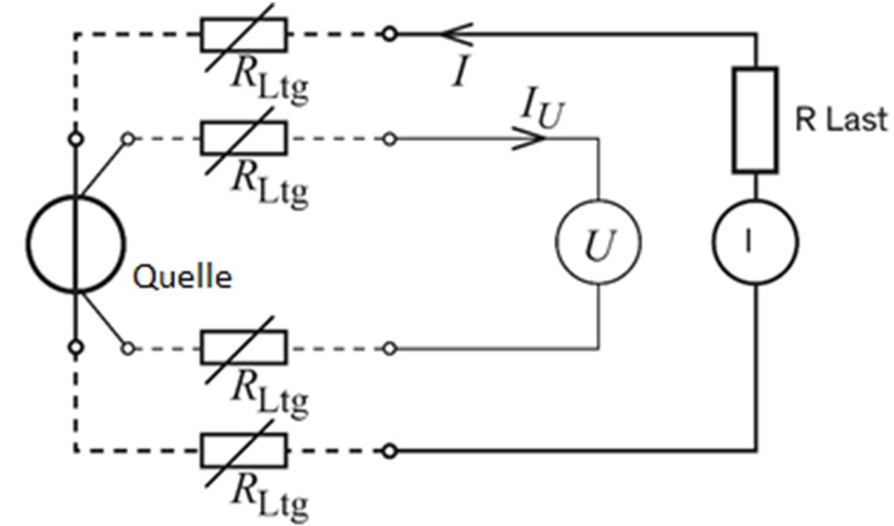
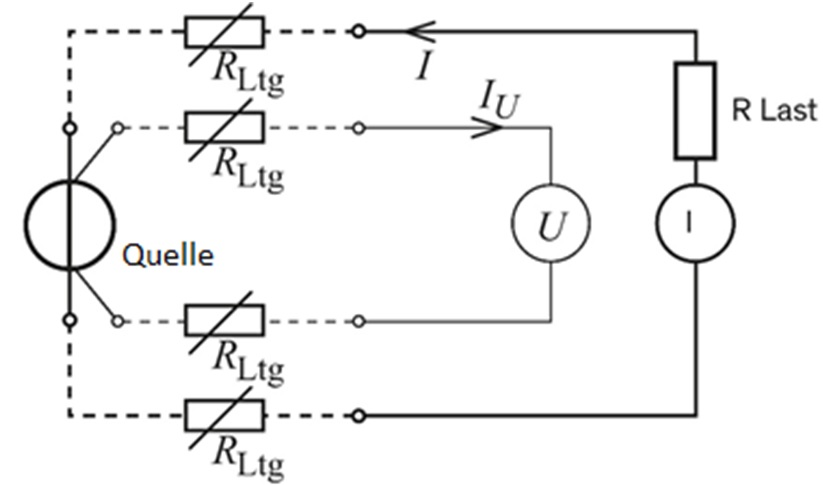
This means that doing a 4-wire measurement even for a "simple measurement“ is advisable. Measuring current and voltage with independent test leads means that the leads’ inherent resistance will have less impact on values.
It’s also important to think about end usage.
For example, in an operating theatre, there can be 30m wires between the power supply and the actual load. If the load required is 24V the source needs a higher output voltage to offset voltage loss in the wire.
That means that both load and source need to be measured. Please see below an example of a classic 4-wire voltage measurement at source.
Establishing and influencing ripple & noise
Why is Ripple & Noise measured? Regardless of application the ripple and noise of a DC/DC converter could lie in its actual area of operation, for example in a measuring bridge, so as a result, this needs to be considered and evaluated separately.
What are they and how can they be measured cleanly? We talk about Ripple in AC/DC and DC/DC circuit when irregular disturbances are caused by internal circuits, whereas Noise denotes the peaks that return periodically, produced by the transforming pulsing at switching frequency. To determine actual values the probe head must be in direct contact with the pins, the ground ring and also the measurement tip making contact with them. (See below) In order to be able to compare results with manufacturer’s data, bandwidth on the oscilloscope is limited to 20MHz, a common value for laboratory work.
Usually, noise and ripple can simply be reduced with two parallel-switched capacitors, for example, a 100nF metal film capacitor and a 10µF electrolytic capacitor, always bearing in mind that values presented on datasheets can be influenced by other factors during end usage.
Dealing with Inrush Current
This information is important for ensuring that components upstream are the correct dimensions.
- Current depends essentially on switching speed, so ideally mercury switches should be used in the laboratory
- Source should have lowest internal resistance possible
- Current is measured with a demagnetized tip
Ambient temperature also has a big impact on inrush current. For example, the use of electrolytic capacitors is highly dependent on temperature.
Below is a diagram showing an example of inrush voltage in a LED lamp (yellow line). The image also shows the voltage pattern in the lamp in purple. It is good to see the point at which the device was switched on marked (T, in orange), which reaches its maximum value at around 10A and within 10m/s has returned to 300mA again.
If you are having issues with inrush voltage affecting a circuit, using a thermistor (NTC) can help.
Electromagnetic compatibility
It’s also important to establish the EMC compatibility (electromagnetic compatibility) for the general application. Using a DC/DC converter with an internal filter doesn’t automatically mean that you’ll adhere to the values specified for the application because EMC compatibility can often be affected by several components.
In many cases, the output voltage must be connected with protective earth for safety reasons, and this can have a significant impact on EMC. Usually, the power supply manufacturer can offer advice regarding how to adhere to EMC values.
Most power supply manufacturers provide help in the form of suggestions for suitable filters on their websites, and for example, at www.tracopower.com these can be downloaded directly from the relevant device’s page. If you can’t find the circuit diagrams for the product you have selected, don’t hesitate to contact the manufacturer directly on the phone or by email.
Summary
In conclusion, you don’t need to put in a huge effort to establish the power supply components you need for a design if you make use of help from manufacturers and simple resources available.
Before any assessment and selection, it is important to define your requirements clearly, and there is a big difference between deciding on what you really need, and what you would like.
Coming back to the car manufacturers we referred to at the start of this article, it is important to think about how measurements can be taken correctly, and how every measurement impacts values gathered. Testing strips and laboratory conditions are defined when a circuit is built, but what are the conditions that circuit will actually be used in?
If there is no suitable device available in the marketplace, maybe series - or parallel-switching, or using a filter might produce the desired results?
Meeting EMC requirements depends heavily on the field of application and its prerequisite conditions, just as with ripple and noise and inrush current.
It is well-known that there are many manufacturers out there, so the quality, as well as price of a specific product, can vary greatly.
Is it enough to choose a “simple“ unbranded, mass-produced device or will trying to save come back to bite you further down the line? Do you always need to go for the high-end variant?
The final decision is down to the customer, regardless of any recommendations, but established vendors can offer customers the advantage of being a high reliability manufacturer with years of experience and worldwide sales and applications support.






