Radical Approach: Active EMI Filter IC Shrinks Higher-Power AC-DC Supplies
Check out more of our APEC 2023 coverage.
What You’ll Learn
- The nature of the EMI problem in ac-dc supplies and its conventional solution.
- How an innovative IC implementing an active EMI filter (AEF) changes the characteristics.
- The performance this solution offers across multiple dimensions.
It’s not easy being a single- or three-phase ac-dc supply. The unit is expected to be efficient, run cool, and be compact while also meeting stringent regulatory mandates, such as the various CISPR regulations for EMI emissions and even the IEC 61000-4-5 surge-immunity requirements. Doing so usually requires bulky, costly filters and surge-suppression components, a challenge in applications such as on-board chargers (OBCs) of various topologies (Fig. 1) as well as server supplies.
The conventional set of assumptions about solving these problems may be changed dramatically. Texas Instruments introduced what it claims is the industry’s first standalone active electromagnetic-interference (EMI) filter for integrated circuits (ICs). They enable engineers to implement smaller, lighter active EMI filters (AEF) to enhance system functionality at reduced system cost while simultaneously meeting EMI regulatory standards.
The work is based on innovative developments from Kilby Labs (Texas Instruments’ research and development labs for new concepts and breakthrough ideas) and defines a portfolio of standalone AEF ICs that can sense and cancel common-mode EMI by as much as 30 dB at frequencies between 100 kHz and 3 MHz. The result is that designers can reduce the size of filtering chokes (inductors) by 50% compared to passive-only filter solutions and still meet stringent EMI requirements.
How is this done? The TI approach employs a technique called “capacitive amplification.” It’s not like noise-cancelling headphones, which inject equal and opposite “anti-noise” to be summed with the noise plus signal, leaving only the desired signal.
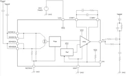
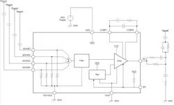
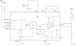
The new family of AEF ICs consists of pin-compatible devices: the TPSF12C1 (Fig. 2) and TPSF12C3 (Fig. 3) for single- and three-phase commercial applications, respectively, and the corresponding TPSF12C1-Q1 and TPSF12C3-Q1 for automotive applications. These SOT-23 14-pin ICs incorporate sensing, filtering, gain, and injection stages.
In real-world designs, common-mode (CM) filters in high-density applications often have to limit the total value of the Y-capacitance, which is related to touch-current safety requirements. To compensate, they employ large-sized CM chokes to achieve the desired target corner frequency or filter-attenuation characteristic.
(Not familiar with Class-Y capacitors? These are called “line to ground” or “line bypass” capacitors. They’re typically placed in-between the ac supply and ground to handle EMI/RF noise caused by common-mode noise. They differ from Class-X capacitors, often referred to as “line to line” or “across the line” capacitors. These are used to minimize EMI/RFI that may be caused by differential-mode noise in an ac power supply. Class-X capacitors are placed across the line and neutral connections to mitigate negative effects that may be caused by conducted interference, overvoltage surges, and voltage transients.)
TI notes that practical filter implementations can occupy up to 30% of the total volume of a power solution. The result is a compromised passive filter design with bulky, heavy, and expensive CM chokes that dominate the overall filter size.
In contrast, AEF ICs have reduced magnetic-component and overall filter size, lower component power loss for better thermal management and higher reliability, reduced coupling between components within a confined space, easier mechanical and packaging design, and lower cost.
How Does It Work—and How Well?
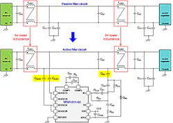
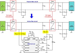
AEF ICs are positioned between the CM chokes to provide a lower-impedance shunt path for CM currents (Fig. 4). Common-mode chokes LCM1 and LCM2 in the active solution thus offer much lower inductance relative to the same components in the passive filter. The key to lower CM choke inductances relative to values of a passive filter with comparable attenuation is this amplified “injected” capacitance over the frequency range of interest for EMI mitigation.
TI shows some of the benefits of the AEF approach via a comparison of two built implementations: a choke passive-filter version with two 12-mH chokes and an AEF version with one 1-mH and one 4-mH. There’s also an interesting diagram showing the improvement with respect to parameters of volume, footprint, weight, and cost (Fig. 5).
There’s also the issue of performance, which, after all, is what a filter is all about. An on/off comparison shows the effectiveness of the AEF circuitry with a filter using two 2-mH nanocrystalline chokes to provide equivalent CM attenuation performance as achieved with a passive filter design with two 12-mH chokes (Fig. 6).
In the comparison example, there’s a 60% total copper-loss reduction at 10 A (neglecting the winding resistance increase due to temperature rise). This also results in lower component operating temperatures, less thermal stress on the capacitors, and longer overall life and improved reliability.
As these ICs represent a new way to address an on-going problem, TI also offers the TPSF12C1QEVM evaluation board for both the single-phase TPSF12C1 and corresponding TPSF12C3QEVM for the three-phase TPSF12C3 (Fig. 7).
In addition to the datasheets and evaluation boards, TI is supporting the concept and these ICs with substantial tutorial and applications collateral (see References).
Packaging, Availability, and Pricing
Preproduction quantities of the automotive-grade TPSF12C1-Q1 and TPSF12C3-Q1 are available now, only on TI.com, in a 4.2- × 2-mm SOT-23 14-pin package. The catalog-grade TPSF12C1 and TPSF12C3 will be available on TI.com in preproduction quantities by end of March 2023. Pricing starts at U.S. $0.78 in 1,000-unit quantities. The TPSF12C1QEVM and TPSF12C3QEVM evaluation modules are available on TI.com for U.S. $75.
Check out more of our APEC 2023 coverage.
References
“How a stand-alone active EMI filter IC shrinks common-mode filter size”
“Single- and three-phase active EMI filter ICs mitigate common-mode EMI, save space and reduce cost” (video)
“An overview of conducted EMI specifications for power supplies”
“Time-Saving and Cost-Effective Innovations for EMI Reduction in Power Supplies”
About the Author

Bill Schweber
Contributing Editor
Bill Schweber is an electronics engineer who has written three textbooks on electronic communications systems, as well as hundreds of technical articles, opinion columns, and product features. In past roles, he worked as a technical website manager for multiple topic-specific sites for EE Times, as well as both the Executive Editor and Analog Editor at EDN.
At Analog Devices Inc., Bill was in marketing communications (public relations). As a result, he has been on both sides of the technical PR function, presenting company products, stories, and messages to the media and also as the recipient of these.
Prior to the MarCom role at Analog, Bill was associate editor of their respected technical journal and worked in their product marketing and applications engineering groups. Before those roles, he was at Instron Corp., doing hands-on analog- and power-circuit design and systems integration for materials-testing machine controls.
Bill has an MSEE (Univ. of Mass) and BSEE (Columbia Univ.), is a Registered Professional Engineer, and holds an Advanced Class amateur radio license. He has also planned, written, and presented online courses on a variety of engineering topics, including MOSFET basics, ADC selection, and driving LEDs.
Voice Your Opinion!
To join the conversation, and become an exclusive member of Electronic Design, create an account today!

Leaders relevant to this article:







