Simple Strategy Safely Connects Transformerless-Supply Circuits
>> Electronic Design Resources
.. >> Library: Article Series
.. .. >> Series: Ideas for Design
.. .. .. >> Ideas for Design Vol. 1
Download this article as a PDF file
Low-power circuits commonly use transformerless power supplies. However, the use of earth grounds in many of these circuits creates a serious problem that is often ignored.
The very popular Microchip Application Note AN954 shows a circuit ground (0 V), but the reference is silent about whether it can be connected to the main power supply’s earth ground.1 Similarly, Apex Technology’s Application Note 35 describes circuits that cannot be interfaced safely and legitimately with any external test equipment.2
The reasons for these problems are not difficult to see. In the former (AN954), the transformerless power supply’s circuit ground has high voltages with reference to neutral, and connecting it to earth would cause a dangerous situation. Therefore, connecting any external equipment whose circuit ground is connected to earth would be downright dangerous.
In the latter (Note 35), the transformerless power supply’s circuit ground is connected to neutral, so connecting any external equipment to the circuit (such as an oscilloscope to troubleshoot the circuit) would violate wiring regulations in most countries and usually cause the circuit breaker to trip if the external equipment has its circuit ground connected to earth.
One solution might be to try to insert a small resistor between the circuit ground in question and the earth ground of the external equipment. This prevents the mains circuit breaker from tripping and technically avoids violating wiring regulations, but it causes a new problem—noise between the earth and neutral lines. This noise gets into the circuit, defeating the purpose of the earth connection. Usually, the result is that the earth ground is, quite simply, rendered unusable.
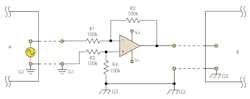
A simple workaround to this problem assumes that the transformerless circuit’s ground is tied to neutral, which is the much more popular and preferred strategy for transformerless power supplies (see the figure). The circuit is nothing fancy. It’s a simple differential amplifier, but its use in this specific context is innovative. It illustrates how a signal from equipment A can safely and reliably be fed into equipment B irrespective of which one has the problematic circuit ground.
For example, A could be a signal generator feeding into a transformerless circuit, B, in which case G1 is earth, and G2 is neutral. If B is an oscilloscope being used to troubleshoot a transformerless circuit, A, G1 is neutral, and G2 is earth. Either way, G1 is A’s circuit ground and G2 is B’s circuit ground, as well as the op-amp circuit’s ground.
The gain at both op-amp inputs is equal and opposite, so the earth-neutral noise (which is the noise at G1 with respect to G2) cancels out completely and does not appear at the input of B. Effectively, the circuit allows for the safe use of both neutral and earth terminals by making the neutral-earth noise voltage appear as a common-mode signal at the op-amp input. This simple strategy overcomes the two problems described above.
Any general-purpose, unity-gain stable JFET-input op amp with a low offset voltage will work.
References
- Condit, Reston; “Transformerless Power Supplies: Resistive and Capacitive,” Application Note AN954, Microchip Technology Inc., 2004.
- “AC-DC Power Supply Design,” Application Note 35, Apex Technology, Dec. 1999.
Anoop’s Analysis
This Idea for Design describes a method of connecting grounded equipment to equipment powered directly by ac power lines, with no isolation transformer in between. Making this kind of connection is often difficult or dangerous because of the potential difference that can exist between the neutral of the ac power line and the protective earth or common ground of the equipment and neutral or earth.
Often there is some voltage present between the neutral of an ac power outlet and the protective earth in a building. This voltage can be as high as 30 to 40 V ac in multi-story buildings. It also is noisy since there can be many leakage paths from electrical equipment to earth, and these paths change as the equipment is switched on and off or goes between low and high power modes, such as an air conditioner with its compressor turning on and off with the fan always on.
The circuit presented in this IFD passes input differential voltage to an output that has a different ground reference. Being a differential buffer, it greatly attenuates any common-mode dc voltages (or common-mode noise) present on input terminals. Thus, it offers two benefits. First, it allows equipment with different ground references to be connected together. Second, it attenuates common-mode noise between the connected equipment. The circuit can be used for dc or ac signals. Of course, using it for dc signals requires offset correction.
While using this circuit, if one side is directly line powered, follow all the precautions necessary while dealing with dangerous high voltages because there will always be leakage paths that can result in electrical shock.
There are two are alternate methods for connecting such equipment together. If pure ac signals are involved, with no dc offset, a 1:1 isolation transformer with required bandwidth may be used between equipment A and equipment B. Or, use a battery-powered measuring instrument like a handheld digital multimeter or scope or some other device that requires no earth connection.

