LDO Embodies Novel Features For Industrial Apps
Linear Technology’s 1.5-A LT3081 low-dropout (LDO) linear regulator targets industrial applications (Fig. 1). Today’s designers already have a plethora of switching regulator options, but Linear CTO Bob Dobkin says that the LT3081’s unique characteristics would allow volume sales at high margins. It costs $2.60 in lots of 1000, while DigiKey will sell you a single LM317—the seminal linear voltage regulator, which Dobkin invented with Bob Widlar—for half a buck.
The LT3081’s input voltage can range from 1.2 to 40 V, and its line and load regulation is better than 2 mV, independent of output voltage. Internal protection circuitry includes reverse-battery and reverse-current protection, current limiting, and thermal limiting. Also, the LDO does not require capacitors on the input or output.
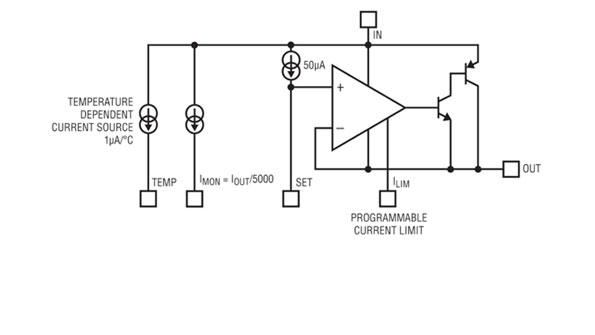
Uniquely, the LT3081 combines the ability to run multiple devices in parallel (for heat-spreading on a circuit board) with an extended safe operating area, thanks to a pnp voltage-follower pass transistor and analog outputs that allow continuous temperature and current monitoring. Also uncommon, if not unique, the device doesn’t rely on a voltage reference. Instead, it has an internal 50-μA precision current source, driving an external output-voltage setting precision resistor.
Linear’s LT3080, which came out a few years ago, was the company’s first part to use this architecture, although it used an npn voltage-follower pass transistor and lacked many of the of the LT3081’s features. It enabled the use of multiple devices in parallel to spread the heat from the power being dissipated in the pass devices, making it popular enough to inspire the LT3081.
The npn pass transistor in the LT3080, however, limited the safe operating area (SOA) because, with an npn, secondary breakdown occurs at high operating voltages. So, the LT3081 uses a pnp device with current foldback, expanding the SOA considerably (Fig. 2). “In the LT3081, you can put an amp through it at 20 V,” Dobkin said.
The chip’s current-monitor output allows designers to compensate for line resistance in the path between the regulator and the circuit being powered. Given knowledge of the line resistance, the current monitor output can be fed to the “set” resistors so the regulator will increase its output voltage as the current draw increases. The voltage at the input of the driven device then will remain constant. Linear introduced a standalone part that would accomplish that function last year. Now, the 3081 integrates that capability.
Even today, as Dobkin asserts, linear regulators aren’t necessarily jellybean parts.
About the Author

Don Tuite
Don Tuite (retired) writes about Analog and Power issues for Electronic Design’s magazine and website. He has a BSEE and an M.S in Technical Communication, and has worked for companies in aerospace, broadcasting, test equipment, semiconductors, publishing, and media relations, focusing on developing insights that link technology, business, and communications. Don is also a ham radio operator (NR7X), private pilot, and motorcycle rider, and he’s not half bad on the 5-string banjo.
Voice Your Opinion!
To join the conversation, and become an exclusive member of Electronic Design, create an account today!

Leaders relevant to this article:


