PMIC Cuts Board Space By Over 50% For Automotive Instrument Clusters

Under no-load conditions, Maxim’s MAX16993 three-channel power-management IC (PMIC) consumes a mere 25 µA of quiescent current.
Feb. 20, 2014

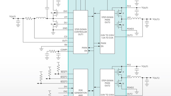
Under no-load conditions, Maxim’s MAX16993 three-channel power-management IC (PMIC) consumes a mere 25 µA of quiescent current. Targeted at automotive instrument clusters, the PMIC integrates a high-switching-frequency controller and two output converters capable of 3 A each. As a result, it save over 50% board space versus discrete solutions, according to the company. Its 2.1-MHz frequency improves AM band noise avoidance, and helps keep external inductors and capacitors small. Other noise-reducing elements include a spread-spectrum enable input to minimize radiated electromagnetic interference (EMI), and factory-programmable synchronization I/O for improved noise immunity. Operating temperature ranges from ‒40 to +125°C (AEC-Q100 qualified). Package options include a 5- by 5- by 0.75-mm, 32 pin TQFN-EP and a 5- by 5- by 0.8-mm, side-wettable QFND-EP.

MAXIM INTEGRATED

About the Author

Staff

Articles, galleries, and recent work by members of Electronic Design's editorial staff.

Sign up for Electronic Design Newsletters
Get the latest news and updates.

Voice Your Opinion!

To join the conversation, and become an exclusive member of Electronic Design, create an account today!