Most system designs contemplate power flows in one direction only: from source to power-management blocks to loads. Some types of systems, however, benefit from power-management blocks capable of bi-directional power flow.
Related Articles
- The Hard Facts On Soft Switching
- Next-Generation Servers Require Robust Power Platforms
- Move Thermal Issues To The Front Of Your Design Cycle
Reversing & Recycling
One example is battery charge-discharge testing for automotive and other transportation applications. In this case, energy is converted from a 48-V distribution bus down to 12 V to charge the battery. A typical system confirms battery performance by discharging the device under test through downstream resistor banks. This test method loses the stored energy as heat, requiring additional energy for cooling. However, a reversible power system returns the energy back to the 48-V rail, avoiding the need for downstream resistor-load banks.
This file type includes high resolution graphics and schematics when applicable.
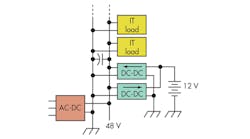
A design can implement this conversion through a pair of anti-parallel power converters (Fig. 1). These power converters provide both a 1:4 (step-down), then 4:1 (step-up) voltage transformation and regulation. Traditional architectures are challenged to maintain high efficiency at elevated power levels and do not scale to high voltage-conversion ratios.
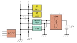
An alternative architecture separates the voltage transformation and regulation functions and operates the voltage transformation block bi-directionally.1 For example, a VTM current-multiplier module implements a series-resonant sine-amplitude converter, which provides highly efficient bi-directional voltage transformation (Fig. 2). An anti-parallel pair of PRM regulator modules exploits a zero-voltage switching (ZVS) buck-boost topology that ensures that precise voltages appear across both the bus and battery throughout the battery’s charge-discharge cycle.
A prototype implementation of this architecture provides 300 W in the battery-charging path and 1500 W in the bus-driving path. Measurements of the prototype indicate peak efficiencies of 92.9% and 93.6%, respectively, for the two paths. Variations of this architecture scale to support battery backup on 380-V dc busses that are deploying in new data-center applications. This scalability coupled with high operating efficiency also makes reversible power architectures attractive to a wide range of applications that use local energy storage.
Mission-Critical Power
An extreme example is the A6 Paladin PIM upgrade to the M109 Self-Propelled 155mm Howitzer (Fig. 3). The upgrade replaces hydraulic azimuth (turret rotation) and elevation drives with electric motors. The main energy source is a 600-hp diesel engine that powers the tracks and a 70-kW, 600-V dc starter-generator.2 The 600-V dc bus powers the targeting motors and the shell-loading system.
An 11-kW bi-directional 600/28-V power converter drives the M109A6’s sophisticated communications and target-computing systems and an on-board battery bank. Replacing the original hydraulic systems with electric motors reduces maintenance and the size of repair-parts inventory. It also allows for a broader range of rapid in-field repairs without withdrawing the vehicle to a support location.
The bi-directional power converter allows the low-voltage battery bank to back up the high-voltage bus, eliminating the need for high-voltage energy storage, which could be a safety hazard during field-maintenance procedures. Should an M109A6 require kickstarting in the field, any service vehicle with 24- to 28-V power could serve as the source with common low-voltage cabling. No 600-V auxiliary power source is necessary.
Power To Move The Earth
Manufacturers of earth-moving equipment, such as backhoe excavators, have been rethinking their system designs to improve energy efficiency, and for good reason. Of the total energy released from the diesel fuel that a typical machine burns, less than 14% goes to doing useful work (see the table).
Similar to the automotive industry, the heavy-equipment sector uses various hybrid-power arrangements. Designs have shifted away from hydraulics and toward electric motors powered by a diesel-electric generator with a capacity of about 100 kW.
With the switch to electric motors, these machines can recover energy using the earth-moving equipment equivalent to automotive-hybrid regenerative braking to decelerate the arm, for example. Recovered energy is stored in high-voltage ultra-capacitor stacks, which tolerate rapid charge and discharge rates at high current and provide long cycle lifetimes.
A third type of savings derives from operating auxiliary functions, such as cabin air-conditioning, on electric power as well, allowing operators to shut down the diesel engine instead of idling. A 2.4-kW, 800/24-V bi-directional auxiliary power converter allows energy management strategies to bridge the low- and high-voltage power domains.
In one case, Komatsu has reported that its hybrid HB215LC-1 excavator improves the fraction of fuel used for effective work from 13.3% to 17.7% over traditional hydraulic machines of similar capability. As a result, the HB215LC-1 uses 25% less fuel overall and, correspondingly, reduces carbon-dioxide emissions by the same amount.
References
1. Yu, Xiaoyan, Battery backup systems, Application Note, Vicor.
2. Have guns, will upgrade: The M109A6 Paladin PIM self-propelled Howitzer, Defense Industry Daily, Oct. 31, 2013.
Stephen Oliver is vice president of the VI Chip product line for Vicor Corp. He has been in the electronics industry for 18 years, with experience as an applications engineer and in product development, manufacturing, and strategic product marketing in the ac-dc, telecom, defense, processor power, and automotive markets. Previously, he worked for International Rectifier, Philips Electronics, and Motorola. He holds a BSEE from Manchester University, U.K., and an MBA in global strategy and marketing from UCLA. He holds several power-electronics patents as well.
About the Author
Stephen Oliver
Vicor Corp., Power Design
Stephen Oliver, vice president of Vicor’s VI Chip Product Line, has been in the electronics industry for 18 years, with experience in applications engineering, product development, manufacturing, and strategic product marketing in the ac-dc, telecom, defense, processor power, and automotive markets. Previously with International Rectifier, Philips Electronics, and Motorola, he received a BSEE degree from Manchester University, the U.K., and an MBA in global strategy and marketing from UCLA. He holds several power electronics patents as well.
Voice Your Opinion!
To join the conversation, and become an exclusive member of Electronic Design, create an account today!

Leaders relevant to this article:





