18-V eFuse Power Switches Defend Systems Efficiently

Texas Instruments’ bidirectional 18-V, 5-A protection switches feature high power efficiency in a small package (20-pin WQFN) for portable and adapter-powered devices, as well as enterprise and client SSDs.
Aug. 20, 2014

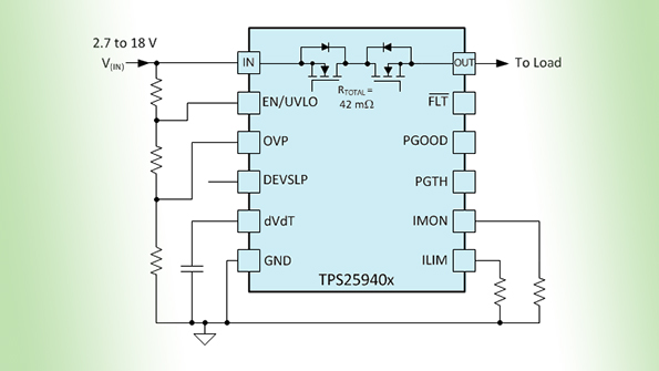
Texas Instruments’ bidirectional 18-V, 5-A protection switches feature high power efficiency in a small package (20-pin WQFN) for portable and adapter-powered devices, as well as enterprise and client SSDs. The TPS25940 and TPS25942 include back-to-back FETs to provide bidirectional current control, while reducing system size by 50% compared to discrete solutions. The ICs help save board space by maintaining an over/undervoltage threshold accuracy of 2%, eliminating the need for a separate supply voltage supervisor chip.

The TPS25940 eFuse power switch integrates DevSleep mode, which enables hosts and devices to completely hibernate an SSD serial ATA (SATA) interface, reducing power consumption to less than 5 mW. The TPS25942 eFuse power multiplexer integrates an enable block function. As a result, the system can select between non-ideal and ideal diode mode. The multiplexer allows two supplies of equivalent voltage to be designated primary and secondary without turning off the overcurrent protection NFET of either, cutting holdup capacitor requirements by up to 70%.

To extend battery life, an integrated active mode reduces power consumption using an internal low-resistance switch (42 mΩ typical). Fast short-circuit response of 200 ns minimizes bus droop and supply stress during short-circuit events.

TEXAS INSTRUMENTS

About the Author

Staff

Articles, galleries, and recent work by members of Electronic Design's editorial staff.

Sign up for Electronic Design Newsletters
Get the latest news and updates.

Voice Your Opinion!

To join the conversation, and become an exclusive member of Electronic Design, create an account today!