Guarded Limiters Improve High-Impedance Sensor Dynamic Range
This file type includes high-resolution graphics and schematics when applicable.
Measuring the signals from extremely high-impedance sensors is a difficult task. Such sensors can have output impedances in the teraohms (TΩ). The tiny signal currents coming from sensors like Faraday cups and photodiodes require electrometer-grade amplifiers for measurement. Amplifiers of this type can resolve currents as small as 1 femtoampere (fA) when configured as a transimpedance amplifier (TIA).
Many applications require that these circuits be protected from over-range. Unfortunately, protection components are expensive and degrade circuit performance. This article discusses these protection circuits, and offers methods to improve their performance while lowering cost.
The Need for Protection
High-impedance-current output sensors are designed to operate with zero voltage bias. The TIA circuit forces the voltage across the sensor to 0 V. Zero sensor voltage is possible when all of the sensor current flows through the feedback resistor. Negative feedback forces the amplifier output to the voltage that causes the necessary current to flow in the feedback resistor. The required output voltage is equal to the sensor current multiplied by the feedback resistance per Ohm’s law.
The output voltage swing of the amplifier limits the maximum current through the feedback resistor. Sensor voltage cannot be held at zero when the sensor current is greater than the maximum feedback resistor current. The excess current increases the sensor voltage until an alternate path can sink it. Electrostatic-discharge (ESD) protection devices in the amplifier typically sink this excess current.
Many applications can’t tolerate this kind of over-range because it may have a long recovery time and interfere with other channels. Long recovery times are due to the capacitance that must be discharged. All of the sensor, cabling, and input capacitance must be discharged through the feedback resistor. The feedback resistor limits rate of discharge, though. Worse still, the dielectric absorption of these insulators creates residual currents in response to the voltage change. Such residual currents can take minutes or hours to fully dissipate.
Interference is another problem in systems with multiple sensors in close proximity to each other. The voltage change on the overloaded sensor capacitively couples to the adjacent channels. This coupling capacitance injects current and corrupts the measurements of the adjacent channels.
Limiter Circuits
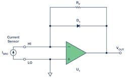
Consequently, a feedback-limiter circuit is needed to avoid the over-range problems. Feedback limiters include a nonlinear feedback element that can handle large amounts of current without high voltages that clip the amplifier output. A simple feedback-limiter circuit adds a diode in parallel with the feedback resistor (Fig. 1). As the output voltage decreases, the diode (D1) starts to conduct some current from the sensor. The diode’s exponential characteristic allows it to handle very large amounts of sensor current without clipping the amplifier’s output.
The diode used for the limiter must be selected properly to avoid ruining the circuit performance; this is a challenging task for very-high-impedance TIA circuits. At low output voltages, the diode behaves as a resistor whose resistance depends on the saturation current (IS). This resistance is typically called the diode shunt resistance.
Shunt resistance is in parallel with the feedback resistor; therefore, it must be much larger than the feedback resistor to avoid corrupting the transfer function of the TIA. This is difficult because the shunt resistance has an exponential temperature dependence; its value falls by half for every 10°C increase in temperature.
The enormous feedback resistances used in electrometer circuits require careful diode selection: These components require specially designed low-leakage diodes or the gate diode of a small discrete JFET. These specialty diodes are usually quite expensive, costing a few dollars apiece.
The diode’s exponential current-voltage characteristic also seriously limits this circuit. Once the applied voltage (VA) becomes greater than the thermal voltage (kT/q), the exponential characteristic starts to dominate. The linearity of the simple limiter TIA circuit begins to degrade once the output-voltage magnitude is greater than the thermal voltage. The thermal voltage is only 26 mV at room temperature, which considerably limits the dynamic range of the circuit.
It’s possible to reduce the output range limitations of the simple limiter by using guarding techniques (Fig. 2). The voltage across the limiter diode (D1) is driven to zero with the R1 resistor. This voltage (VGUARD) can be pulled down by the amplifier through the output diode (D2). Feedback limiting starts once VGUARD exceeds the thermal voltage, allowing D1 to conduct. Resistor R1 can be sized to require a considerable amount of current from D2 to create this voltage drop. For example, a 1-kΩ resistor requires 26 µA of diode current to cause a 26-mV drop; this is considerably more than the tens of femtoamperes required by simple limiter. These large currents ease the requirements of the output diode.
Conventional diodes may be used for D2 instead of the specialty diodes required for D1. This circuit allows for adjusting the output range by replacing D2 with series string of diodes or a single Zener diode. These circuits may also be modified for bidirectional limiting by replacing each diode with the appropriate anti-parallel diodes or back-to-back Zener diodes.
The guarded circuit offers considerable performance improvement compared to the simple diode limiter, but it still depends on the performance of the expensive D1 diode. These price and performance limitations can be eliminated by using an electrometer amplifier that has and internal guard buffer with guard pins. One such amplifier is the ADA4530-1.1 The internal guard buffer of this amplifier drives the ESD protection diodes with a guard voltage that keeps the input bias current low by eliminating voltage drops across the ESD diodes. These ESD diodes are specially designed to have very low leakage currents.
These on-chip ESD diodes can be used in the guarded limiter circuit (Fig. 3). The ESD diodes now serve the function of specialty diode D1. The guard buffer has a 1-kΩ output resistance that functions as resistor R1. The only external component is the output diode (D2). This output diode is connected between the guard pin (pin 7) and the output voltage. The circuit starts to limit once a thermal voltage is created onto the VGUARD node.
Measurement Results
A 100-GΩ TIA circuit was constructed to compare the performance of the simple diode limiter using a specialty low-leakage diode to the guarded limiter using ESD diodes. The part numbers of all of the components used are listed in the table. The electrometer amplifier evaluation board was modified to construct these circuits. It’s important to mention that the amplifier guard output should not be used to drive the guard rings due to its changing voltage. Guard rings should be driven with the signal ground connection taken from the non-inverting amplifier input.
The circuits were evaluated by forcing a test current from an electrometer-grade Source-Measure Unit (SMU) (Keithley 6430) into the circuit and measuring the output voltage with a high-accuracy digital multimeter, or DMM (Keysight 3458a). All testing was done at 25°C with ±5-V power supplies. The test current ranges from 10 fA to 100 pA and the output voltage ranges from 1 mV to 5 V (Fig. 4). Linearity is evaluated by plotting the difference between the ideal output voltage and the actual output voltage (Fig. 5). The baseline performance is established without any feedback limiter (black curves). Without limiting, the error is less than 1 mV until the amplifier output swings to the power-supply rail.
The diode-limiter circuit was implemented using the low-leakage PAD1 diode, which is commonly used for this kind of application. The limiter’s performance (red curves) is identical to the baseline at low test currents. This means that the diode’s saturation current resistance is significantly higher than 100 GΩ (At 25°C). As expected, the output range is quite limited; the output error exceeds 1 mV at 600 fA of test current. This test current level corresponds to a 60-mV output-voltage range
The guarded ESD diode limiter (Fig. 3, again) was evaluated with a low-cost 1N4148 output diode (D2). Once again, this guarded limiter performance (blue curves) matches the baseline performance at low test currents. The low-leakage ESD diodes integrated on the electrometer amplifier are responsible for this good performance. The 1N4148 simply provides the feedback current. Dynamic range is improved, too, requiring 2.5 pA of test current before the error exceeds 1 mV. This corresponds to a 250-mV output range, which is a 4X improvement.
This circuit’s flexibility was demonstrated by replacing the output diode with a 1N5230 Zener diode. At low test currents, the circuit performs identically to the baseline circuit (green curves). Also, dynamic range extends beyond the standard diode. It requires 10 pA of test current before the error exceeds 1 mV, which represents a 1-V output range.
The circuit begins to limit with Zener currents at much less than the specified 1 mA to achieve the 4.7-V nominal breakdown voltage. It’s desirable to operate the Zener diode at its rated breakdown for the largest dynamic range with reduced temperature sensitivity (lower-current Zener diodes are available, such as 1N4624). Operating current may also be increased by adding an external resistor between VGUARD and signal ground. A 27-Ω resistor will require 1 mA of Zener current to drop a thermal voltage across the ESD diodes.
In conclusion, electrometer-grade sensor interfaces often require feedback-limiting circuits. These circuits require specialty diodes that cost several dollars each. Such specialty diodes can be replaced, however, by the ESD diodes of an electrometer amplifier with a guard buffer output, such as the ADA4530-1. This approach creates a high-performance limiter that only requires a single external component that costs pennies a piece.
Reference:
1. ADA4530 datasheet, Analog Devices Inc., September 2015.
About the Author
Mark Reisiger
Staff Design Engineer, Linear Products Group
Mark Reisiger is a staff design engineer in the Linear Products Group specializing in CMOS amplifier design. Mark holds an BSEE and MSEE from Rochester Institute of Technology, and has worked for ADI since 2005.







