11 Myths About Digital Power
Download this article in PDF format.
Analog power conversion has been a staple of power electronics for decades, and for many designers, digital power is a relative unknown. Depending on who you ask, it could be described as the second coming of power conversion or an unnecessary extravagance. The reality is the technology offers new features and system advantages for the designs that need them.
Digital power can mean a lot of different things, and digital technologies can bring many benefits if used judiciously. Let’s take a closer look at several myths and legends to help understand the challenges, benefits, and appropriate use of digital technology for power conversion.
1. Switch-mode power supplies are exclusively analog or digital.
Switch-mode power conversion is an inherently mixed-signal system. The pulse-width-modulation (PWM) signals are digital and the feedback signal is analog. What goes on between those two nodes is an analog-to-digital conversion with very precise timing. That conversion could happen after an amplifier-based control network decides when to switch, or it could happen at the feedback signal, allowing a digital algorithm to decide when to switch.
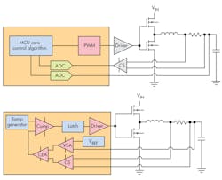
More than ever, analog control chips include digital interfaces for external control, and digital microcontrollers incorporate analog components that allow for power-supply control (Fig. 1). It’s always been possible to add a microcontroller to a power supply, but today that microcontroller can have more influence on system operation than ever before. Or, alternatively, the whole control loop can be implemented in a digital signal controller.
Either way, power supply designs can be more flexible, more adjustable, and respond more intelligently to environmental conditions or external inputs. These features can be added regardless of whether the control loop itself is implemented in a digital or analog domain. Today, switch-mode power supplies can have as much digital logic as required an application.
1. Shown here is the digital management of an analog control loop on the MCP19118.
2. Digital features require digital control loops.
The control method is just one of the features of the power-conversion system. A microcontroller can be added to any analog system to allow for additional supervision or management, power supplies included. Historically, a microcontroller’s ability to affect an analog control loop has been very limited, due to the very limited dynamic configurability of dedicated analog control parts.
However, newer analog control devices more commonly contain digital interfaces, with more configuration or programmability than previous generation devices. Similarly, there are integrated power converter products with microcontrollers on chip, which allow new dimensions of dynamic configuration. With smart component selection, digital communication interfaces, sleep modes, frequency shifts, synchronization, soft-start, intelligent fault protection, or output voltage/current changes can all be intelligently implemented in a power-conversion system—added to either analog or digital control-loop implementations.
3. Digital power is less robust than analog power.
Robustness is a complicated system feature, and many things can be done to improve the robustness of either analog or digital power supplies. Depending on the implementation, analog power supplies could have faster hardware fault responses, with quick acting undervoltage and overvoltage comparators, and true cycle-by-cycle current limiting.
However, those things can also be implemented in a digitally controlled power supply, possibly with dedicated analog structures present in more advanced digital control chips. Digital controllers may include analog current limit comparators. In addition, digitally featured power supplies (even those using analog control loops) have several distinct advantages that can’t really be mimicked in a true all-analog solution. Digital program code can provide customized fault or brown out responses, including customized soft start, soft shutdown, trickle charge, timeout or retry approaches that would be difficult (or impossible) to implement using analog controllers.
Furthermore, digital control loops or integrated on-chip feedback networks reduce reliance on external passive components, which often shift or degrade over time. Finally, digital interfaces provide diagnostic and reporting information that can be used to identify future problems, avoiding hard system outages.
Adding all of these features can create a more robust system than a simple dedicated analog solution. Regardless of the implementation, all power supplies require careful testing to ensure good product lifetimes. However, there are no fundamental reliability limitations to digital power systems that will lead them to perform poorly compared to their analog counterparts.
4. Digital power is more expensive.
While designers are under the impression that digitally controlled power supplies are more expensive than their analog counterparts, this isn’t always the case. Digital supplies can be less expensive because they may be designed around less precise, and therefore less expensive, components. They may also require fewer total components, reducing both the cost and solution size.
Digital supplies can also save money in terms of the total cost of ownership. In applications with variable load conditions, designers are able to implement nonlinear and adaptive algorithms to deliver the highest possible efficiency for any given set of operating conditions. Another reason that digital supplies may cost less to operate is that they can account for component aging over the life of the supply, notify users if preventative maintenance is required, and avoid catastrophic component failures (also resulting in expensive, unexpected downtime).
5. Digital power is more efficient.
Oftentimes, digitally controlled power supplies offer more energy efficiency across widely varying load conditions. They may utilize adaptive algorithms and even modify the topology of the system in response to changing conditions using techniques such as phase shedding. Digitally controlled supplies can use nonlinear and predictive algorithms to improve dynamic response to transients.
Analog power supplies can be every bit as energy-efficient as digital power supplies at a given design point. The challenge for analog supplies, though, is to maximize the efficiency if conditions such as load current move away from the optimum operational point.
On the other hand, the power required to run a digital controller can exceed the power required for an analog controller. Digital controllers are usually a better fit for higher-power applications, where their energy use overhead is easily offset by the additional energy savings made possible by the more comprehensive control algorithms enabled by digital technology.
6. A digital controller’s latency negatively impacts transient response.
A digitally compensated system faces two major latency concerns: the sampling effects and the computation time.
With any power conversion, the crossover frequency (transient response) will always trade off against the phase margin (stability). Digital systems are fundamentally similar, but digital control systems are sampled. A periodic sampling (once per cycle) adds a phase shift to the transfer function. This can’t be easily compensated for; the digital system requires a lower crossover frequency to achieve the same phase margin (if using the same compensation method). On top of that, the processor needs to perform the ADC reading and difference calculations within one switching cycle, or there will be an additional period of latency from the calculation time.
However, these negatives can be overcome with advanced nonlinear control methods and feed-forward techniques—algorithms that would be difficult (or impossible) to implement in an analog control system. The drawback is the processing requirements, which creates a tradeoff between processing speed, switching frequency, algorithm complexity, and transient response. This needs to be designed for, but doesn’t necessarily cause a reduction in transient response due to the digital control.
7. No load current is a problem
Switching power supplies typically run in one of two modes: discontinuous conduction and continuous conduction. In discontinuous conduction operation, the inductor current falls to zero at the end of every PWM cycle. Continuous conduction operation maintains continuous current flow in the inductor.
The advantage of continuous conduction is that the inductor current doesn’t have to ramp up from zero on every PWM pulse, thus delivering more current each PWM cycle. The disadvantage is that the error amplifier/loop filter must have the right combination of poles and zeros to maintain stability. Unfortunately, if the current in a continuous conduction design does go to zero, it can make the control loop unstable.
To combat this, older designs often either specify a minimum current or guarantee a minimum current by placing a load resistor on the output (forced continuous conduction, or FCC). Fortunately, a number of power-supply controllers today can handle both continuous and discontinuous modes of operation (PWM and pulse frequency modulation, or PFM) with monitoring circuitry to determine when to switch from one mode to the other. So, while this was once a limitation due to the design of power-supply controllers, newer controllers automatically handle the mode switching and the limitation is little more than a footnote in history.
8. Digital power supplies are difficult to design.
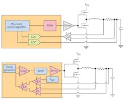
Designing a digitally controlled power supply isn’t necessarily more difficult than designing an analog supply; it’s just different. The powertrain design is very similar in both cases (for a hardware illustration, see Fig. 2). The control loop or compensator design is implemented in digital controller firmware rather than with analog circuitry.
2. The top diagram is the hardware required for a digital control loop in a switch-mode power supply; the bottom diagram shows the analog control-loop equivalent.
The location of poles and zeros of the plant are used to define the compensator characteristics (same as an analog design). However, in the case of a digital compensator, software tools are often used to configure the optimum response for the control loop. For example, highly optimized software libraries, including common 2P1Z (type II) and 3P2Z (type III) compensator algorithms, for use on Microchip’s family of dsPIC digital signal controllers, are available for free on the company’s website. Designers don’t need to write the software for those functions themselves. In addition, these algorithms are tuned for specific powertrains by providing coefficients that are derived by the design tools.
9. Digital power-supply design is easier than analog (because it’s just software).
The fact that digital power supplies use software for the control algorithms doesn’t discernibly simplify their design. Designers must still fully understand control systems and characterize the powertrain’s frequency response to be able to properly configure the software-based compensator that’s used. On the other hand, tweaking the operation of the supply to fine-tune results can be easier in software than it would be if hardware has to be modified to make the changes.
10. All you need is a DSP—digital power will replace everything else.
While many pundits push digital power as the silver bullet that solves all problems, it doesn’t fit every application. For example, it doesn’t make sense to put all of that processing power into a palm-sized MP3 player running on an internal lithium-ion cell, just to boost the supply voltage. On the other hand, platinum-level server power supplies need the capabilities of a digital power converter to efficiently generate the necessary power output and respond quickly to load changes.
For example, cell-phone towers have a high current requirement when the transmitter is on, but use much less power when it’s off. The controller for the transmitter knows when it’s going to turn on, so it alerts the power converter and coordinates a move up in the average current. Therefore, when the transmitter kicks on, the current is already there. That allows it to avoid a sag in the power while the loop filter responds, after the fact. This is one of the powerful features of digital power, and it justifies the additional complexity in the design.
On the other hand, a system with a relatively constant power requirement can use an analog system with its much simpler design, lower complexity, and lower cost. After all, it’s pretty hard to beat the cost and simplicity of an ASIC-based regulator.
11. Software-defined power will take over.
A few years ago, the prediction was that software-defined radio (SDR) would take over as the default design for radio receivers. While SDR offered several advantages, it suffered from one major drawback: It required a processor with 10X to 100X MIPS to receive frequency. Even systems that used an analog mixer to translate the radio frequency (RF) down to a lower intermediate frequency (IF) would still require 10 to 100 MIPS, and demodulation would be all that the processor could handle. This is clearly not very cost-effective.
Now, when someone says that software-defined power (SDP) will take over, one shouldn’t take it too seriously. There’s nothing simpler and cheaper than a linear regulator. And, even if a processor with the necessary MIPS were available at the same price, you would still need the Linear 5-V regulator to bootstrap the power for the processor to get it started. SDP has a definite place in power, and really is the only thing that can do its job. However, it is not, nor will it ever be, a one-size-fits-all solution for power conversion.
Conclusion
Often, it’s difficult to separate marketing fluff from hard information, particularly when the market is in flux, such as is the case with the current power market (no pun intended). Proponents for change typically extol the virtues of new technology, often forgetting to mention inherent challenges that come with it. The conservatives focus just on the challenges and argue “if it ain’t broke don’t fix it.”
Of course, we don’t live in either extreme. We typically have to design and work in the middle ground, take the new with the old, and find the right mix for our current design needs. That’s why a company like Microchip has a portfolio of power solutions extends from traditional analog to digital power. Such firms realize that the world is not black and white; rather, it’s a continuum, so they try to meet all customer needs.
Fionn Sheerin is Senior Product Marketing Engineer, Analog Power and Interface Division; Keith Curtis is Technical Staff Engineer, MCU08 Division; Tom Spohrer is Product Marketing Manager, MCU16 Division; and Terry Cleveland is Manager, Analog Power and Interface Division at Microchip Technology Inc.
Voice Your Opinion!
To join the conversation, and become an exclusive member of Electronic Design, create an account today!

Leaders relevant to this article:




