Why Do Today’s Server Applications Use 54-V BLDC Motors?
Download this article in PDF format.
Nearly everyone has heard the term “cloud-based computing,” yet most of us who rely on being able to access important data from our computers and smartphones don’t think much about where the data is actually stored. So what is cloud-based computing? Cloud-based computing refers to a mesh of remote servers that stores and moves data around the world so that we can access via Wi-Fi, local-area network (LAN), or a cellular network.
These remote servers act as a large storage device that consists of clusters of servers in a warehouse commonly referred to as a server farm. These server farms require a constant ambient temperature (optimal temperature range is between 68° and 71°F) to operate at their highest performance and to minimize any failure. They’re typically cooled by central air conditioning or heated with central heating depending on their location, just like a typical office space.
The actual server racks use a series of fans that cool the electronic components inside them. As most of us have experienced, electronic equipment heats up as it’s utilized, which eventually will affect the maximum performance of the equipment. To minimize the cost and size of heat sinks, the electronics are cooled by air flow using brushless dc (BLDC) fans to take advantage of the ambient temperature, which is kept constant by heating, ventilation, and air conditioning (HVAC) to cool the electronic components in the server rack.
Traditionally, server applications have used 12-V BLDC fans to cool the electronics in a cabinet. However, just like automotive applications, 54-V BLDC motors are being adapted for server applications for several reasons. This article discusses the two main reasons why server manufacturers are adopting 54V BLDC motors rather than traditional 12-V BLDC motors. It also breaks down the typical components required for 54-V motor-drive applications as well as some of the common motor-control algorithms.
Two Reasons for Switching to 54-V BLDCs
Server manufacturers are adopting 54-V BLDC motors over traditional 12-V BLDC motors because it allows them to use one fourth of the current. In turn, motor manufacturers can use thinner copper wire. This also enables motor manufacturers to reduce the size of the motor and, therefore, the overall cost of the motor, because fewer raw materials are required to perform the same work load. Secondly, server manufacturers save on the cost of expensive cables—one cable can power four times the number of motors using a 54-V BLDC motor compared to a 12-V BLDC using the same power bus gauge cable. For the same power, higher-voltage motors can use smaller cables or a narrower PCB track width.
For example, in a 450-W server, 32 W are consumed by the 12-V BLDC fans. The current required to power them can be calculated simply by the power equation (P= V × I, I = P/V, 32 W/12 V = 2.67 A). With 54-V BLDC fans, the current required will drop to about 0.67 A, assuming the power requirement is the same. This will allow the server engineer to use 26 American Wire Gauge (AWG) wire rather than the 20 AWG wire required to power 12-V BLDC fans.
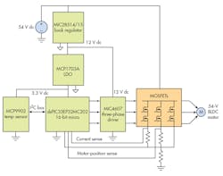
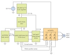
1. This simplified block diagram of 54-V BLDC control circuitry identifies typical components used to drive a 54-V BLDC motor without compromising the proven motor-control algorithm.
With regard to PCB track widths, a server engineer can use 0.012-in. PCB track widths versus 0.1-in. PCB track widths when using 54-V BLDC fans instead of 12-V BLDC fans. That saves considerable board area when you add up all power bus traces in a server system.
Another benefit for server manufacturers who adopt 54-V BLDC motors is the ability to run motors at higher speeds to move more air density while still using the same form factor of a traditional 12-V BLDC motor. This, however, would necessitate additional current to support the power requirement needed to increase the torque power of the motor.
For example, server manufacturers can use a 50-W BLDC motor over the traditional 32-W motor to achieve greater air flow. Adopting a 54-V BLDC motor would only require 0.93 A, which is considerably less current than is required by a 12-V BLDC motor—4.17 A—to drive a 50-W motor to achieve the same workload. On top of that, the 12-V BLDC would require large PCB traces and larger cables, which is cost-prohibitive. Using the 54-V bus voltage allows server manufacturers to run fans at a higher speed to increase the air-flow density while also reducing the cabling cost.
Challenges in Operating from 54-V Supply Bus
One issue does emerge when dealing with the electronics that drive a 54-V BLDC fan motor: Server engineers can’t use the old 12-V hardware to drive 54-V motors. They’re required to use electronic components with a higher operating voltage that are suitable for a 54-V power supply with plenty of margin. Figure 1 shows a simplified block diagram of 54-V BLDC control circuitry, and identifies typical components used to drive a 54-V BLDC motor without compromising the proven motor-control algorithm.
2. The plot shows typical power efficiency vs. output current using Microchip’s MIC28514 75-V, 5-A synchronous buck regulator.
Nonetheless, several hardware solutions on the market can help ease this transition. For example, Microchip’s MIC28514 75-V synchronous buck regulator offers a solution for the first stage of power conversion (Fig. 2). With 5-A output-current capability, the device can power multiple BLDC systems from one 54-V supply rail. The MIC28514 converts the 54-V supply bus rail to a traditional 12-V power rail with better than 90% power efficiency. As a result, server engineers can continue to use the same motor-control algorithms and proven active components.
MOSFET drivers and MOSFET inverter circuitry will also have to be sized up to high-voltage MOSFETs, typically an 80-V power MOSFET for a 54-V BLDC application. However, the current requirement has been reduced to one-fourth that of 12-V systems, and the MOSFET on-resistance is much less important.
Microchip’s MIC4607 is an 85-V, three-phase MOSFET driver with adaptive dead-time, anti-shoot-through, and overcurrent production.
Leveraging High-Voltage Electronic Components
Other chip manufacturers have developed high-voltage integrated circuits similar to the MIC28514 75-V synchronous buck regulator, enabling customers to utilize 54-V BLDC motor technology without compromising the ability to use proven motor-control algorithms and other active components. These high-voltage devices make it feasible for server manufacturers to adopt 54-V power bus technology and, in turn, reduce overall system cost by utilizing smaller motors and less copper width on PCB boards and cabling. In addition, they have the ability to push more air with the same form factor due to increased voltage.
As cloud computing continues to grow in popularity and functionality, server manufacturers will have to adopt the best solutions for the best price to stay competitive in both cost and performance.
About the Author
Miguel Mendoza
Senior Product Marketing Manager
Miguel Mendoza is a product marketing manager with Microchip’s Analog Power and Interface Division (APID), based in San Jose, Calif. In this role, he is responsible for defining, managing, and promoting Microchip’s dc-dc regulators, PMICs, and MOSFET drivers. Mr. Mendoza has 17 years of high-tech experience in the semiconductor industry and has held various marketing positions, including positions with Maxim Integrated Products, Atmel (now Microchip), and Micrel Inc. (now Microchip). He earned his Bachelor of Science in electrical engineering from the Cal Polytechnic University of San Luis Obispo.
Voice Your Opinion!
To join the conversation, and become an exclusive member of Electronic Design, create an account today!

Leaders relevant to this article:




